診断結果画面
| 診断内容
| 推定不具合部位
|

| AV C/U電源及びアース回路に異常がある
| AV C/U電源及びアース回路点検し、異常が無ければAV C/Uを交換する
|
「コントロールユニットが異常のため自己診断できません」
| AV C/Uに異常を検出した
| AV C/Uを交換する
|

| ETCユニットに異常を検出した
| ETCユニットを交換する
|

| GPSアンテナ接続異常を検出した
| |

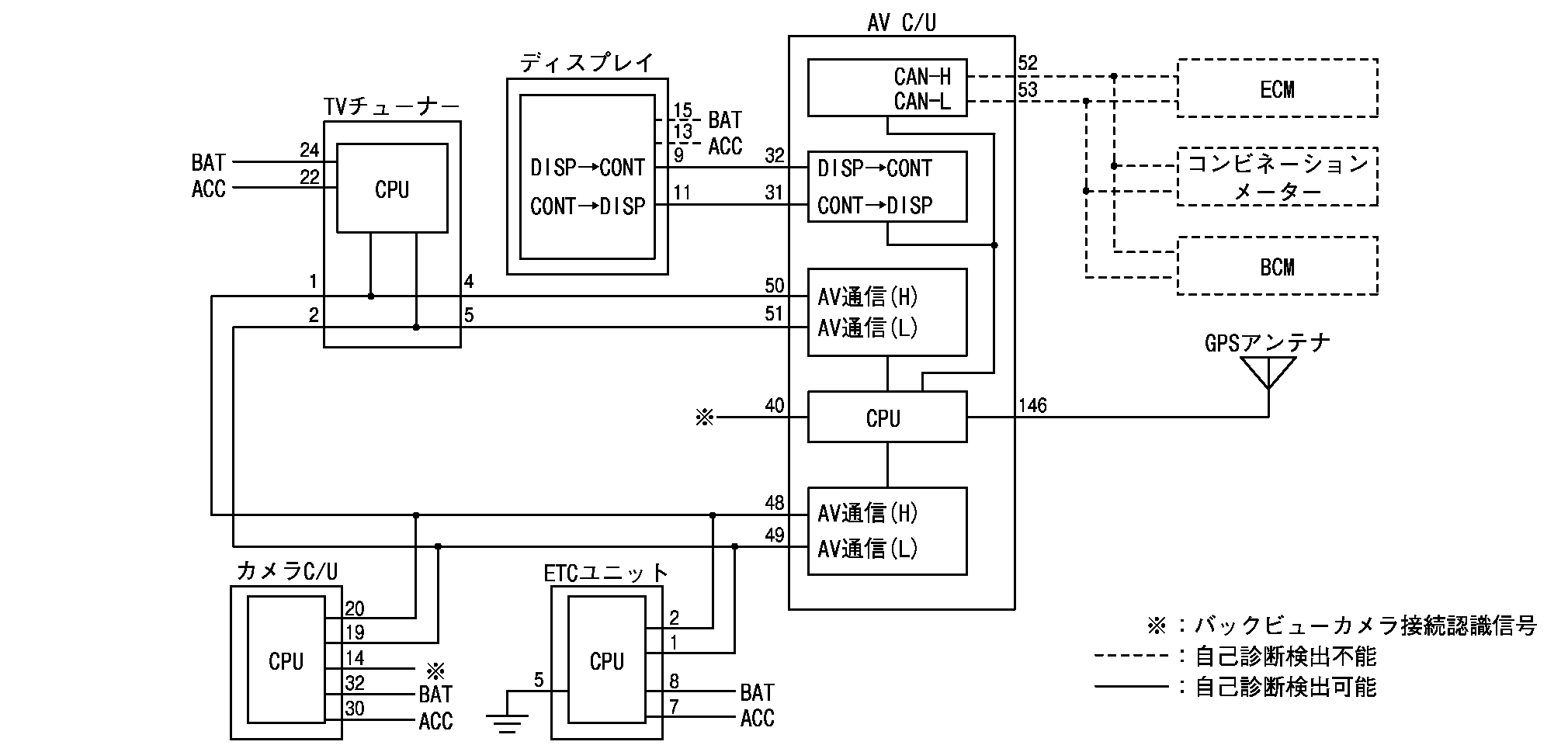
| - TVチューナー電源及びアース回路に異常がある
- AV C/U〜TVチューナー間AV通信信号に異常を検出した
| - TVチューナー電源及びアース回路
- TVチューナー
- AV C/U
|

| - AV C/U〜ディスプレイ間通信回路に異常がある
- AV C/U〜ディスプレイ間通信信号に異常を検出した
| - AV C/U〜ディスプレイ間通信回路
- ディスプレイ
- AV C/U
|

| バックビューカメラ接続認識信号回路に異常がある
| - バックビューカメラ接続認識信号回路
- カメラ C/U
- AV C/U
|

| - ETCユニット電源及びアース回路に異常がある
- ETCユニット〜TVチューナー間AV通信回路に異常がある
- AV C/U〜ETCユニット間AV通信信号に異常を検出した
| - ETCユニット電源及びアース回路
- ETCユニット〜TVチューナー間AV通信回路
- ETCユニット
- AV C/U
|

| AV C/U〜TVチューナー間AV通信回路に異常がある
| - AV C/U〜TVチューナー間AV通信回路
- TVチューナー
- AV C/U
|