ВИЗАТОР
Японские автомобильные аукционы с акцентом на Nissan NV150 AD VY12
Главная
Новости
FAQ
Аукционы
Руководства по ремонту
Nissan Wingroad Y12: полное руководство по ремонту и обслуживанию на русском языке
Поиск
Вы здесь:
Главная
Руководства по ремонту
Nissan Wingroad Y12: полное руководство по ремонту и обслуживанию на русском языке
Электрооборудование
Информационная система водителя
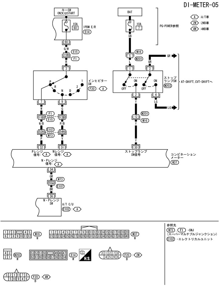
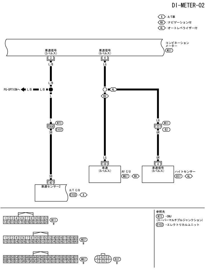
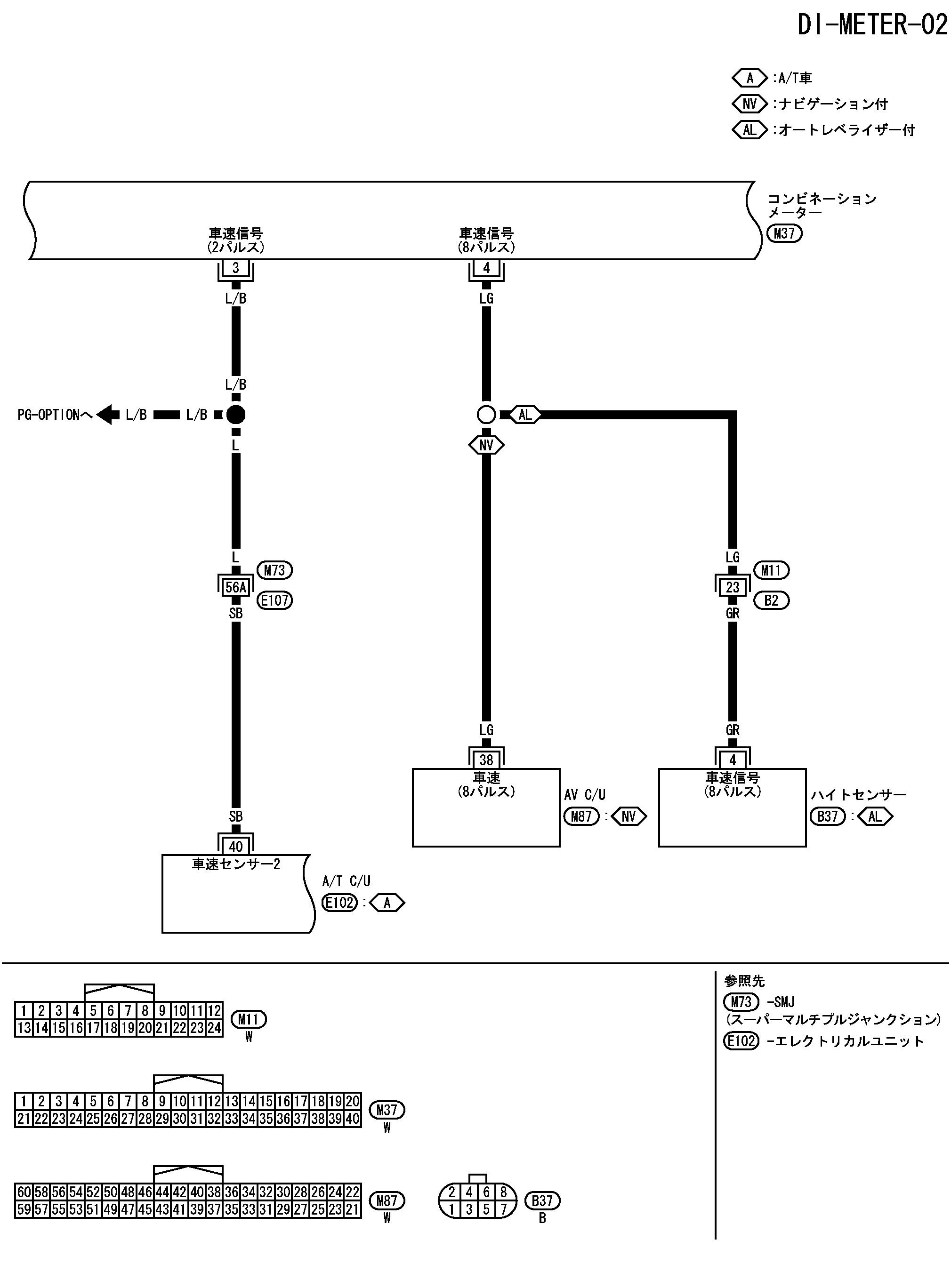
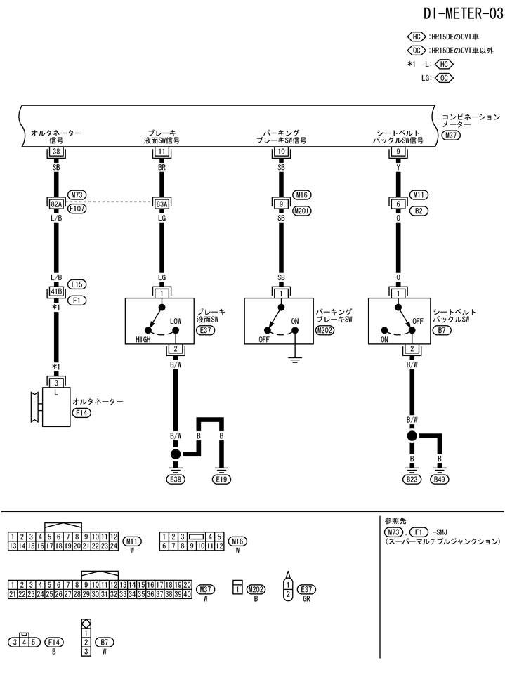
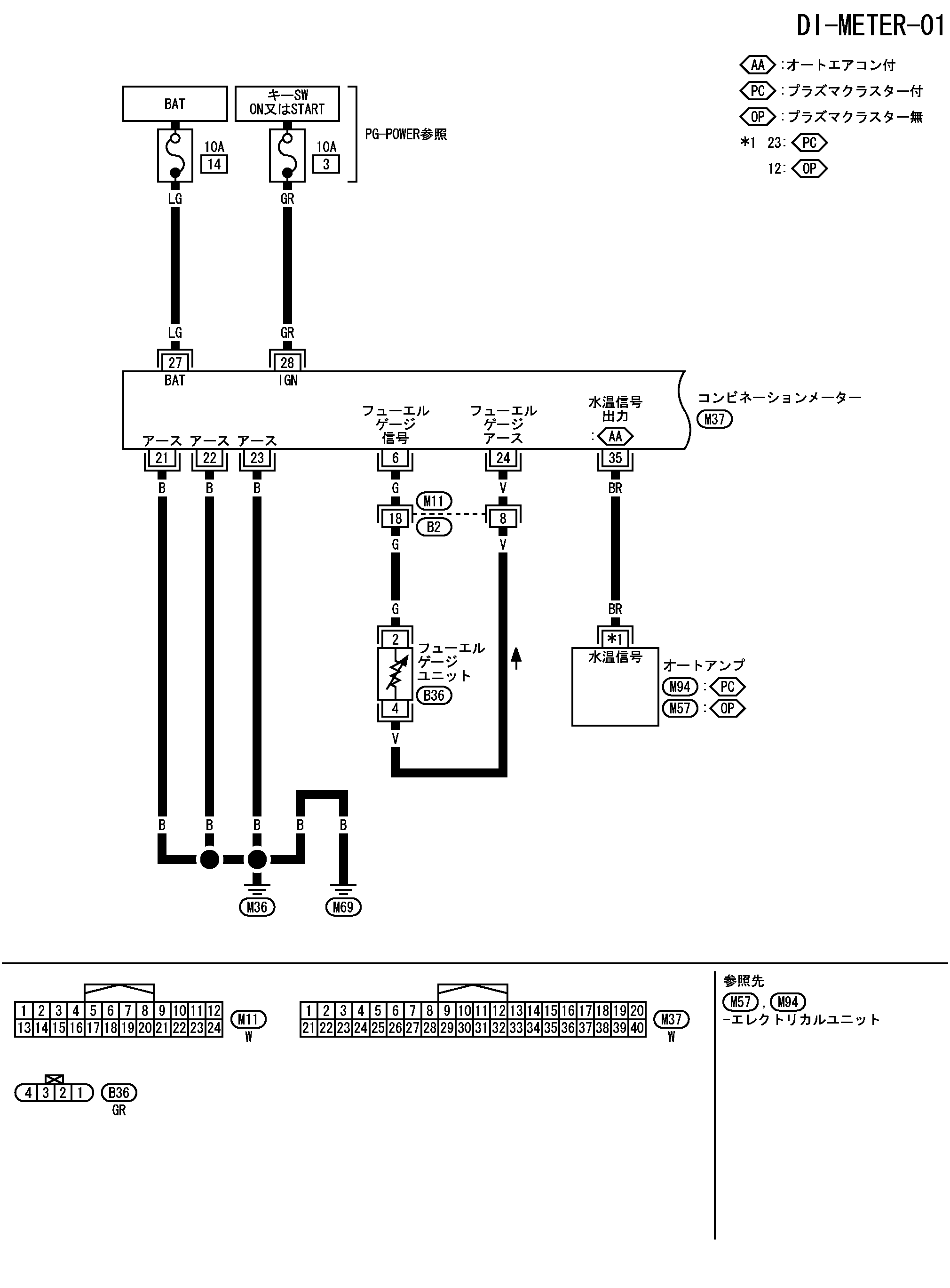
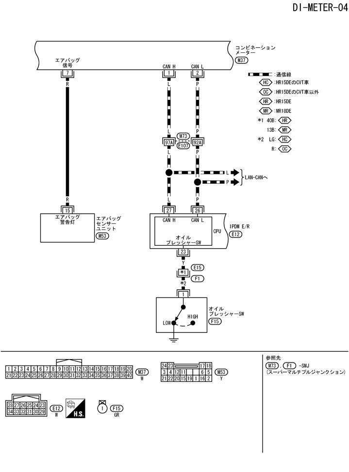
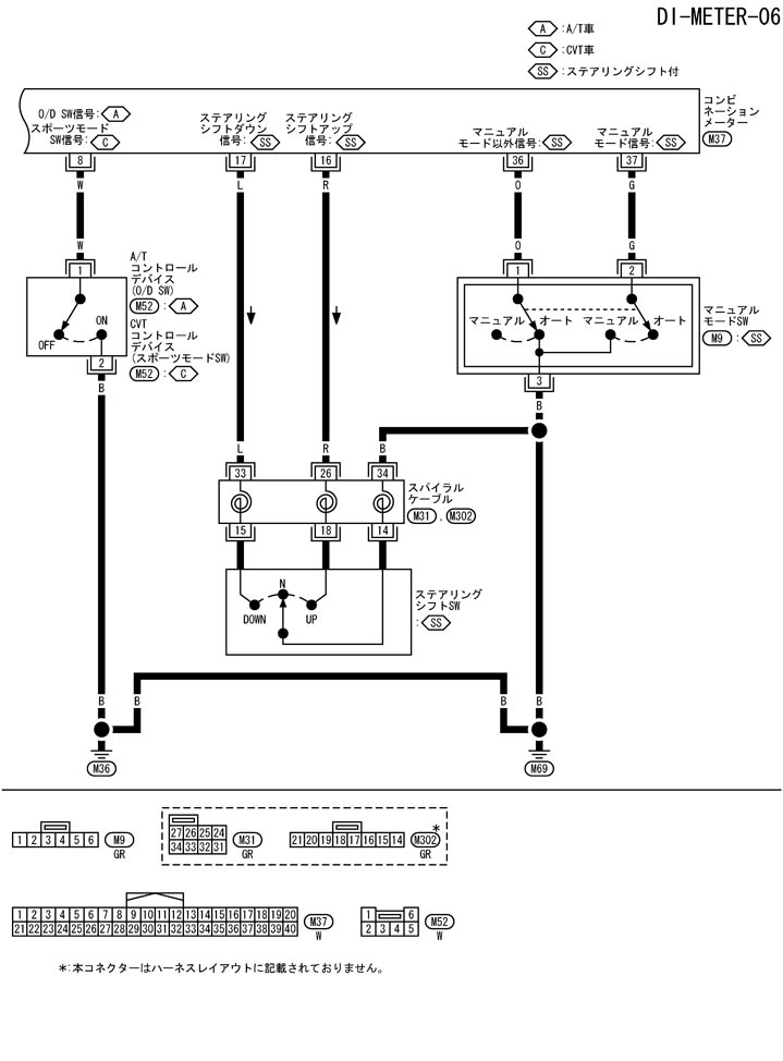
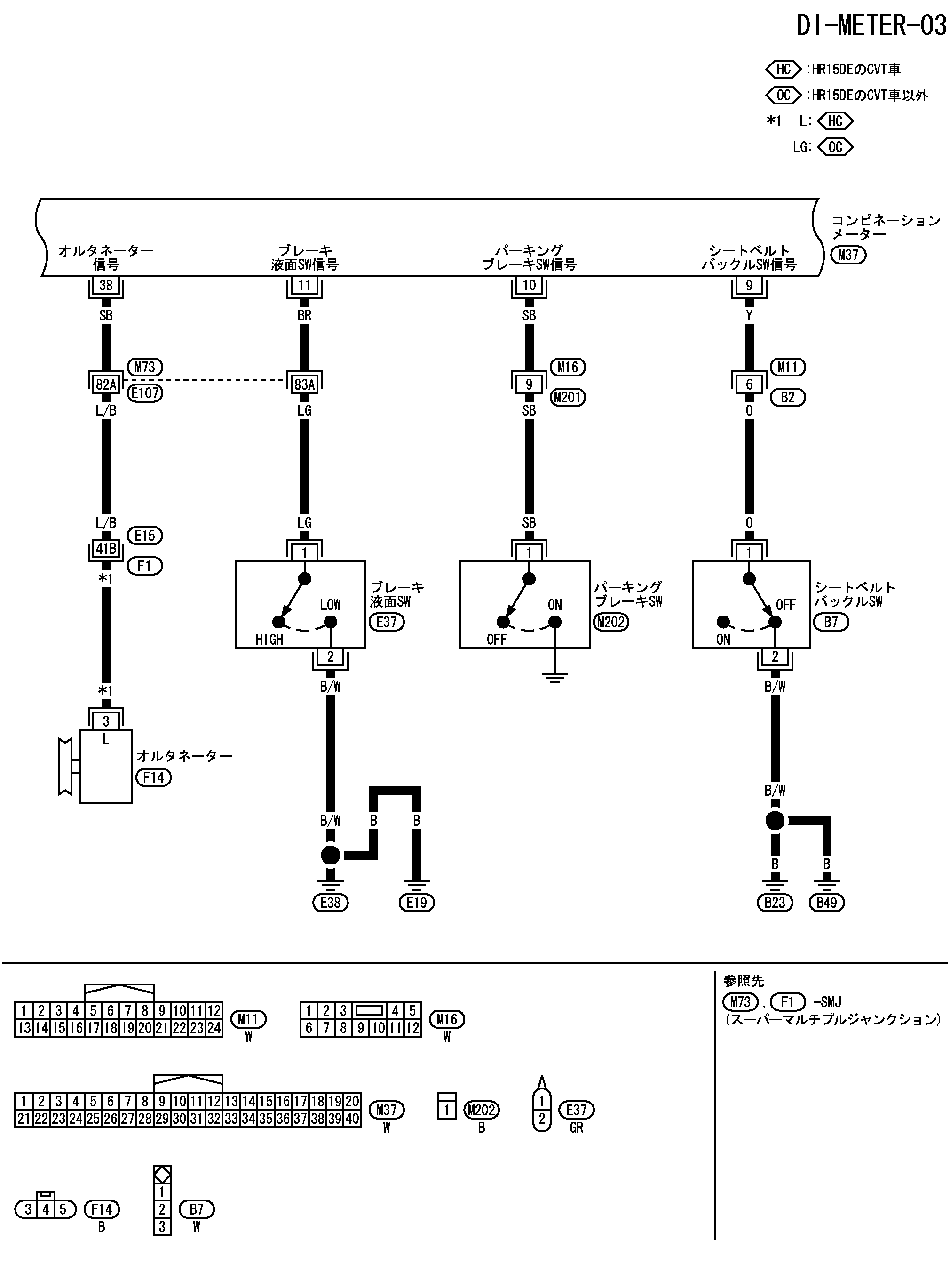
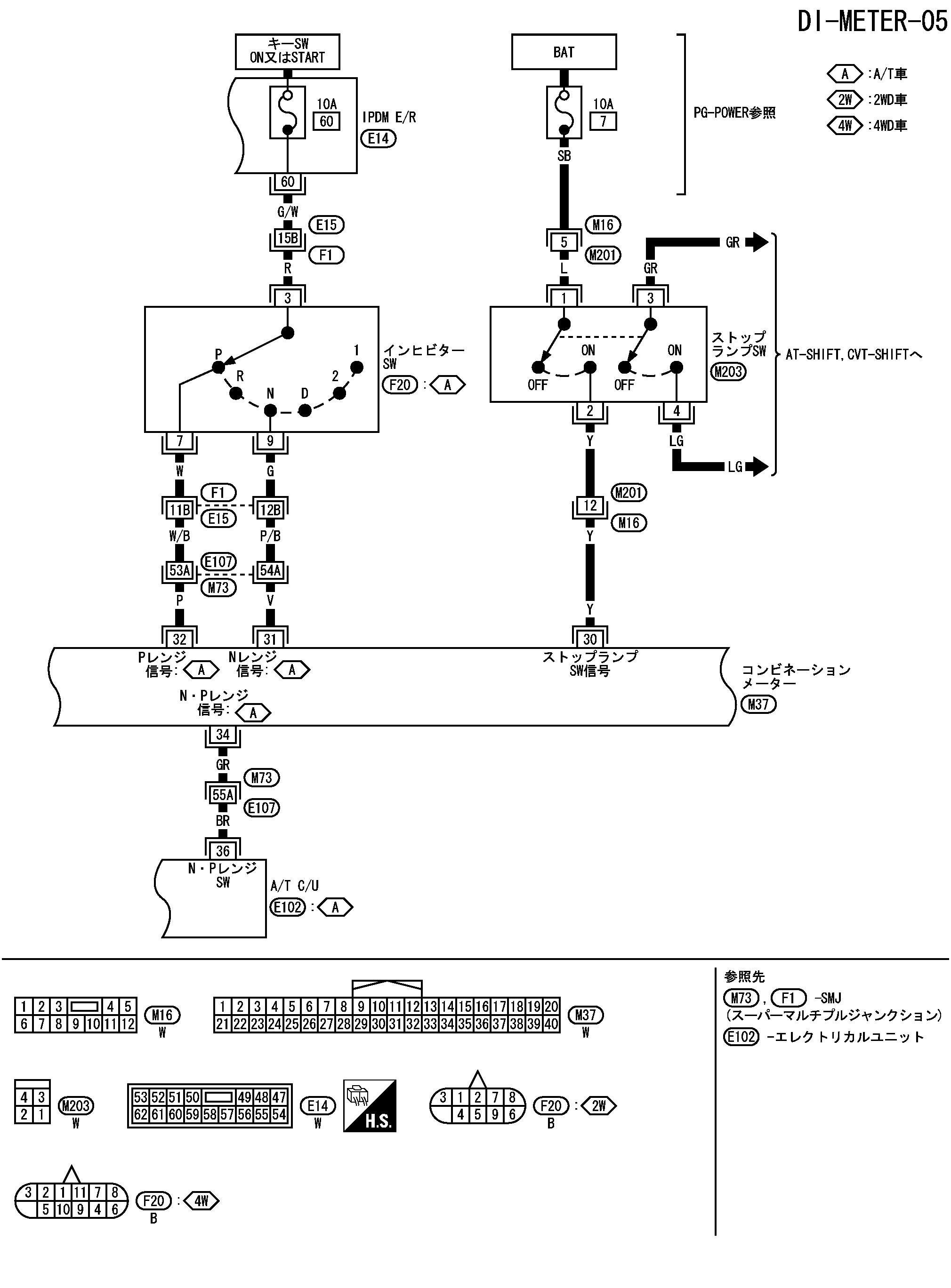
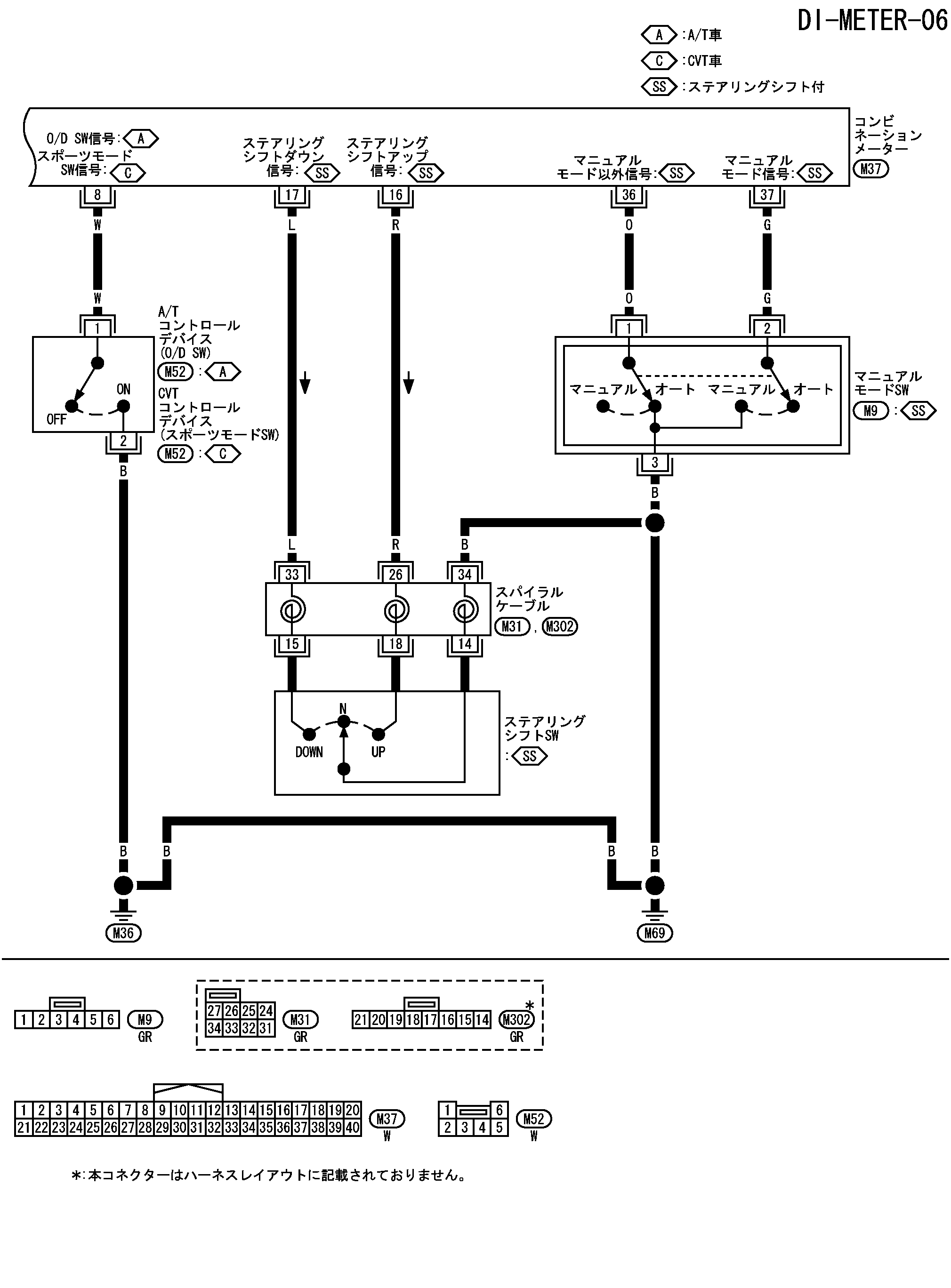
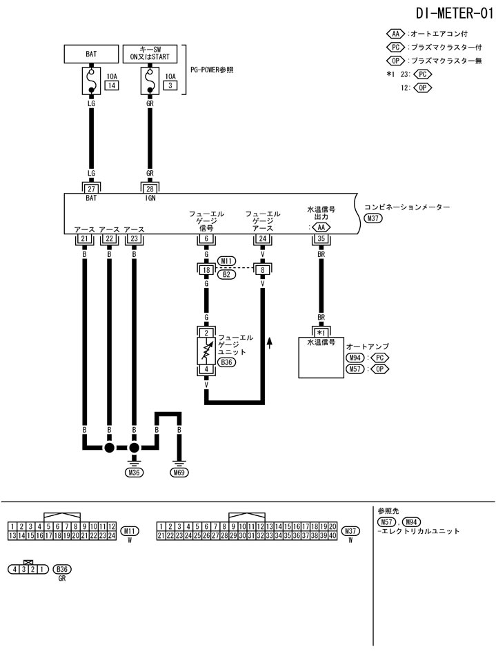
Схема подключения - счетчик - принципиальная схема
Схема подключения - счетчик - принципиальная схема
配線図 - METER -
📄
Открыть схему TKWB4965J.PDF
📄
Открыть схему TKWB4966J.PDF
📄
Открыть схему TKWB4967J.PDF
📄
Открыть схему TKWB4402J.PDF
📄
Открыть схему TKWB4403J.PDF
📄
Открыть схему TKWB4404J.PDF
Предыдущий: Принципиальная схема - счетчик - принципиальная схема
Назад
Следующий: Опорное значение входного/выходного сигнала блока управления приборной панелью
Вперед
Необходимо поставить все оценки
'Поставьте галочку "Я не робот"'
Оцените статью
Отлично
Хорошо
Нормально
Плохо
Ужасно
Ваше имя *
Ваш E-mail *
Текст комментария *
Добавить комментарий
Закрыть