ВИЗАТОР
Японские автомобильные аукционы с акцентом на Nissan NV150 AD VY12
Главная
Новости
FAQ
Аукционы
Руководства по ремонту
Nissan Wingroad Y12: полное руководство по ремонту и обслуживанию на русском языке
Поиск
Вы здесь:
Главная
Руководства по ремонту
Nissan Wingroad Y12: полное руководство по ремонту и обслуживанию на русском языке
Электрооборудование
Информационная система водителя
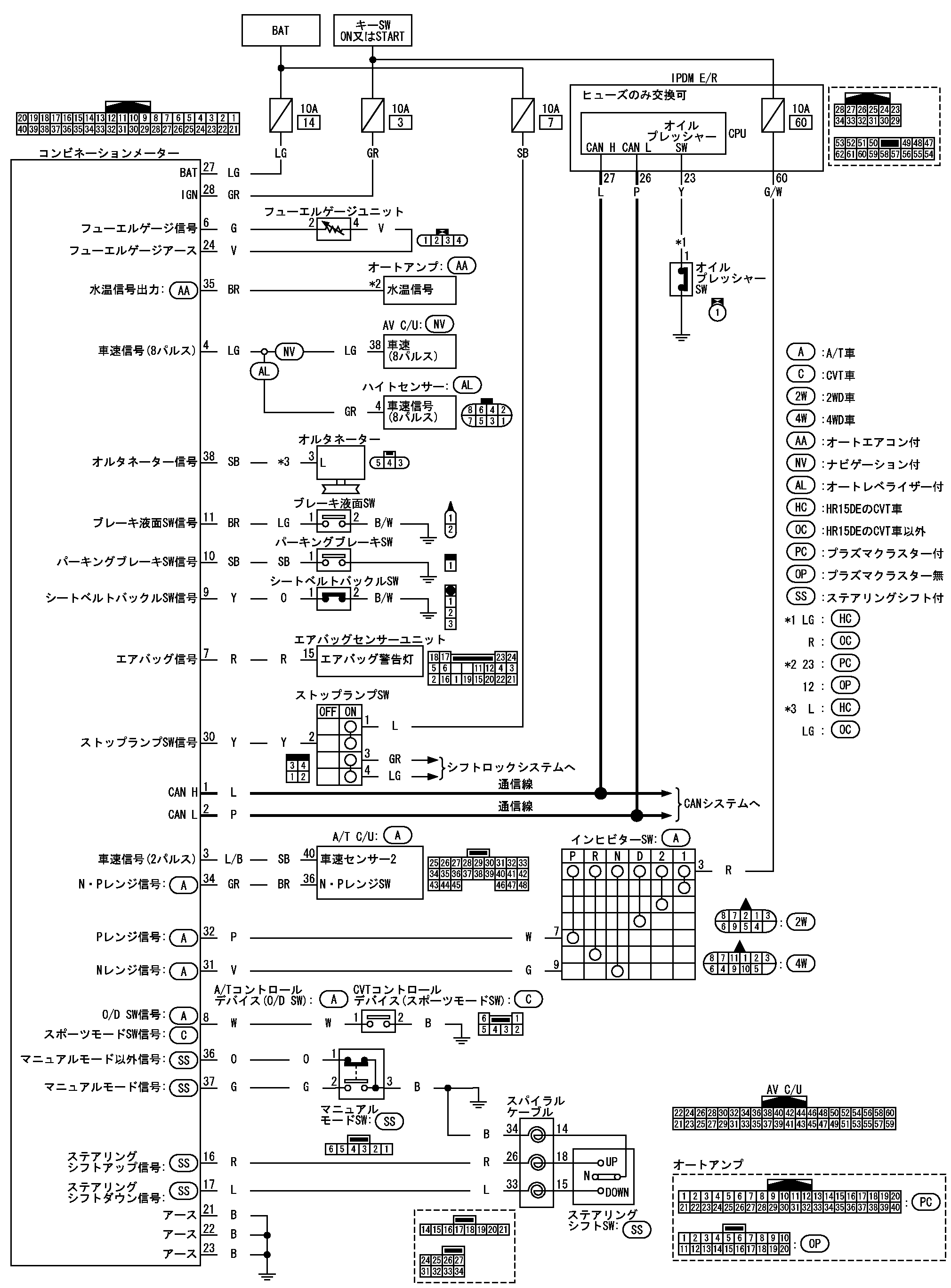
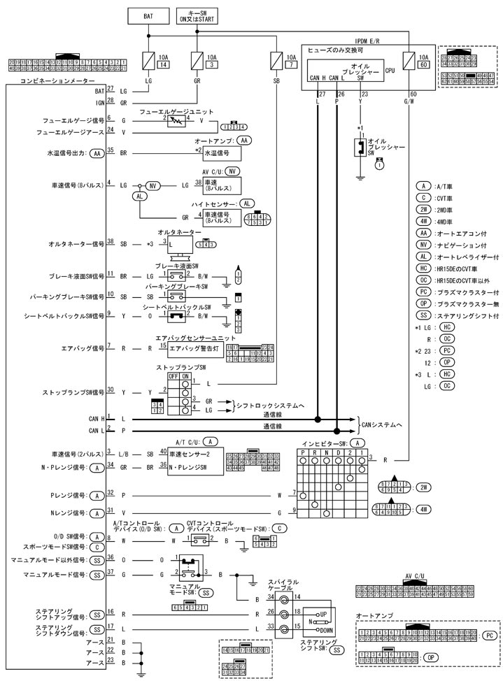
Принципиальная схема - счетчик - принципиальная схема
Принципиальная схема - счетчик - принципиальная схема
Схема подключения - счетчик -
📄
Открыть схему TKWB4398J.PDF
Предыдущий: Положение монтажа компонента Компоненты системы
Назад
Следующий: Схема подключения - счетчик - принципиальная схема
Вперед
Необходимо поставить все оценки
'Поставьте галочку "Я не робот"'
Оцените статью
Отлично
Хорошо
Нормально
Плохо
Ужасно
Ваше имя *
Ваш E-mail *
Текст комментария *
Добавить комментарий
Закрыть