Снятие и установка

 
 構成図


SCIA6204J.JPG

1.
トランスアクスルASSY
2.
インヒビタースイッチ


イラスト内のシンボルマークについては、GIセクション部品構成図内で使用している記号一覧を参照する。

 
 取り外し

    1.バッテリーマイナス端子を取り外す。バッテリーの取り外し、取り付けを参照する。
    2.エアダクト(外気導入側)を取り外す。構成図を参照する。
    3.コントロールケーブル(1)を取り外す。コントロールケーブル構成図を参照する。
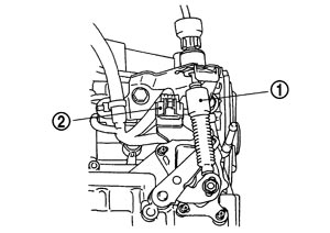
    SCIA6028J.JPG
    4.インヒビタースイッチのコネクター(2)を取り外す。
    5.インヒビタースイッチの取付ボルトを外し、インヒビタースイッチをトランスアクスルASSYより取り外す。
 
 取り付け

下記の作業に注意し、取り外しの逆の手順で行う。
  • マニュアルシャフト(1)をNレンジに入れ、インヒビタースイッチ(2)とマニュアルシャフトにある調整穴にピン(φ4 mm)(3)を入れ、位置合わせを行い、インヒビタースイッチの取付ボルトを規定トルクで締め付ける。締付トルクは「構成図」を参照する。
    SCIA6218J.JPG
  • コントロールケーブルを取り付ける際は、A/Tポジションの調整を行う。A/Tポジションの調整を参照する。
  • 取り付け終了後は、A/Tポジションの点検A/Tポジションの点検及びインヒビタースイッチの導通点検インヒビタースイッチを行う。
Оцените статью