ВИЗАТОР
Японские автомобильные аукционы с акцентом на Nissan NV150 AD VY12
Главная
Новости
FAQ
Аукционы
Руководства по ремонту
Nissan Wingroad Y12: полное руководство по ремонту и обслуживанию на русском языке
Поиск
Вы здесь:
Главная
Руководства по ремонту
Nissan Wingroad Y12: полное руководство по ремонту и обслуживанию на русском языке
Трансмиссия
Автоматическая коробка передач (A/T)
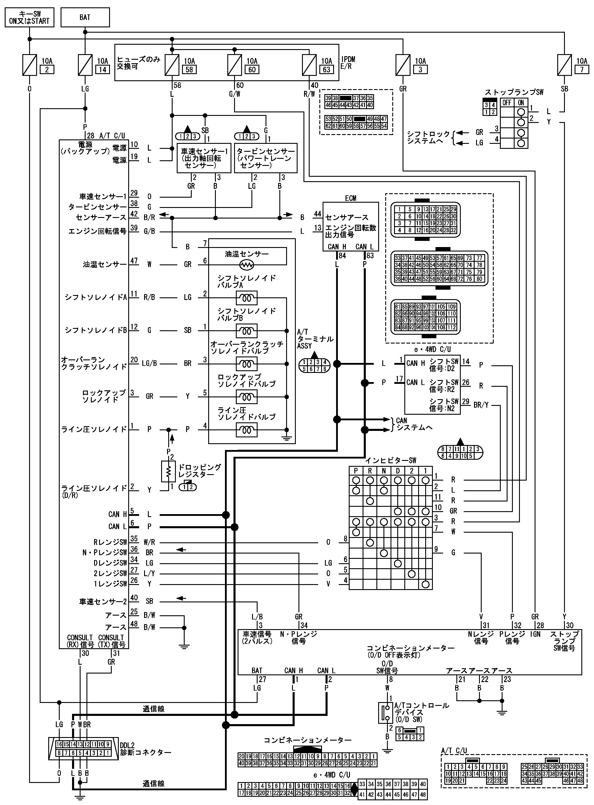
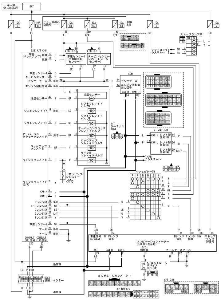
Принципиальная схема (4wd) диагностика неисправностей
Принципиальная схема (4wd) диагностика неисправностей
Принципиальная схема (4WD)
📄
Открыть схему TCWB0481J.PDF
Предыдущий: Принципиальная схема (2wd) диагностика неисправностей
Назад
Следующий: Предварительная диагностика, осмотр, диагностика неисправностей
Вперед
Необходимо поставить все оценки
'Поставьте галочку "Я не робот"'
Оцените статью
Отлично
Хорошо
Нормально
Плохо
Ужасно
Ваше имя *
Ваш E-mail *
Текст комментария *
Добавить комментарий
Закрыть