ВИЗАТОР
Японские автомобильные аукционы с акцентом на Nissan NV150 AD VY12
Главная
Новости
FAQ
Аукционы
Руководства по ремонту
Nissan Wingroad Y12: полное руководство по ремонту и обслуживанию на русском языке
Поиск
Вы здесь:
Главная
Руководства по ремонту
Nissan Wingroad Y12: полное руководство по ремонту и обслуживанию на русском языке
Трансмиссия
Автоматическая коробка передач (A/T)
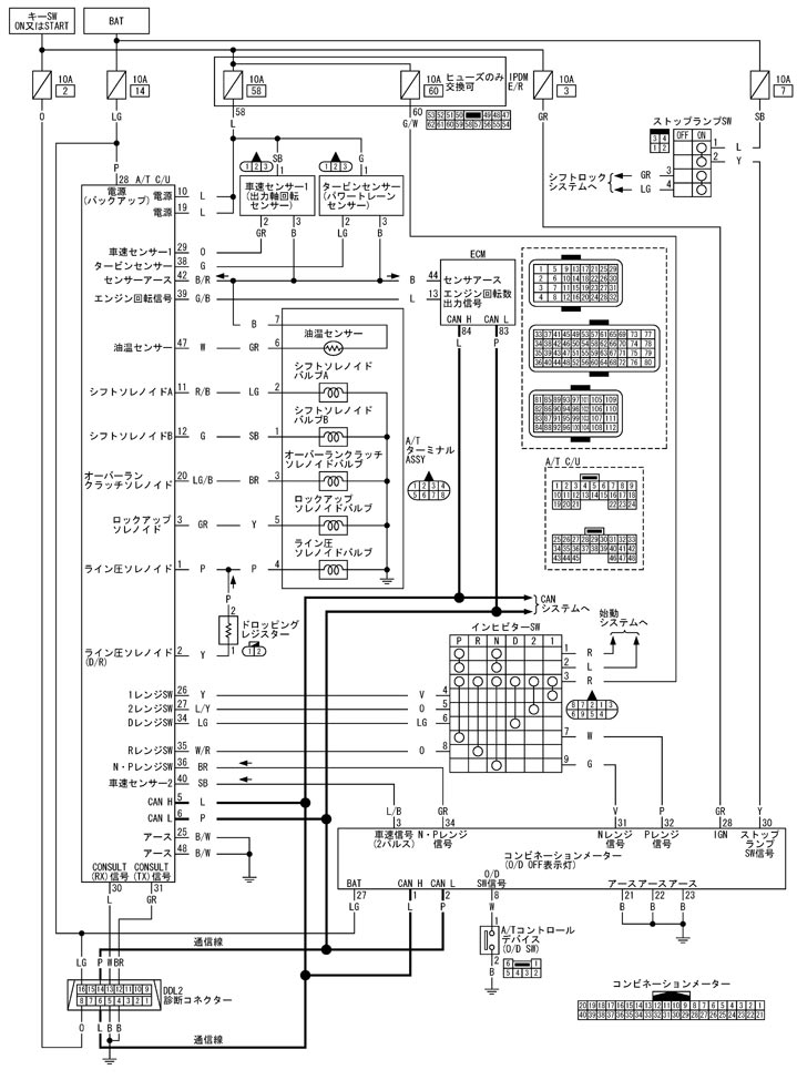
Принципиальная схема (2wd) диагностика неисправностей
Принципиальная схема (2wd) диагностика неисправностей
Принципиальная схема (2WD)
📄
Открыть схему TCWB0480J.PDF
Предыдущий: Диагностика неисправности монтажного положения компонента
Назад
Следующий: Принципиальная схема (4wd) диагностика неисправностей
Вперед
Необходимо поставить все оценки
'Поставьте галочку "Я не робот"'
Оцените статью
Отлично
Хорошо
Нормально
Плохо
Ужасно
Ваше имя *
Ваш E-mail *
Текст комментария *
Добавить комментарий
Закрыть