ВИЗАТОР
Японские автомобильные аукционы с акцентом на Nissan NV150 AD VY12
Главная
Новости
FAQ
Аукционы
Руководства по ремонту
Nissan Wingroad Y12: полное руководство по ремонту и обслуживанию на русском языке
Поиск
Вы здесь:
Главная
Руководства по ремонту
Nissan Wingroad Y12: полное руководство по ремонту и обслуживанию на русском языке
Системы защиты пассажиров
Подушки безопасности SRS
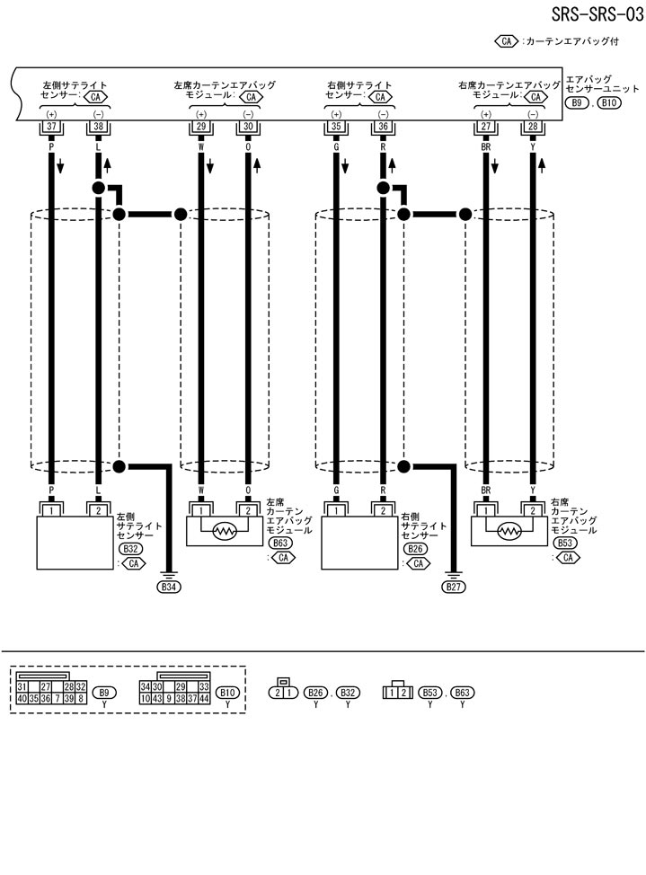
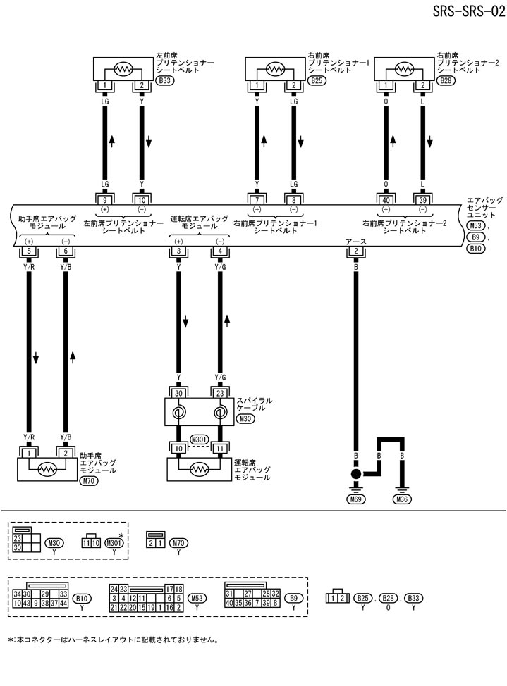
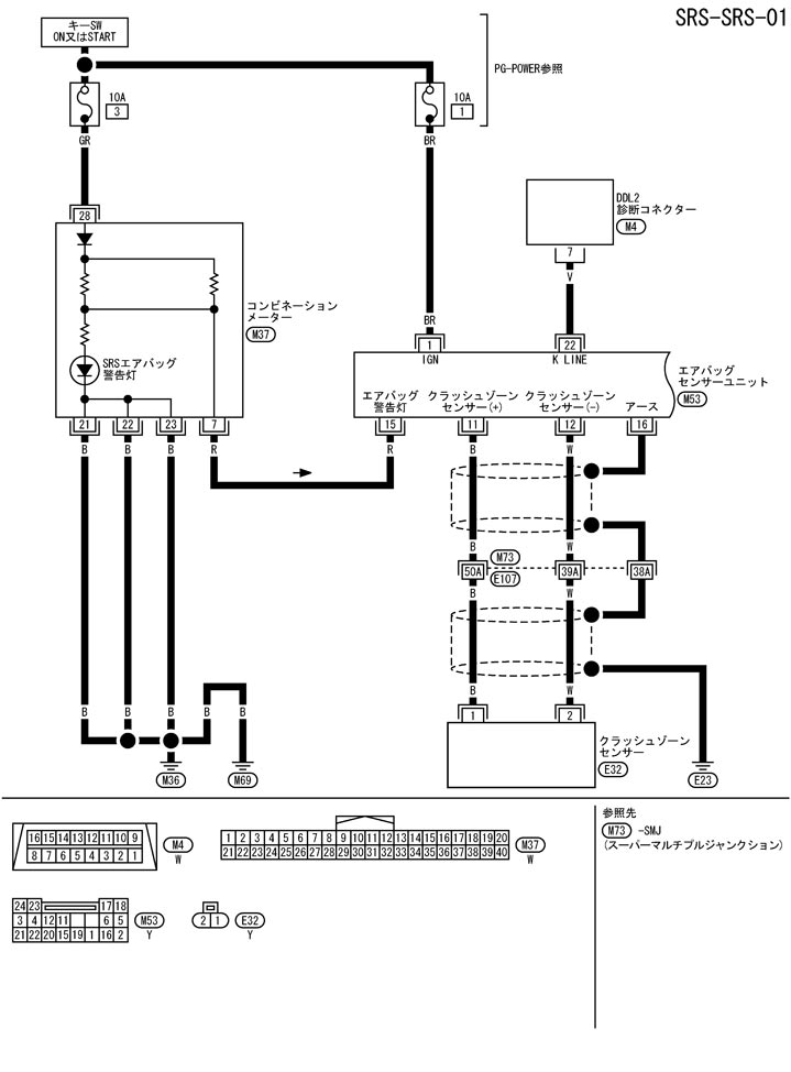
Схема подключения — SRS — Диагностика неисправностей
Схема подключения — SRS — Диагностика неисправностей
配線図 - SRS -
📄
Открыть схему THWB0091J.PDF
📄
Открыть схему THWB0058J.PDF
📄
Открыть схему THWB0059J.PDF
Предыдущий: Схема диагностики неисправностей
Назад
Следующий: Функция самодиагностики (при использовании консультации-III) Диагностика неисправностей
Вперед
Необходимо поставить все оценки
'Поставьте галочку "Я не робот"'
Оцените статью
Отлично
Хорошо
Нормально
Плохо
Ужасно
Ваше имя *
Ваш E-mail *
Текст комментария *
Добавить комментарий
Закрыть