ВИЗАТОР
Японские автомобильные аукционы с акцентом на Nissan NV150 AD VY12
Главная
Новости
FAQ
Аукционы
Руководства по ремонту
Nissan Wingroad Y12: полное руководство по ремонту и обслуживанию на русском языке
Поиск
Вы здесь:
Главная
Руководства по ремонту
Nissan Wingroad Y12: полное руководство по ремонту и обслуживанию на русском языке
Кузов
Кузов, замки, безопасность
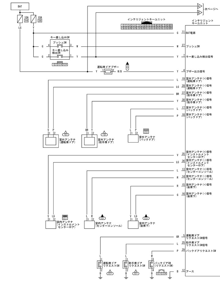
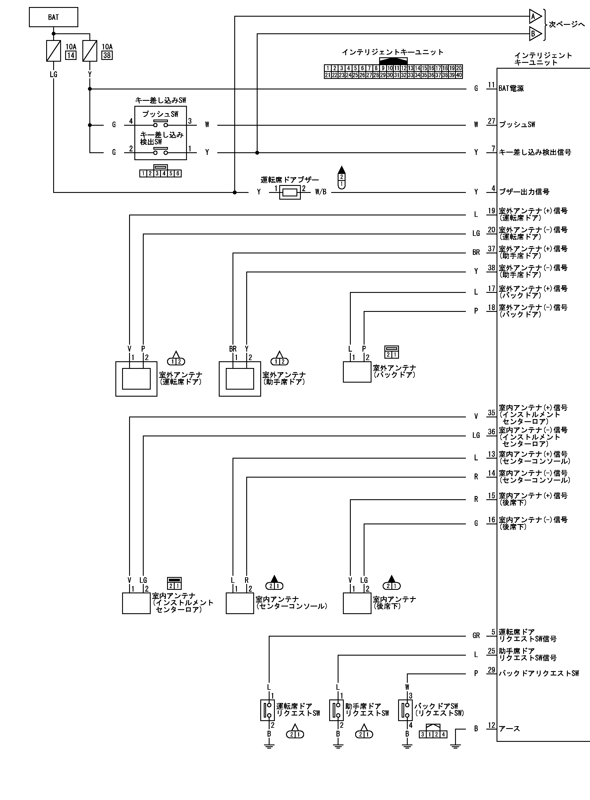
Схематическая интеллектуальная система ключей
Схематическая интеллектуальная система ключей
принципиальная схема
📄
Открыть схему TIWB1545J.PDF
📄
Открыть схему TIWB0853J.PDF
Предыдущий: Положение установки компонентов, интеллектуальная система ключей
Назад
Следующий: Схема подключения — i/key — интеллектуальная система ключей
Вперед
Необходимо поставить все оценки
'Поставьте галочку "Я не робот"'
Оцените статью
Отлично
Хорошо
Нормально
Плохо
Ужасно
Ваше имя *
Ваш E-mail *
Текст комментария *
Добавить комментарий
Закрыть