ВИЗАТОР
Японские автомобильные аукционы с акцентом на Nissan NV150 AD VY12
Главная
Новости
FAQ
Аукционы
Руководства по ремонту
Nissan Wingroad Y12: полное руководство по ремонту и обслуживанию на русском языке
Поиск
Вы здесь:
Главная
Руководства по ремонту
Nissan Wingroad Y12: полное руководство по ремонту и обслуживанию на русском языке
Кузов
Кузов, замки, безопасность
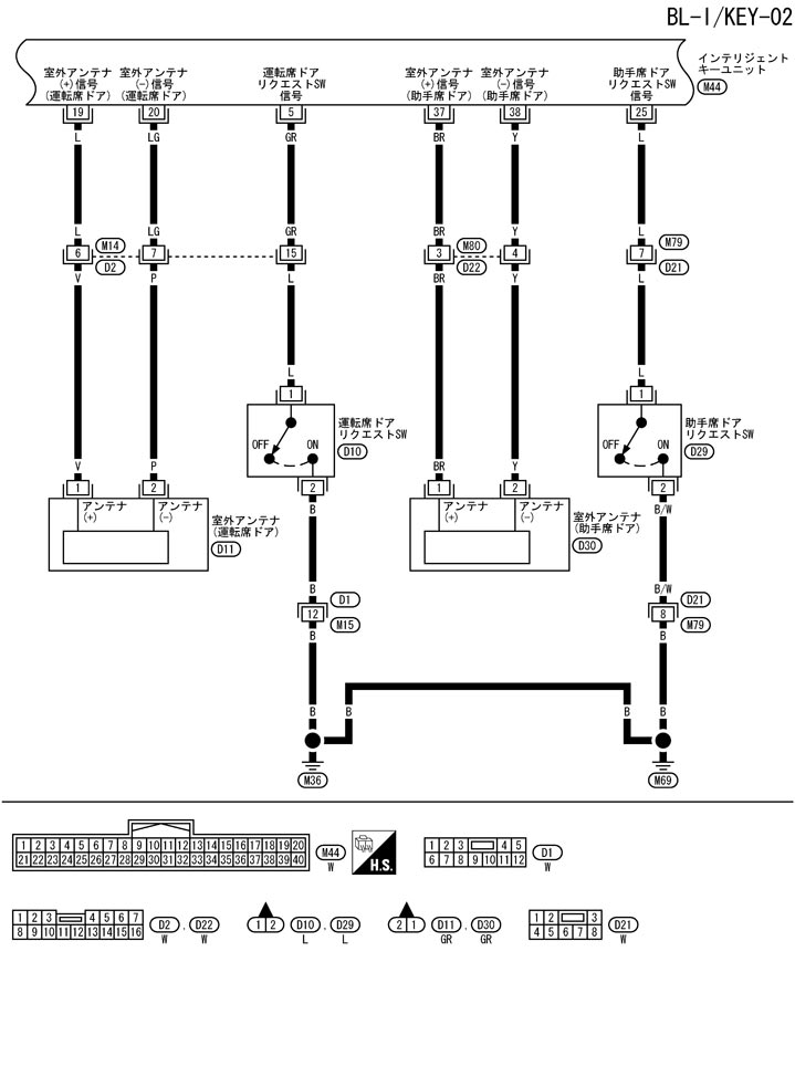
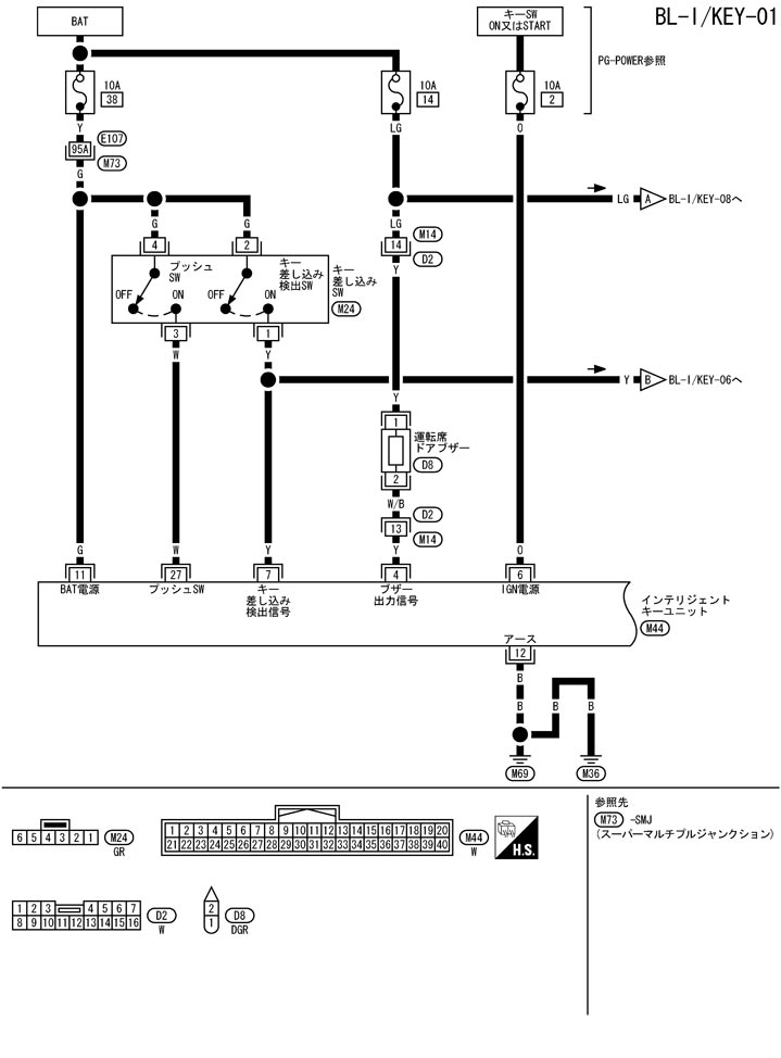
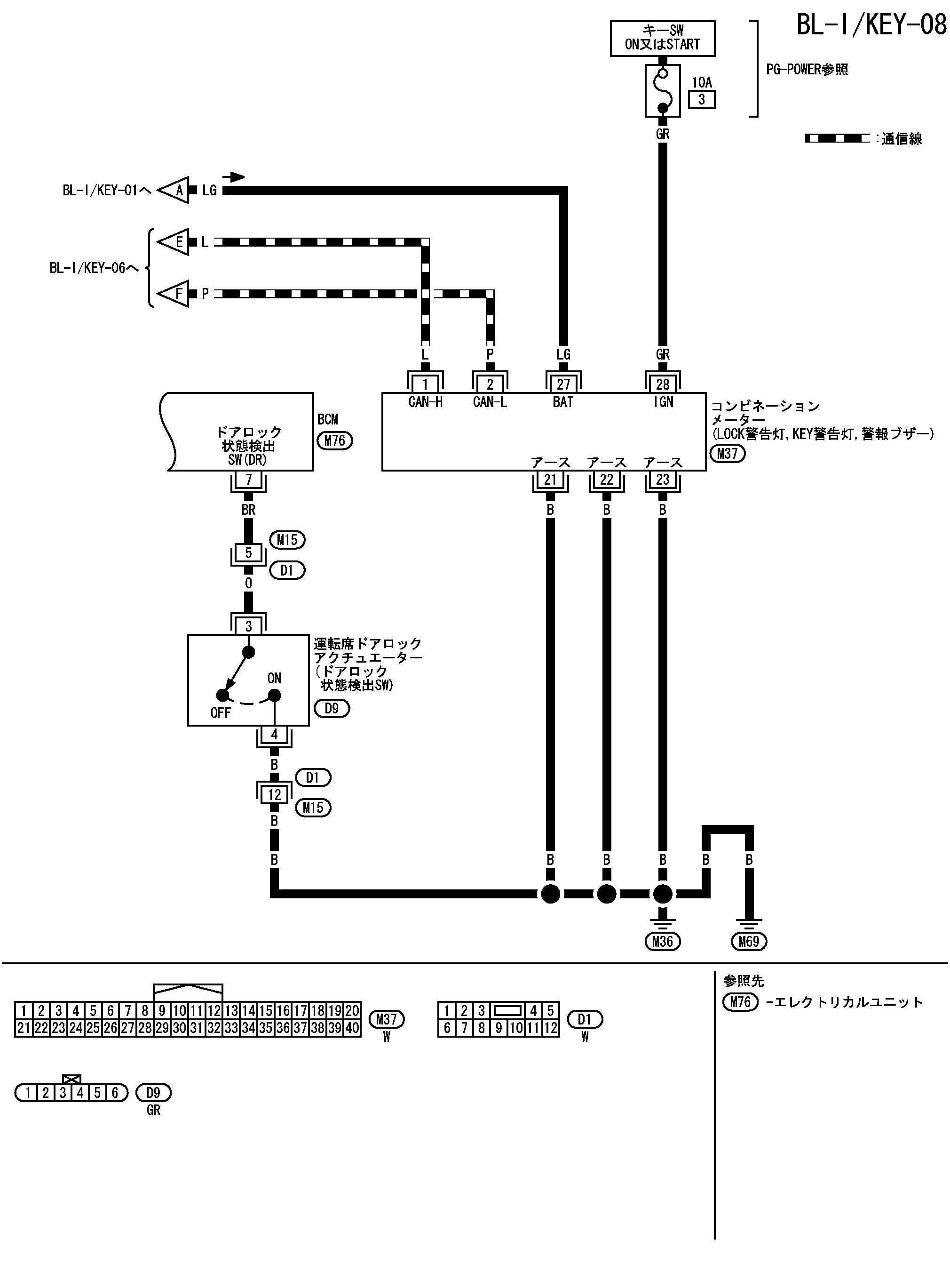
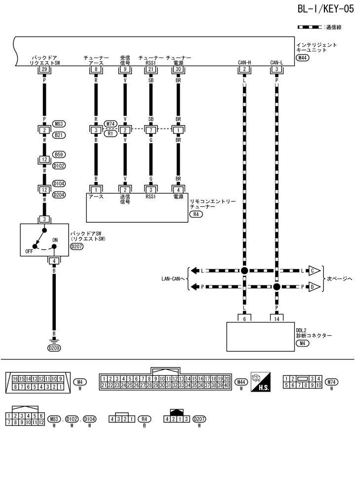
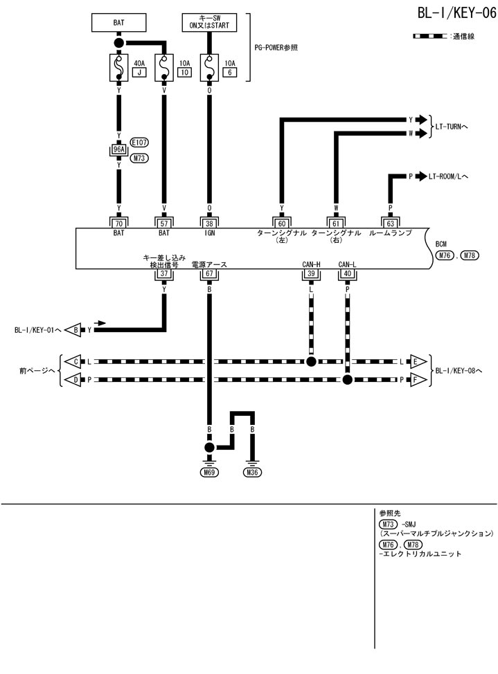
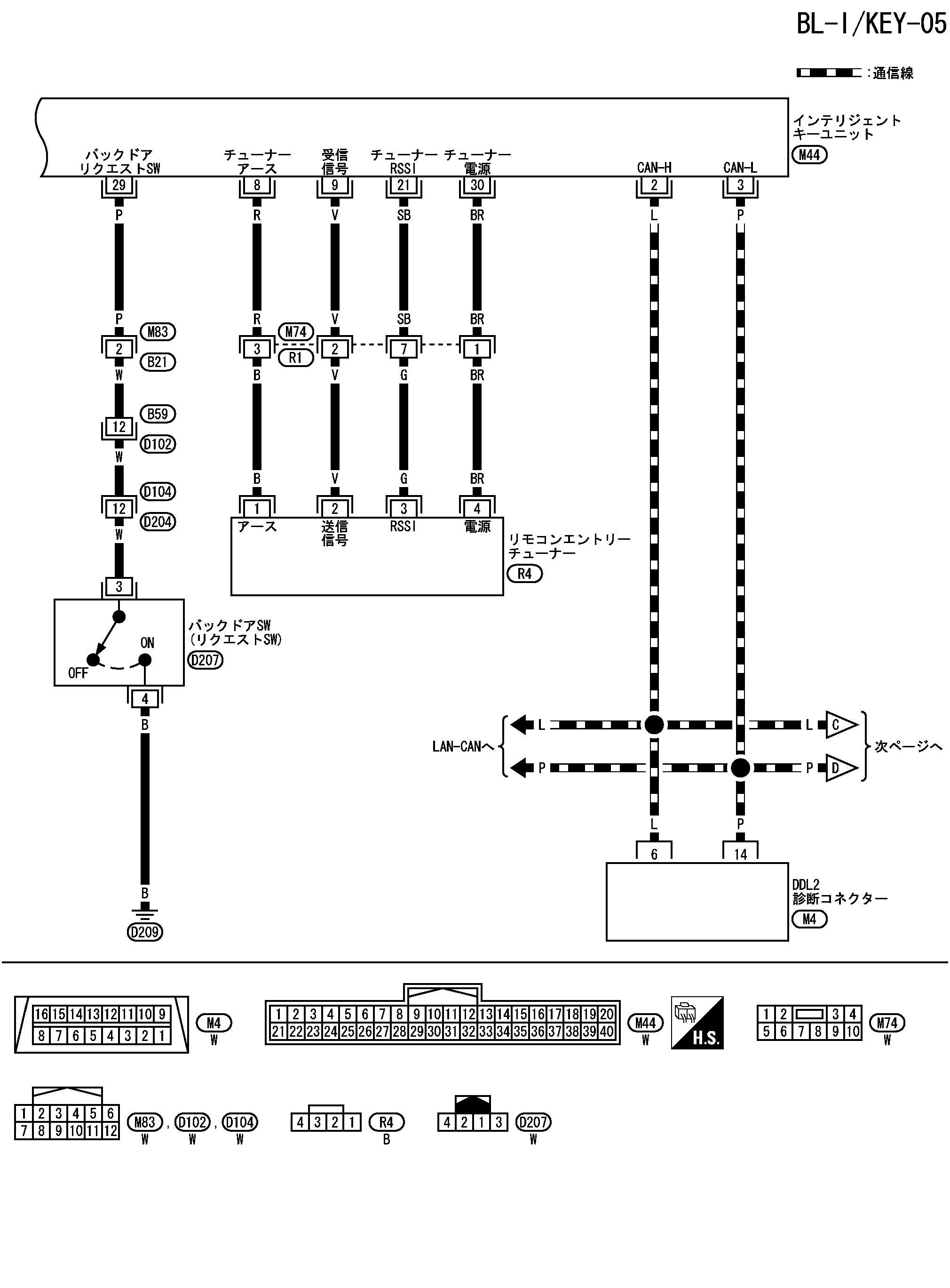
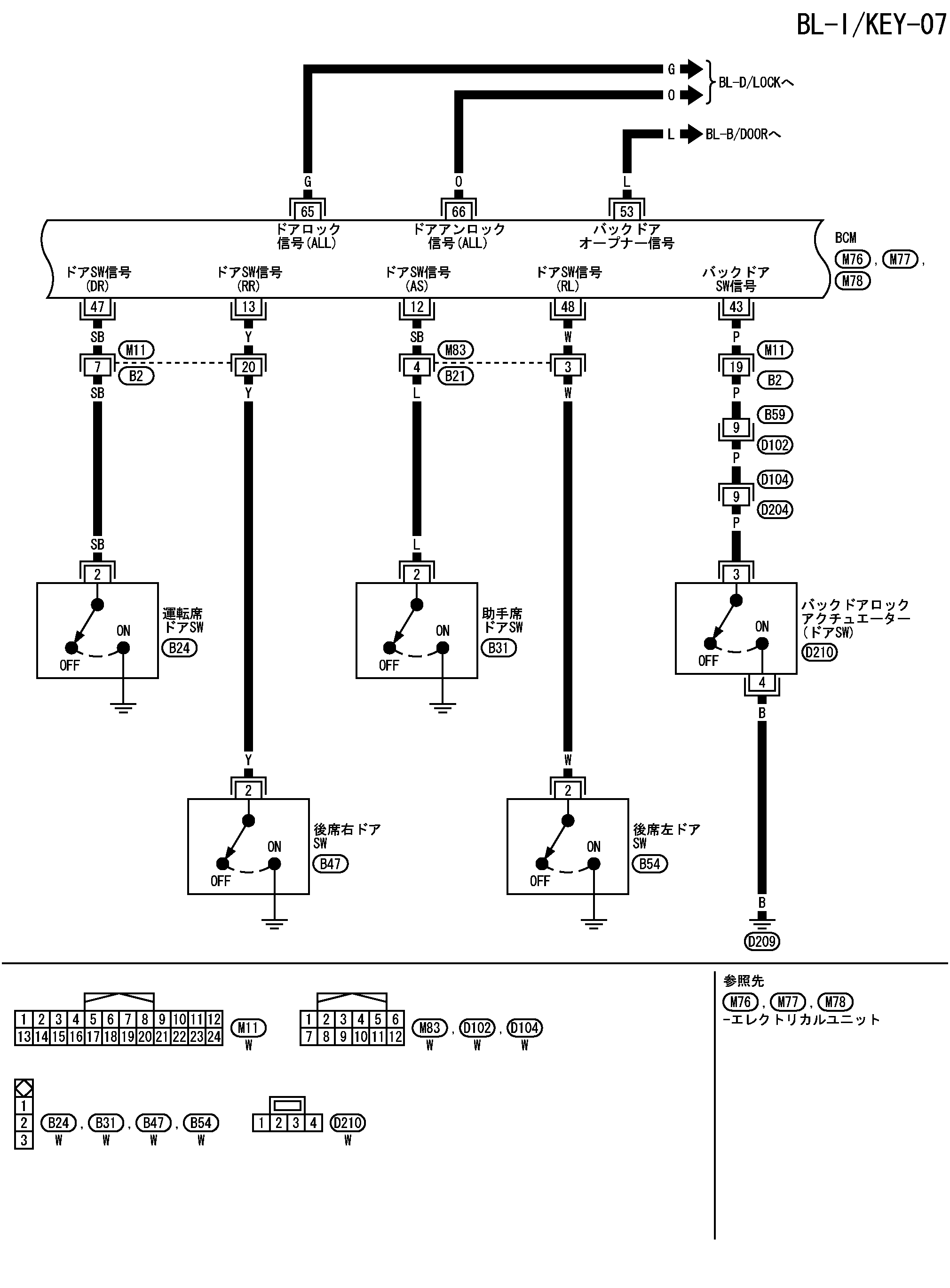
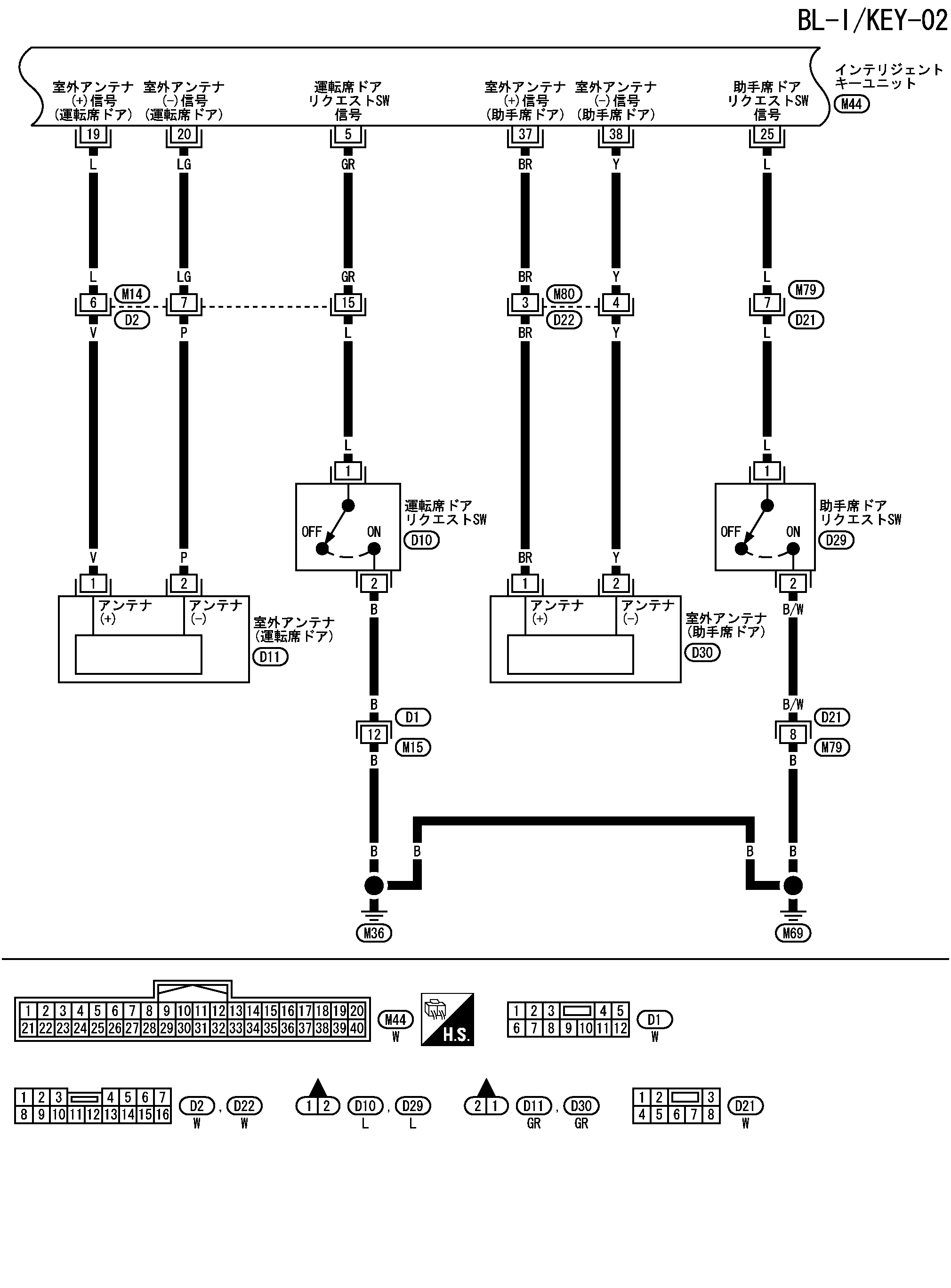
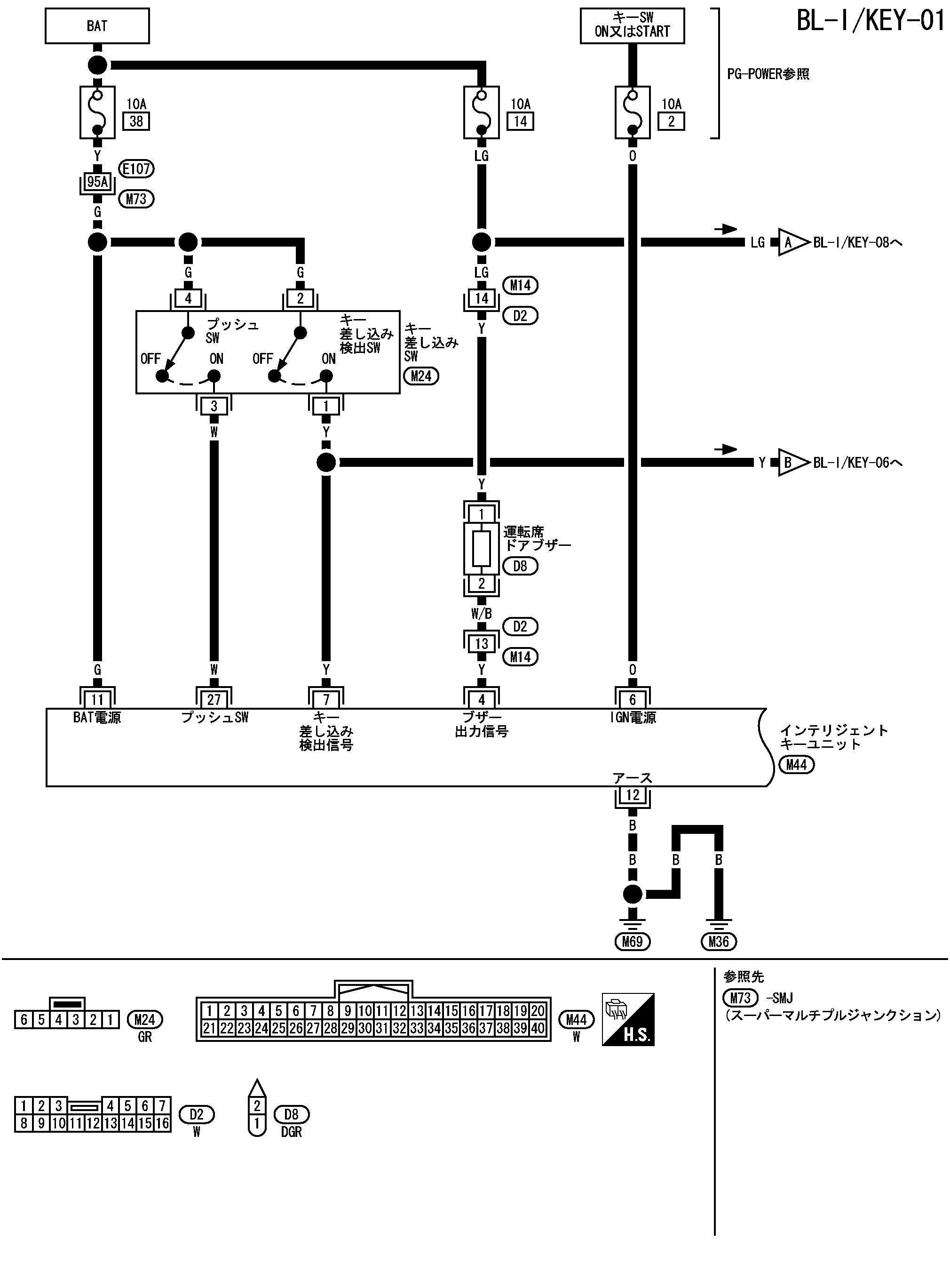
Схема подключения — i/key — интеллектуальная система ключей
Схема подключения — i/key — интеллектуальная система ключей
配線図 - I/KEY -
📄
Открыть схему TIWB1332J.PDF
📄
Открыть схему TIWB0855J.PDF
📄
Открыть схему TIWB1546J.PDF
📄
Открыть схему TIWB1547J.PDF
📄
Открыть схему TIWB1548J.PDF
📄
Открыть схему TIWB1549J.PDF
📄
Открыть схему TIWB1550J.PDF
📄
Открыть схему TIWB1551J.PDF
Предыдущий: Схематическая интеллектуальная система ключей
Назад
Следующий: Интеллектуальный ключевой блок, опорное значение входного/выходного сигнала, интеллектуальная система ключей
Вперед
Необходимо поставить все оценки
'Поставьте галочку "Я не робот"'
Оцените статью
Отлично
Хорошо
Нормально
Плохо
Ужасно
Ваше имя *
Ваш E-mail *
Текст комментария *
Добавить комментарий
Закрыть