сигнал связи


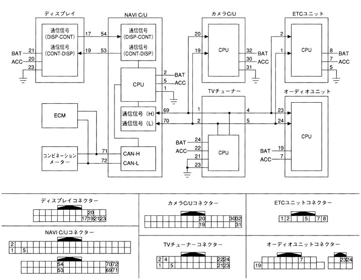
  • ナビゲーションシステムを構成している各ユニット間を2本の通信信号線(H、L)で接続し、NAVI C/Uはマスターユニットとしてシステムを構成している各ユニットへ(スレーブユニット)と1対1でデータ信号の送受信をし制御を行っている。また、オーディオユニットはサブマスターユニットとしてTVチューナーとデータ信号の送受信をしており、通信状態をNAVI C/Uへ送信している。
  • 2本の通信信号線(H、L)はノイズに強いツイストペア線を採用している。
  • NAVI C/Uは、ディスプレイとのシリアル通信によって表示、画質制御の要求信号を送信し、ディスプレイから応答信号を受信する。   
  • NAVI C/UはCAN通信で接続され、ECM、及びコンビネーションメーターからデータ信号を受信し、得られた情報により燃費情報、ドライブ情報の数値を演算しディスプレイに送信している。
    NAVI C/U~ディスプレイ間通信制御
    制御分類
    制御内容
    ディスプレイ制御
    バックライト電源
    映像信号切り替え(RGB、コンポジット)
    映像モード切り替え(ノーマル、フル、ワイド)
    映像ミュート
    画質設定制御
    昼夜設定
    明るさ調整
    色の濃さ調整
    色合い調整
    コントラスト調整



    SKIB7759J.JPG
 
 車両情報表示機能

  • NAVI C/Uは、ECM、及びコンビネーションメーターからCAN通信によってデータ信号を受信し、得られた情報から各数値を演算して各情報を表示する。
    AVA1170.JPG


  • 表示機能
    受信信号(送信ユニット)
    表示原理
    瞬間燃費表示
    • 燃料消費量モニター信号(ECM)
    • エンジン状態信号(ECM)
    • 車速信号(コンビネーションメーター)
    車速信号と燃料消費量モニター信号により瞬間燃費を演算し、エンジン状態信号が、“回転中”のときに瞬間燃費バーを表示する。
    航続可能距離表示
    • 航続可能距離信号(コンビネーションメーター)
    • 燃料残量警告信号(コンビネーションメーター)
    航続可能距離信号により航続可能距離を表示し、燃料残量警告信号がONになると、航続可能距離表示を“ ”表示にする。
    キースイッチOFFでもデータは保持される。
    平均燃費表示
    • 燃料消費量モニター信号(ECM)
    • 車速信号(コンビネーションメーター)
    燃料消費量モニター信号と車速信号により平均燃費を演算し、平均燃費を表示する。
    平均燃費リセット後、30秒経過、及び500 m走行するまで平均燃費は表示されない。
    キースイッチOFFでもデータは保持される。
    走行距離表示
    • 車速信号(コンビネーションメーター)
    NAVI C/U内の時間と車速信号により走行距離を演算し、走行距離を表示する。
    キースイッチOFFでもデータは保持される。

Оцените статью