ВИЗАТОР
Японские автомобильные аукционы с акцентом на Nissan NV150 AD VY12
Главная
Новости
FAQ
Аукционы
Руководства по ремонту
Nissan Wingroad Y12: полное руководство по ремонту и обслуживанию на русском языке
Поиск
Вы здесь:
Главная
Руководства по ремонту
Nissan Wingroad Y12: полное руководство по ремонту и обслуживанию на русском языке
Трансмиссия
Вариатор (CVT)
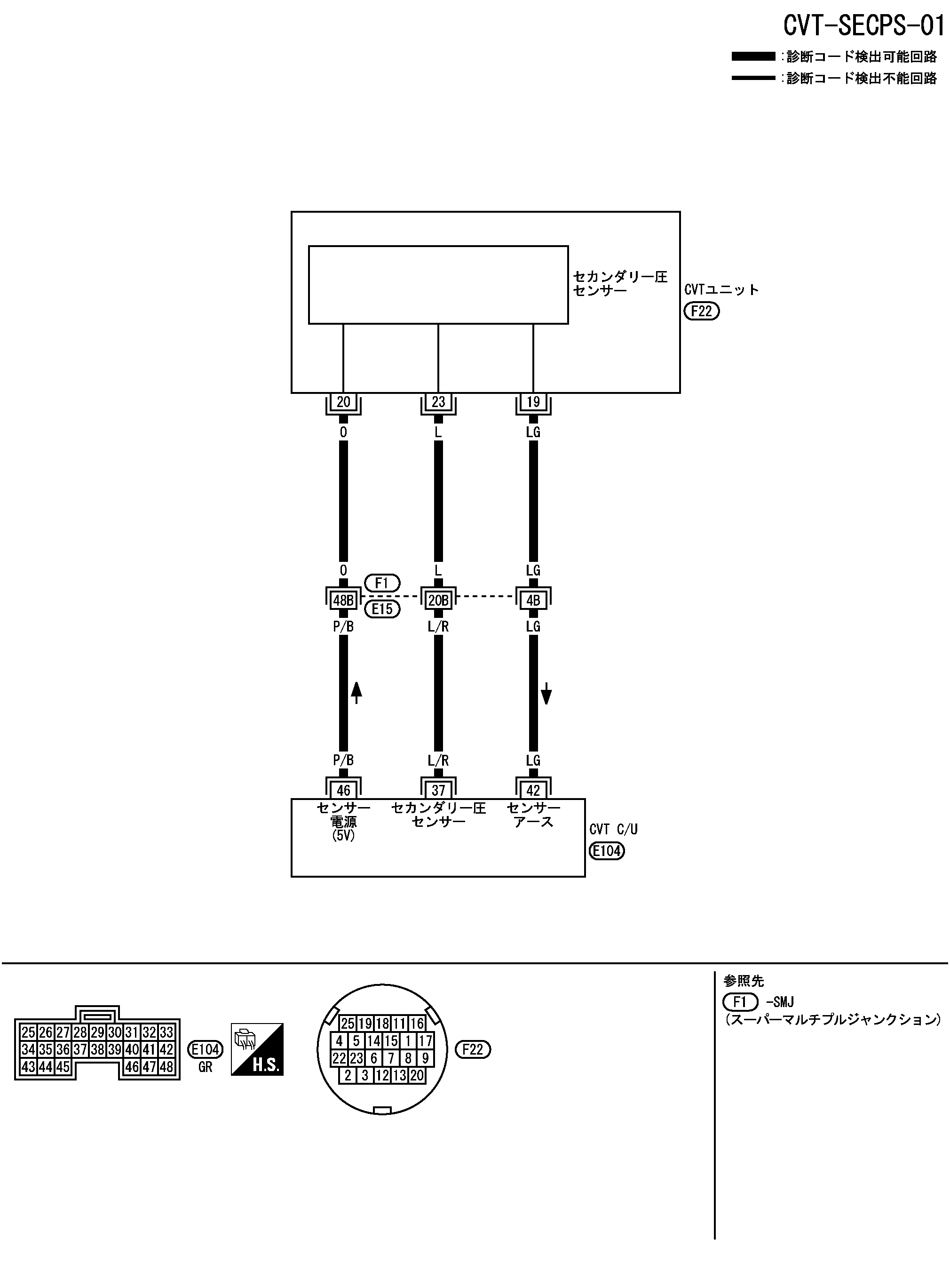
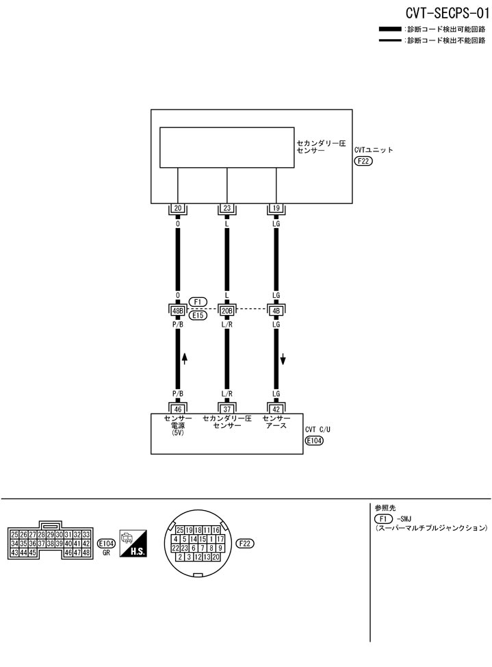
Схема подключения - secps - dtc p0840 Датчик вторичного давления масла
Схема подключения - secps - dtc p0840 Датчик вторичного давления масла
配線図 - SECPS -
📄
Открыть схему TCWB0607J.PDF
Предыдущий: Логика самодиагностики dtc p0840 датчик вторичного давления масла
Назад
Следующий: Процедура проверки dtc p0840 Датчик вторичного давления масла
Вперед
Необходимо поставить все оценки
'Поставьте галочку "Я не робот"'
Оцените статью
Отлично
Хорошо
Нормально
Плохо
Ужасно
Ваше имя *
Ваш E-mail *
Текст комментария *
Добавить комментарий
Закрыть