ВИЗАТОР
Японские автомобильные аукционы с акцентом на Nissan NV150 AD VY12
Главная
Новости
FAQ
Аукционы
Руководства по ремонту
Nissan Wingroad Y12: полное руководство по ремонту и обслуживанию на русском языке
Поиск
Вы здесь:
Главная
Руководства по ремонту
Nissan Wingroad Y12: полное руководство по ремонту и обслуживанию на русском языке
Трансмиссия
Вариатор (CVT)
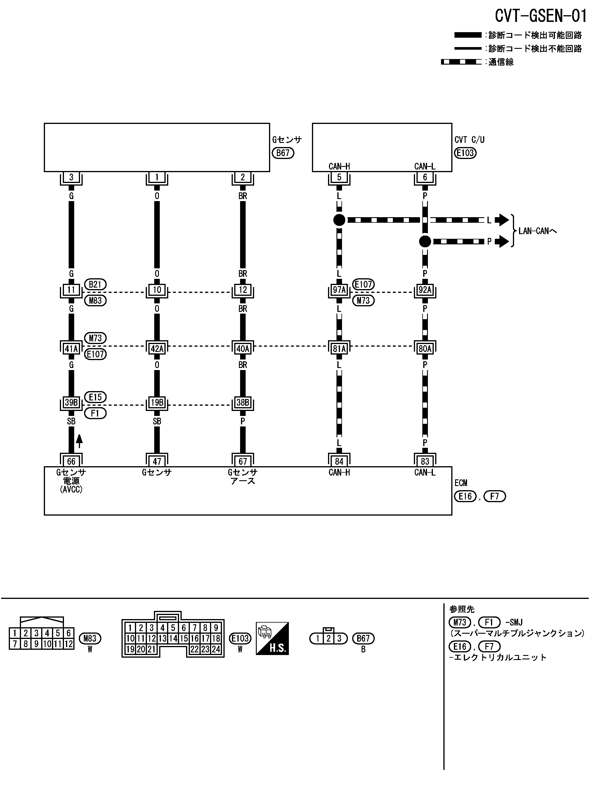
Схема подключения — ошибка датчика gsen-dtc p1585 g
Схема подключения — ошибка датчика gsen-dtc p1585 g
配線図 - GSEN-
📄
Открыть схему TCWB0610J.PDF
Предыдущий: Логика самодиагностики dtc p1585 g, неисправность датчика
Назад
Следующий: Процедура проверки dtc p1585 g неисправность датчика
Вперед
Необходимо поставить все оценки
'Поставьте галочку "Я не робот"'
Оцените статью
Отлично
Хорошо
Нормально
Плохо
Ужасно
Ваше имя *
Ваш E-mail *
Текст комментария *
Добавить комментарий
Закрыть