ВИЗАТОР
Японские автомобильные аукционы с акцентом на Nissan NV150 AD VY12
Главная
Новости
FAQ
Аукционы
Руководства по ремонту
Nissan Wingroad Y12: полное руководство по ремонту и обслуживанию на русском языке
Поиск
Вы здесь:
Главная
Руководства по ремонту
Nissan Wingroad Y12: полное руководство по ремонту и обслуживанию на русском языке
Трансмиссия
Автоматическая коробка передач (A/T)
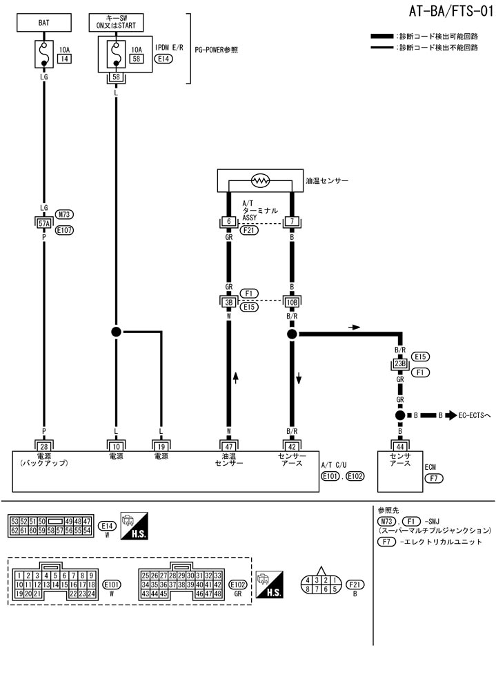
Схема подключения - BA/FTS - DTC Датчик напряжения аккумуляторной батареи/температуры масла
Схема подключения - BA/FTS - DTC Датчик напряжения аккумуляторной батареи/температуры масла
配線図 - BA/FTS -
📄
Открыть схему TCWB0488J.PDF
Предыдущий: Логика самодиагностики DTC, датчик напряжения аккумуляторной батареи/температуры масла
Назад
Следующий: Процедура проверки датчика напряжения аккумуляторной батареи/температуры масла DTC
Вперед
Необходимо поставить все оценки
'Поставьте галочку "Я не робот"'
Оцените статью
Отлично
Хорошо
Нормально
Плохо
Ужасно
Ваше имя *
Ваш E-mail *
Текст комментария *
Добавить комментарий
Закрыть