ВИЗАТОР
Японские автомобильные аукционы с акцентом на Nissan NV150 AD VY12
Главная
Новости
FAQ
Аукционы
Руководства по ремонту
Nissan Wingroad Y12: полное руководство по ремонту и обслуживанию на русском языке
Поиск
Вы здесь:
Главная
Руководства по ремонту
Nissan Wingroad Y12: полное руководство по ремонту и обслуживанию на русском языке
Рулевое управление
Система управления рулевым механизмом
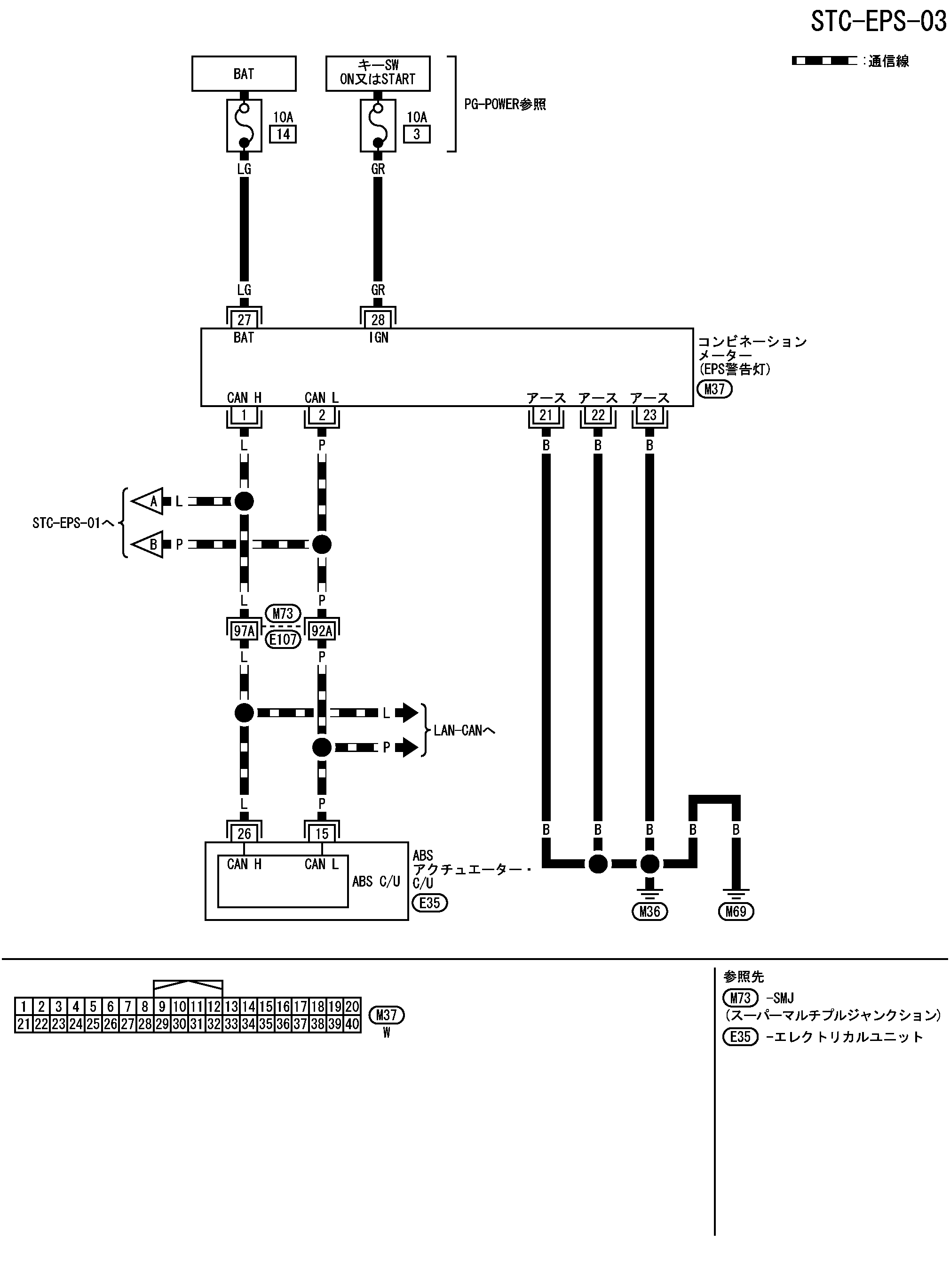
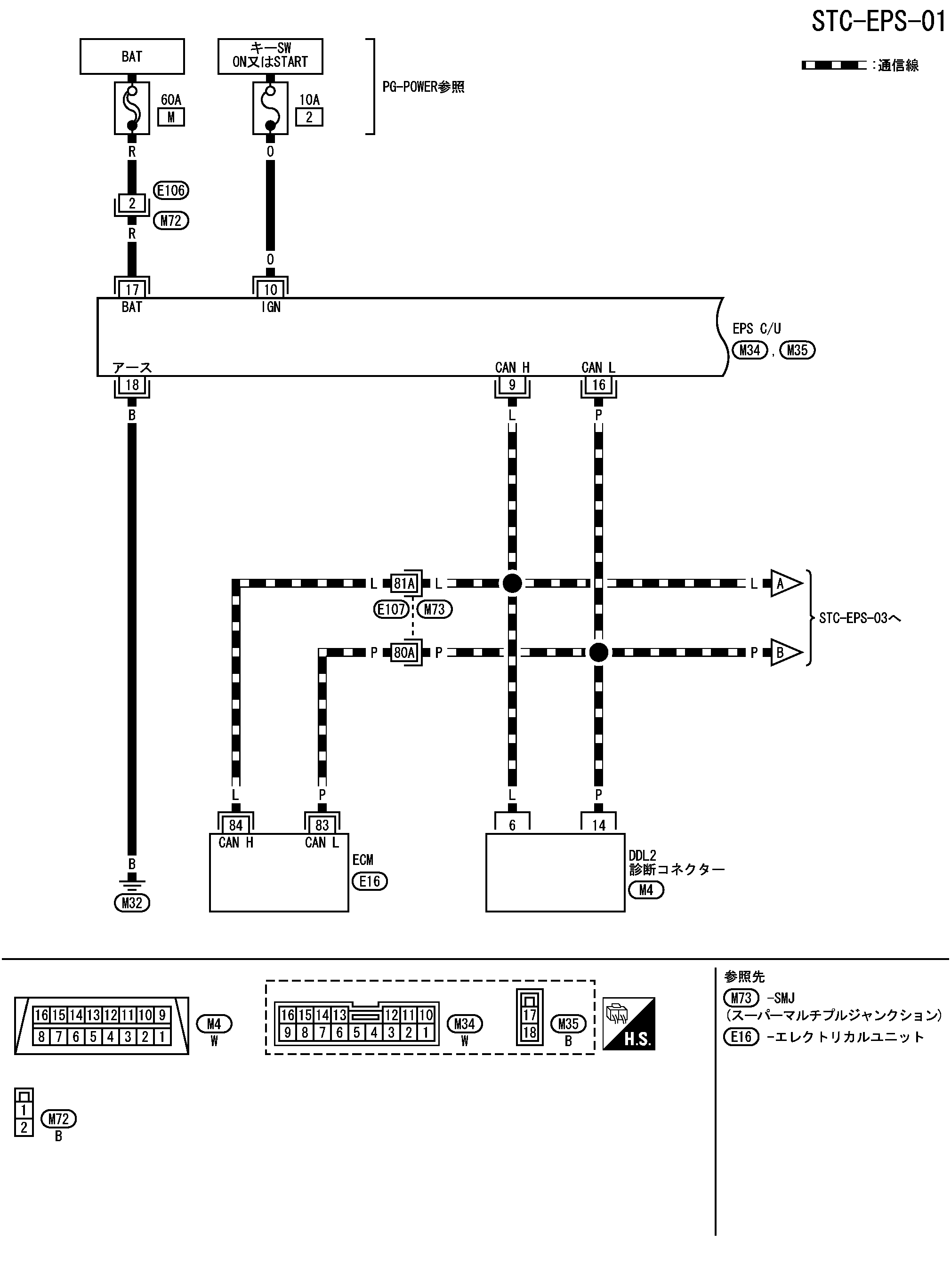
Схема подключения — eps — диагностика неисправностей
Схема подключения — eps — диагностика неисправностей
配線図 - EPS -
📄
Открыть схему TGWB0034J.PDF
📄
Открыть схему TGWB0021J.PDF
📄
Открыть схему TGWB0035J.PDF
Предыдущий: Схема диагностики неисправностей
Назад
Следующий: eps c/u входной/выходной сигнал, опорное значение, диагностика неисправностей
Вперед
Необходимо поставить все оценки
'Поставьте галочку "Я не робот"'
Оцените статью
Отлично
Хорошо
Нормально
Плохо
Ужасно
Ваше имя *
Ваш E-mail *
Текст комментария *
Добавить комментарий
Закрыть