Схема конфигурации
|
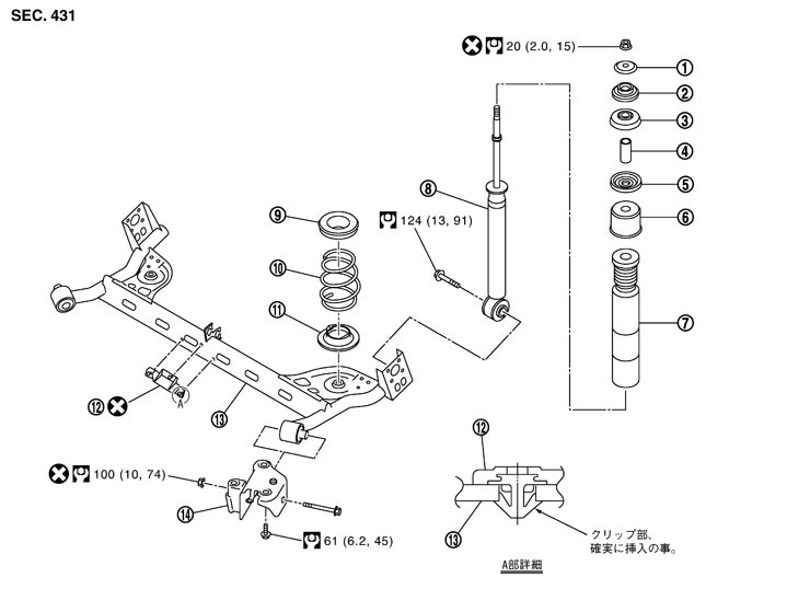
1. |
ワッシャー(アッパー) |
2. |
ブッシュ(アッパー) |
3. |
ブッシュ(ロア) |
|
4. |
ディスタンスチューブ |
5. |
ワッシャー(ロア) |
6. |
バウンドバンパーカバー |
|
7. |
バウンドバンパー |
8. |
ショックアブソーバー |
9. |
リヤスプリングラバーシート(アッパー) |
|
10. |
コイルスプリング |
11. |
リヤスプリングラバーシート(ロア) |
12. |
ブレーキチューブプロテクター(2WD車) |
|
13. |
リヤサスペンションビーム |
14. |
リヤサスペンションアームブラケット |
|
|
|
イラスト内のシンボルマークについては、部品構成図内で使用している記号一覧を参照する。 |
|||||