ВИЗАТОР
Японские автомобильные аукционы с акцентом на Nissan NV150 AD VY12
Главная
Новости
FAQ
Аукционы
Руководства по ремонту
Nissan Wingroad Y12: полное руководство по ремонту и обслуживанию на русском языке
Поиск
Вы здесь:
Главная
Руководства по ремонту
Nissan Wingroad Y12: полное руководство по ремонту и обслуживанию на русском языке
Кузов
Стекла, окна, зеркала
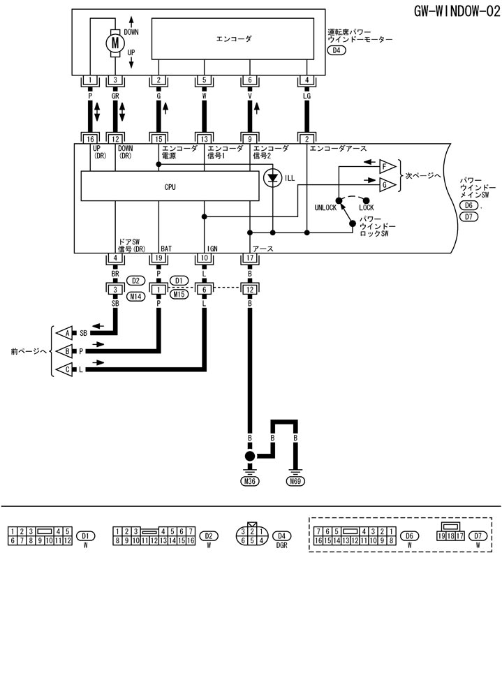
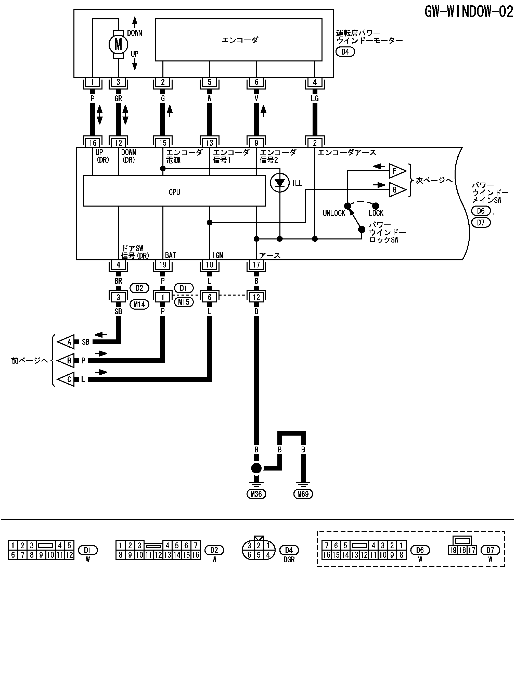
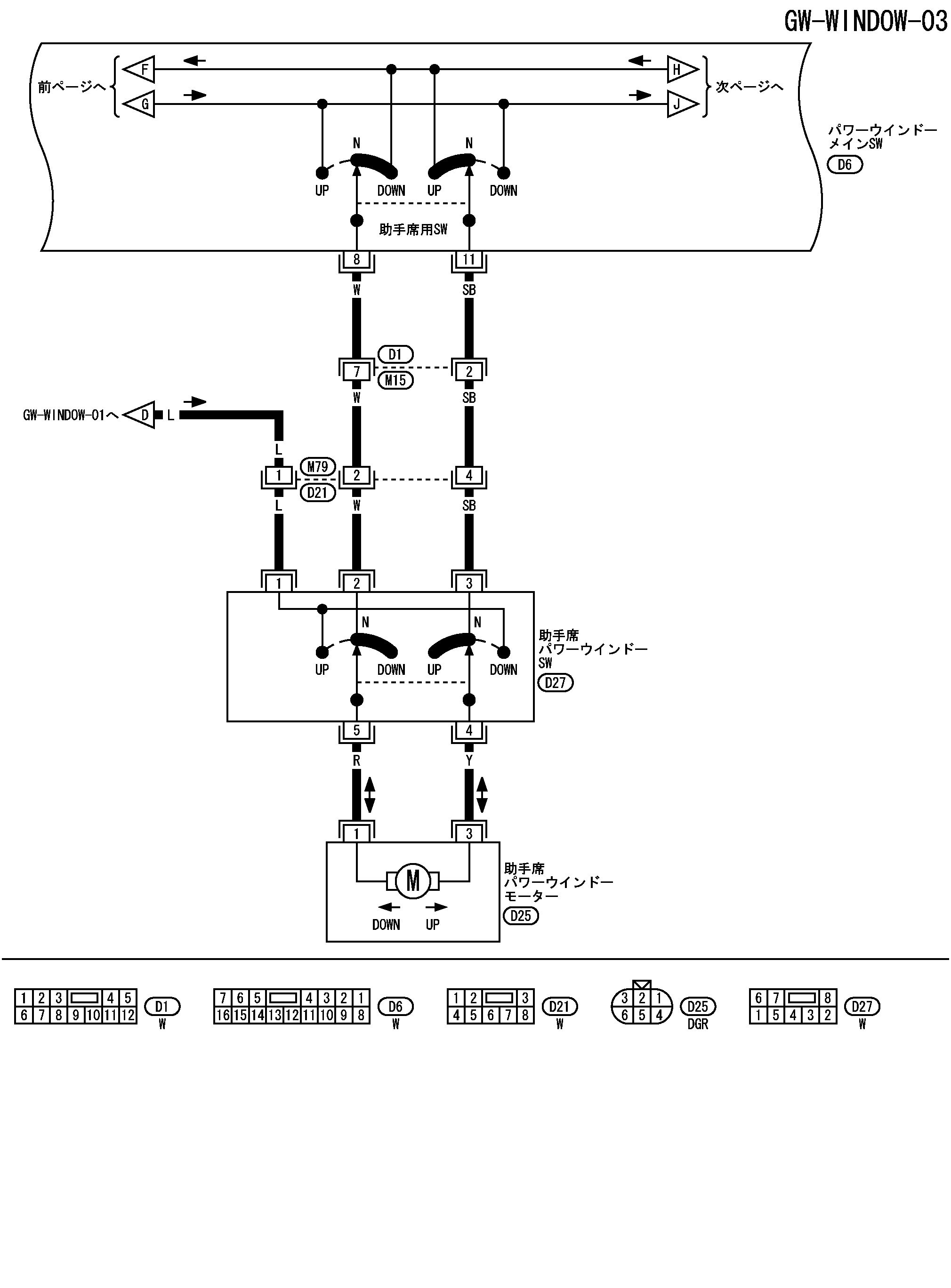
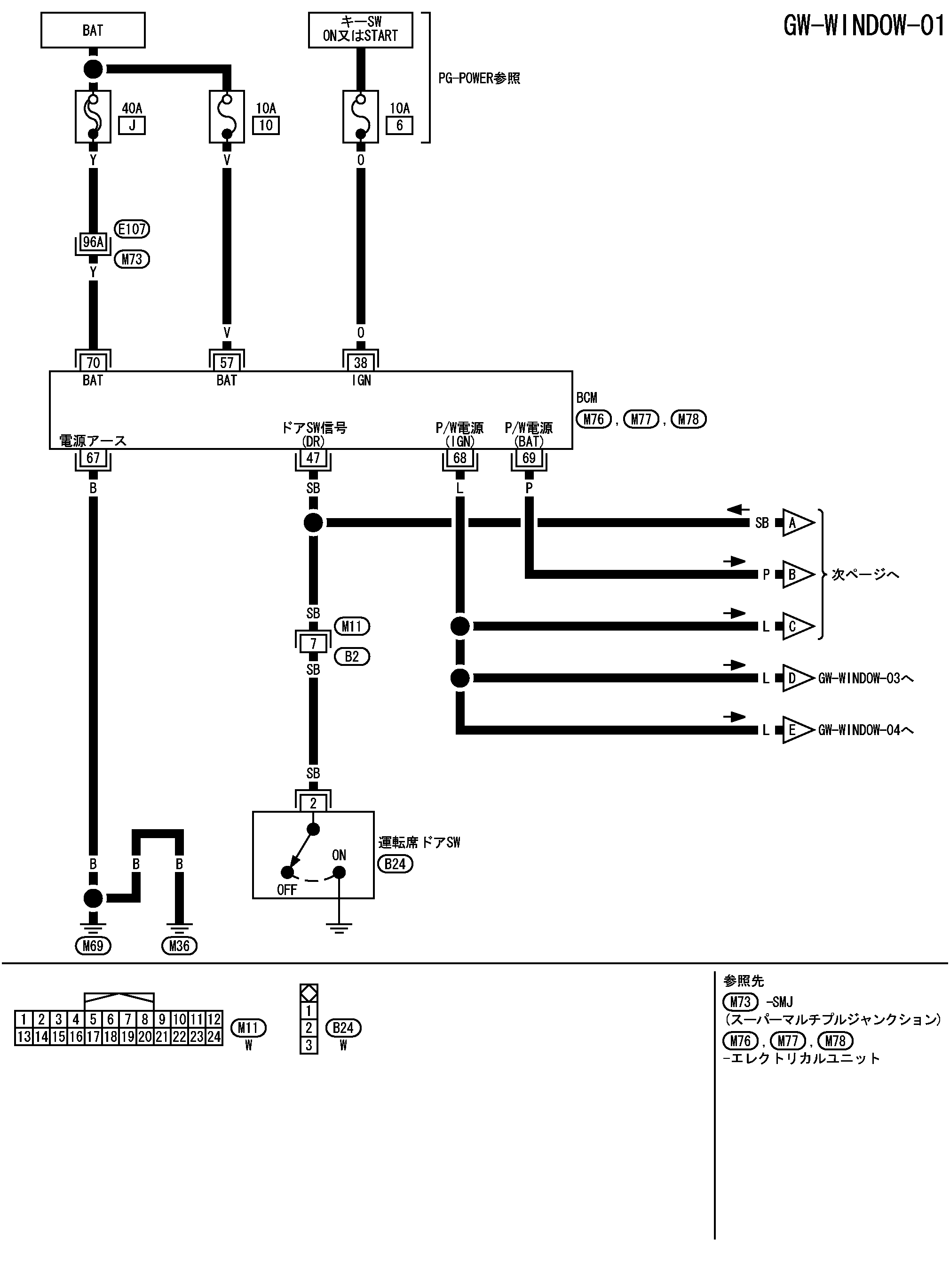
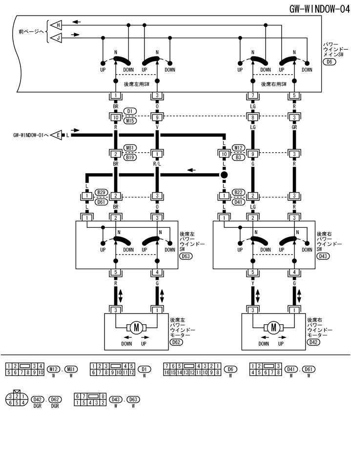
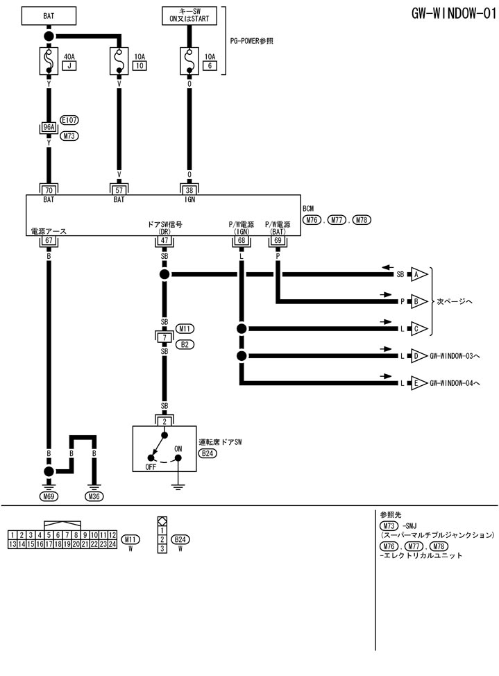
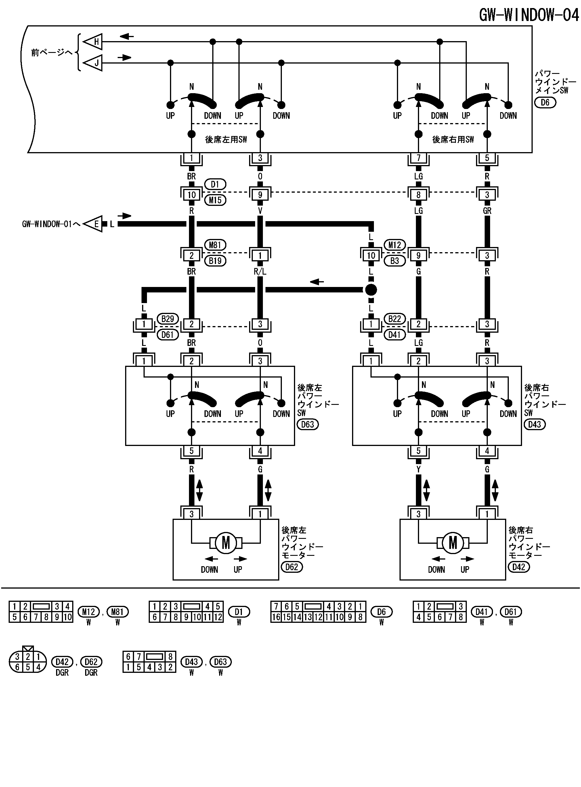
Схема подключения - окна - электрические стеклоподъемники
Схема подключения - окна - электрические стеклоподъемники
配線図 - WINDOW -
📄
Открыть схему TIWB1556J.PDF
📄
Открыть схему TIWB0871J.PDF
📄
Открыть схему TIWB0872J.PDF
📄
Открыть схему TIWB1557J.PDF
Предыдущий: Схема системы электрических стеклоподъемников
Назад
Следующий: Опорное значение входного/выходного сигнала главного переключателя электрического стеклоподъемника Система электрических стеклоподъемников
Вперед
Необходимо поставить все оценки
'Поставьте галочку "Я не робот"'
Оцените статью
Отлично
Хорошо
Нормально
Плохо
Ужасно
Ваше имя *
Ваш E-mail *
Текст комментария *
Добавить комментарий
Закрыть