Обзор системы

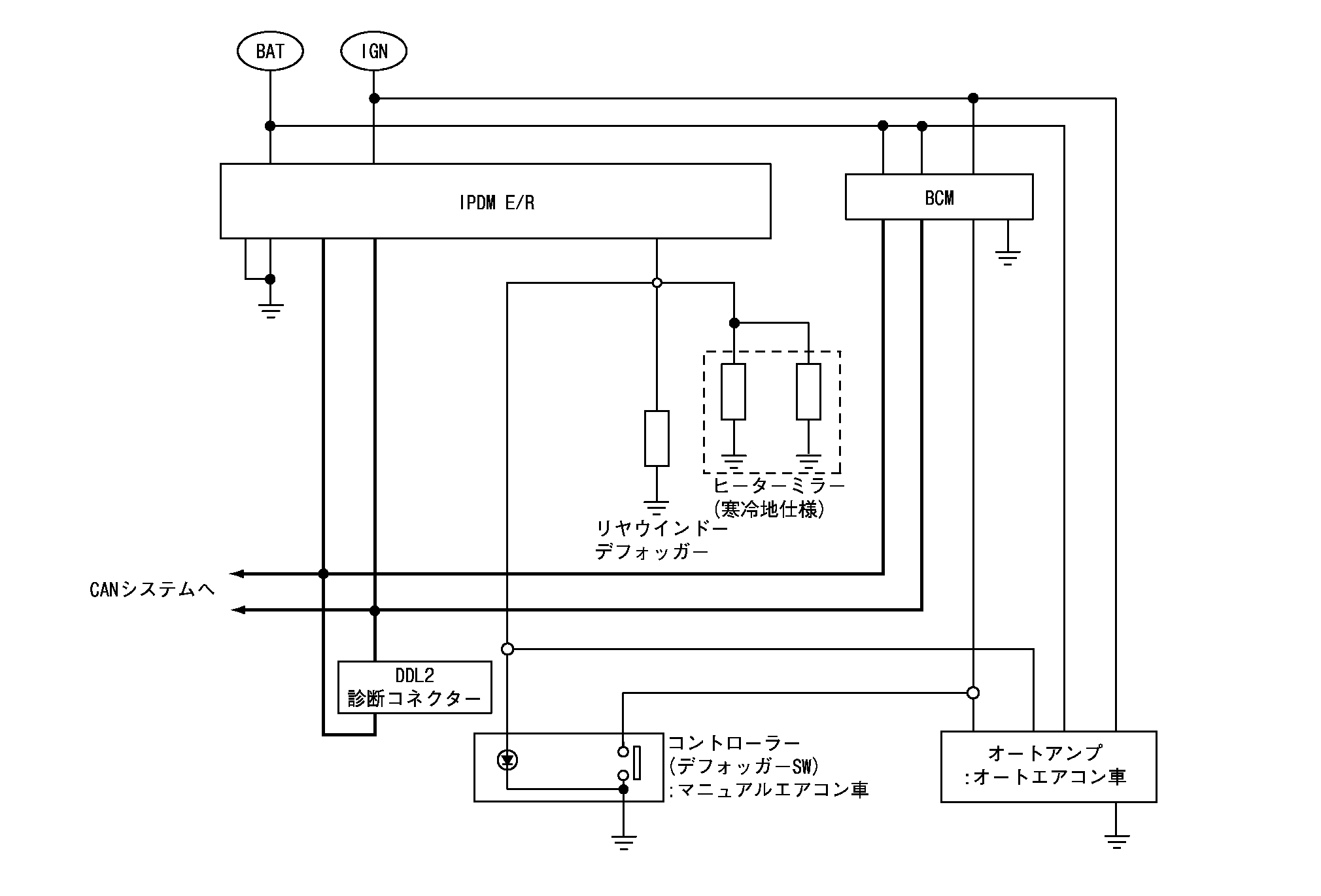
システム図

作動概要
- キースイッチON時、リヤウインドーデフォッガースイッチをONにするとBCMがそれを検出し、CAN通信を使用してIPDM E/RにリヤウインドーデフォッガーSW信号を約15分間送信する。
- リヤウインドーデフォッガーSW信号を受信したIPDM E/RはリヤウインドーデフォッガーリレーをONにする。またCAN通信を使用してECMにリヤウインドーデフォッガーON信号を送信する。
- リヤウインドーデフォッガーリレーがONになるとリヤウインドーデフォッガー及びヒーターミラー(寒冷地仕様)に電源が供給され作動する。

タイマー機能
- キースイッチON時、リヤウインドーデフォッガースイッチをONにするとBCMがIPDM E/RにリヤウインドーデフォッガーSW信号を約15分間送信し、IPDM E/Rはリヤウインドーデフォッガー、ヒーターミラー(寒冷地仕様)を作動させる。
- タイマー作動中、リヤウインドーデフォッガースイッチを再度押すとタイマーがキャンセルされ、BCM はリヤウインドーデフォッガーSW信号の出力を停止する。また、タイマー作動中にキースイッチをOFFにした時点でも同様である。