ВИЗАТОР
Японские автомобильные аукционы с акцентом на Nissan NV150 AD VY12
Главная
Новости
FAQ
Аукционы
Руководства по ремонту
Nissan Wingroad Y12: полное руководство по ремонту и обслуживанию на русском языке
Поиск
Вы здесь:
Главная
Руководства по ремонту
Nissan Wingroad Y12: полное руководство по ремонту и обслуживанию на русском языке
Кузов
Кузов, замки, безопасность
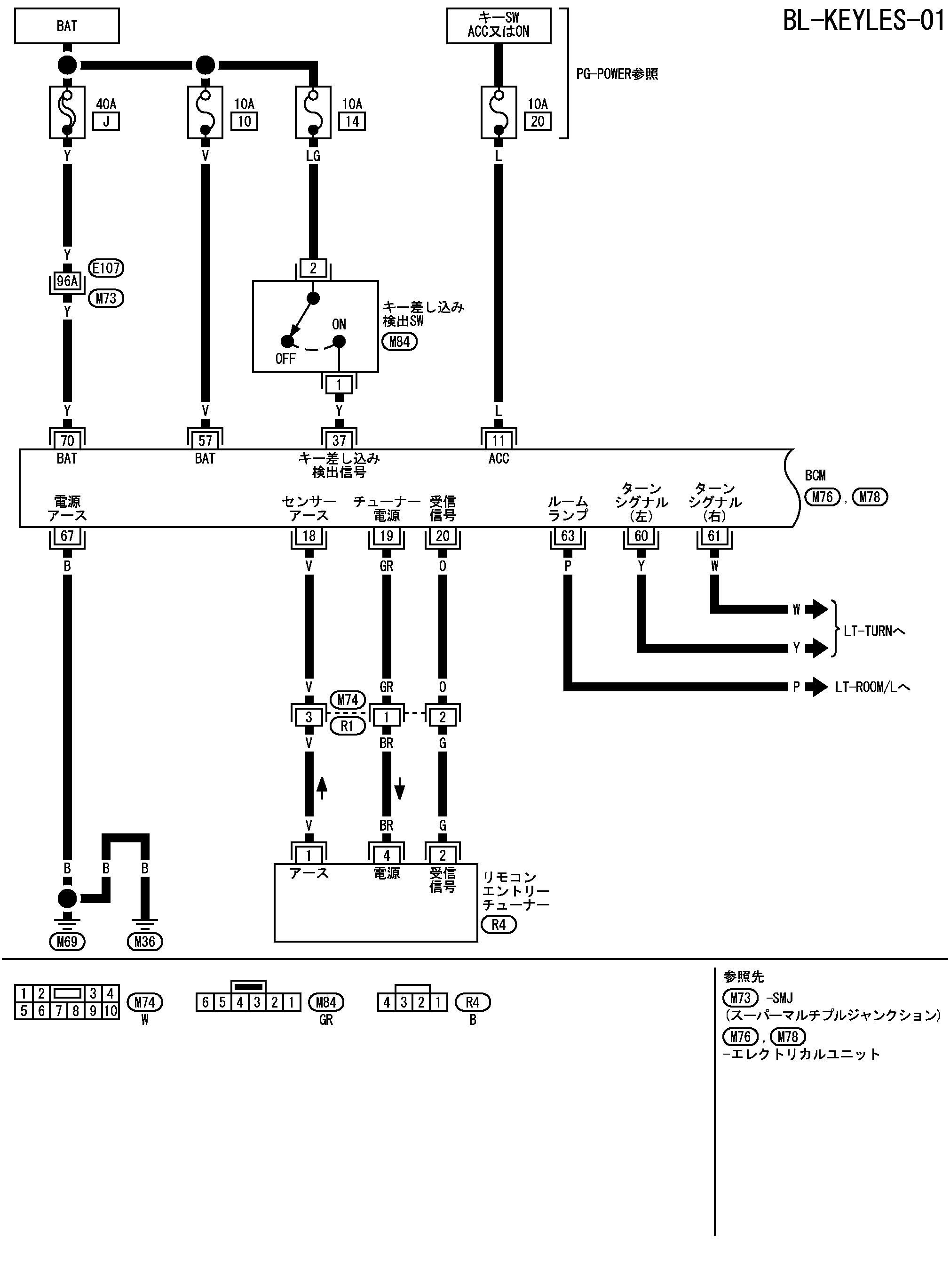
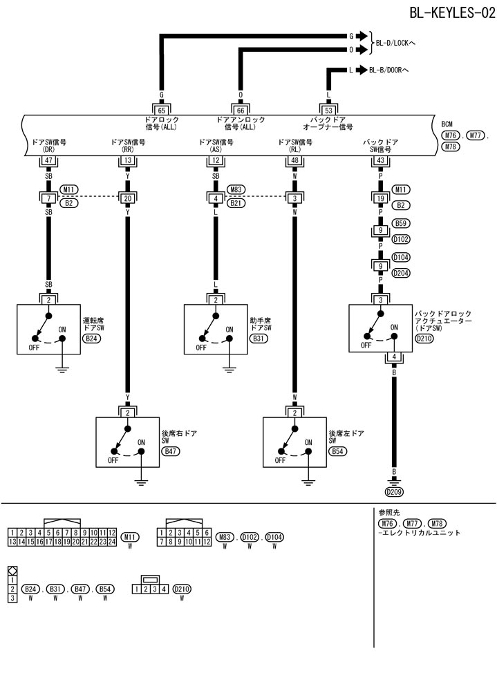
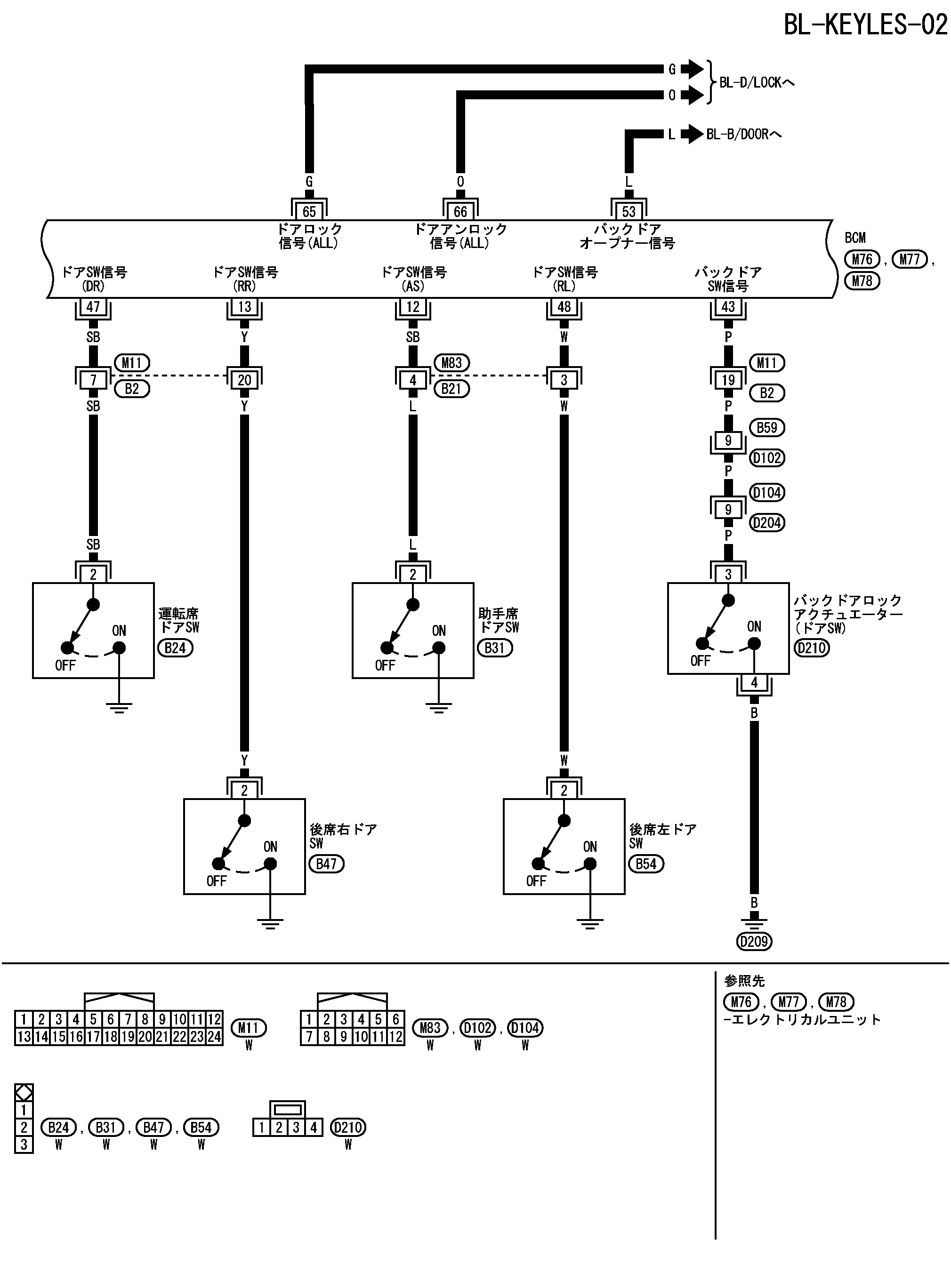
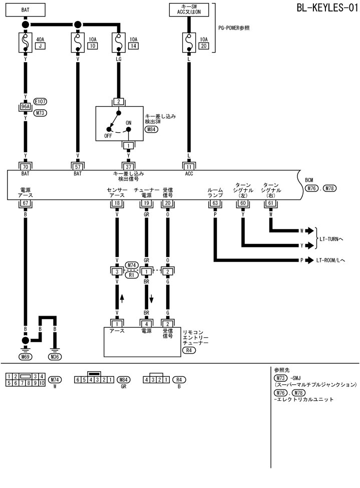
Схема подключения - ключи - система входа с дистанционным управлением
Схема подключения - ключи - система входа с дистанционным управлением
配線図 - KEYLES -
📄
Открыть схему TIWB1330J.PDF
📄
Открыть схему TIWB1544J.PDF
📄
Открыть схему TIWB0851J.PDF
Предыдущий: Схема системы входа с дистанционным управлением
Назад
Следующий: Опорное значение входного/выходного сигнала bcm, система дистанционного управления, вход
Вперед
Необходимо поставить все оценки
'Поставьте галочку "Я не робот"'
Оцените статью
Отлично
Хорошо
Нормально
Плохо
Ужасно
Ваше имя *
Ваш E-mail *
Текст комментария *
Добавить комментарий
Закрыть