ВИЗАТОР
Японские автомобильные аукционы с акцентом на Nissan NV150 AD VY12
Главная
Новости
FAQ
Аукционы
Руководства по ремонту
Nissan Wingroad Y12: полное руководство по ремонту и обслуживанию на русском языке
Поиск
Вы здесь:
Главная
Руководства по ремонту
Nissan Wingroad Y12: полное руководство по ремонту и обслуживанию на русском языке
Кузов
Кузов, замки, безопасность
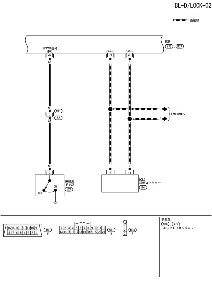
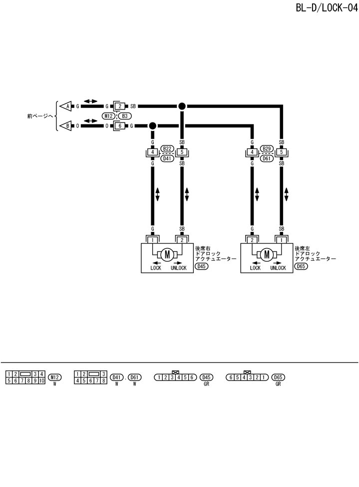
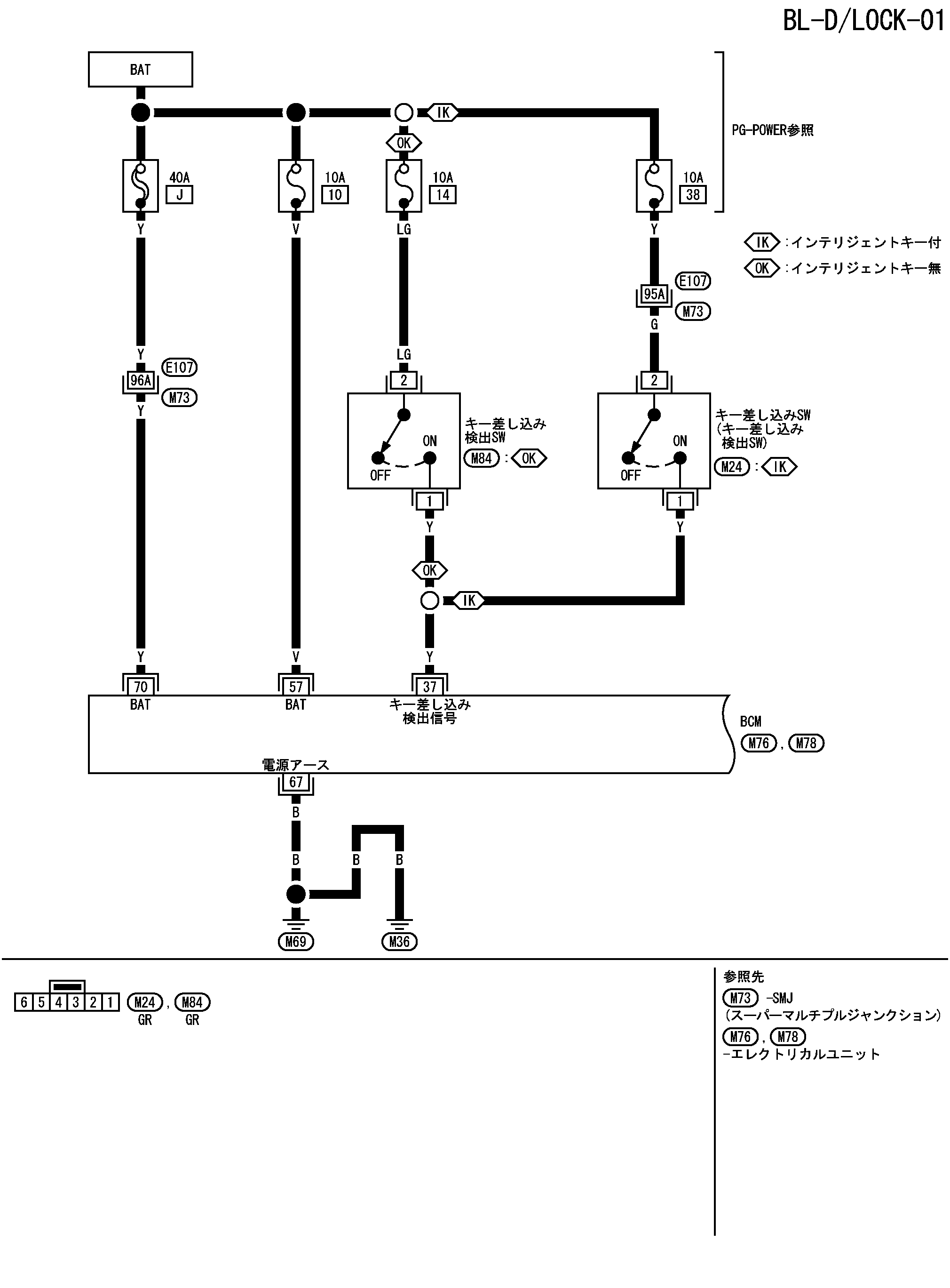
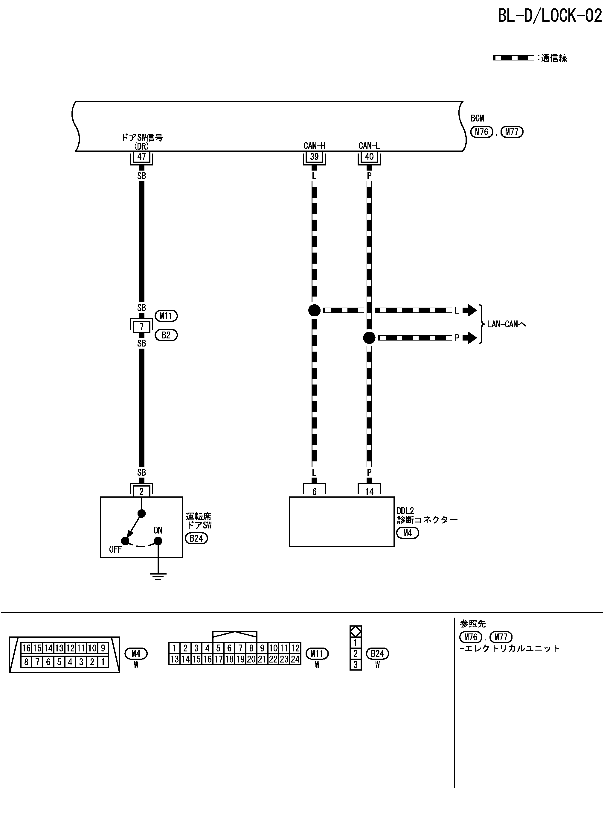
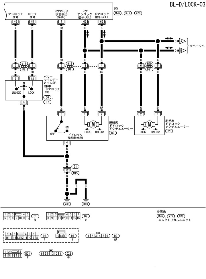
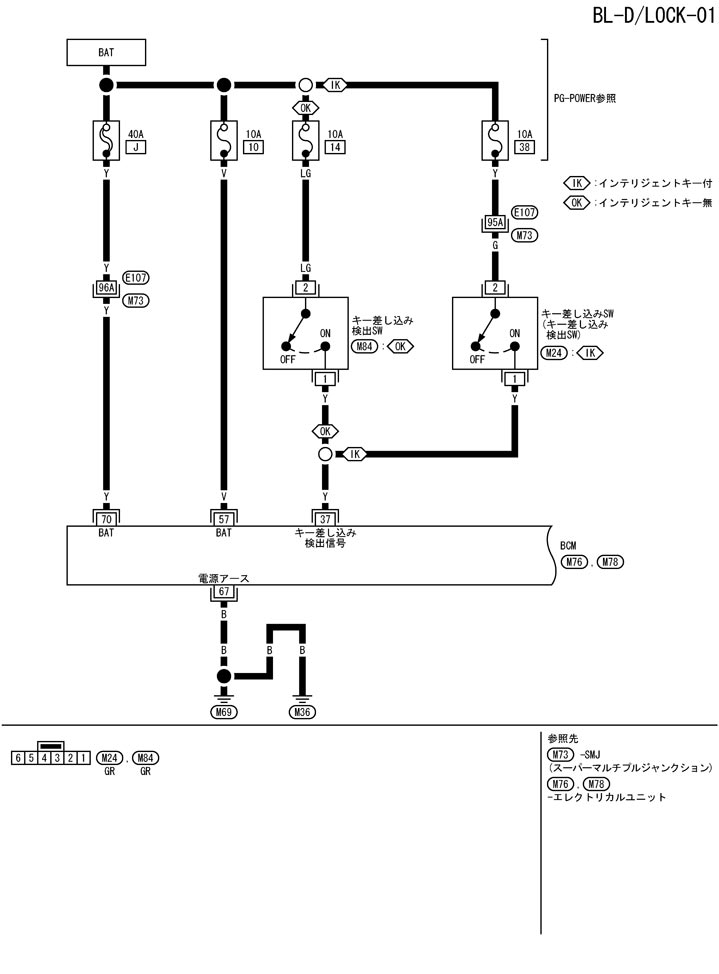
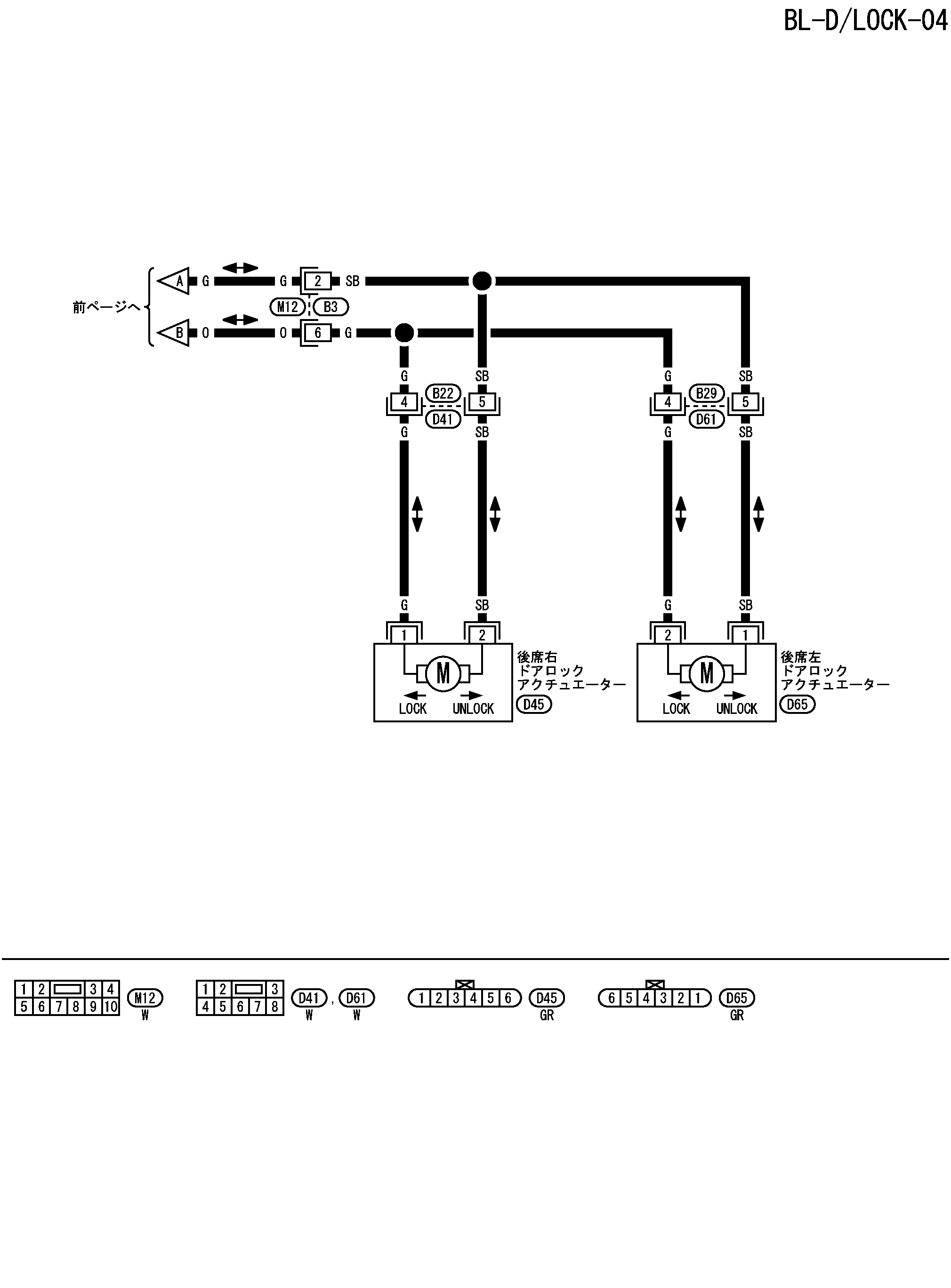
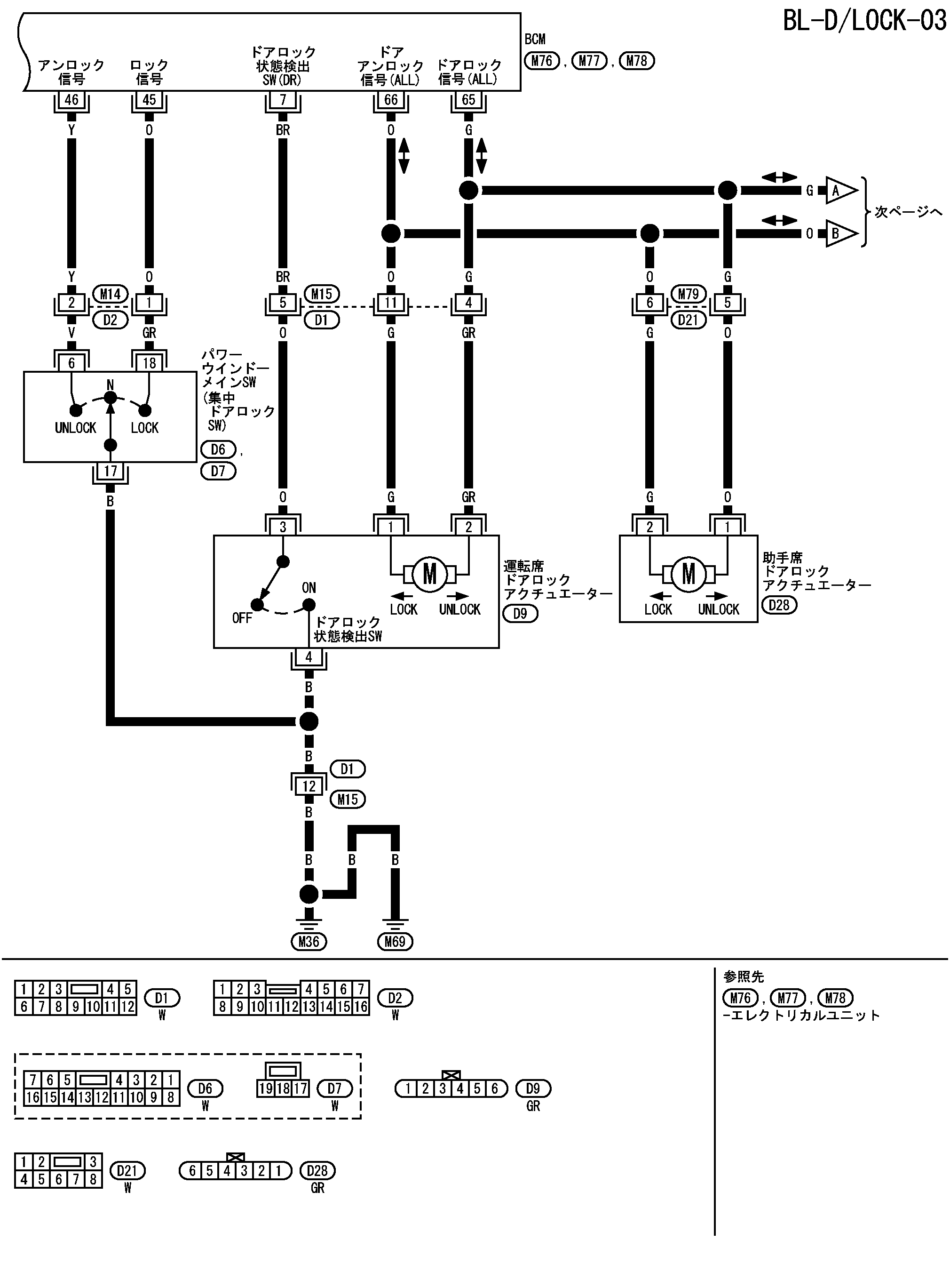
Схема подключения - д/замок - система центрального замка двери
Схема подключения - д/замок - система центрального замка двери
配線図 - D/LOCK -
📄
Открыть схему TIWB1327J.PDF
📄
Открыть схему TIWB1543J.PDF
📄
Открыть схему TIWB0846J.PDF
📄
Открыть схему TIWB1329J.PDF
Предыдущий: Схема центрального замка двери
Назад
Следующий: Базовое значение входного/выходного сигнала bcm централизованная система дверных замков
Вперед
Необходимо поставить все оценки
'Поставьте галочку "Я не робот"'
Оцените статью
Отлично
Хорошо
Нормально
Плохо
Ужасно
Ваше имя *
Ваш E-mail *
Текст комментария *
Добавить комментарий
Закрыть