ВИЗАТОР
Японские автомобильные аукционы с акцентом на Nissan NV150 AD VY12
Главная
Новости
FAQ
Аукционы
Руководства по ремонту
Nissan Wingroad Y12: полное руководство по ремонту и обслуживанию на русском языке
Поиск
Вы здесь:
Главная
Руководства по ремонту
Nissan Wingroad Y12: полное руководство по ремонту и обслуживанию на русском языке
Кузов
Кузов, замки, безопасность
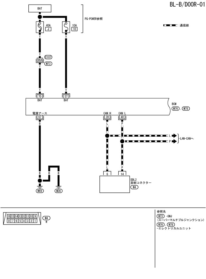
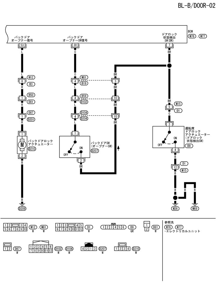
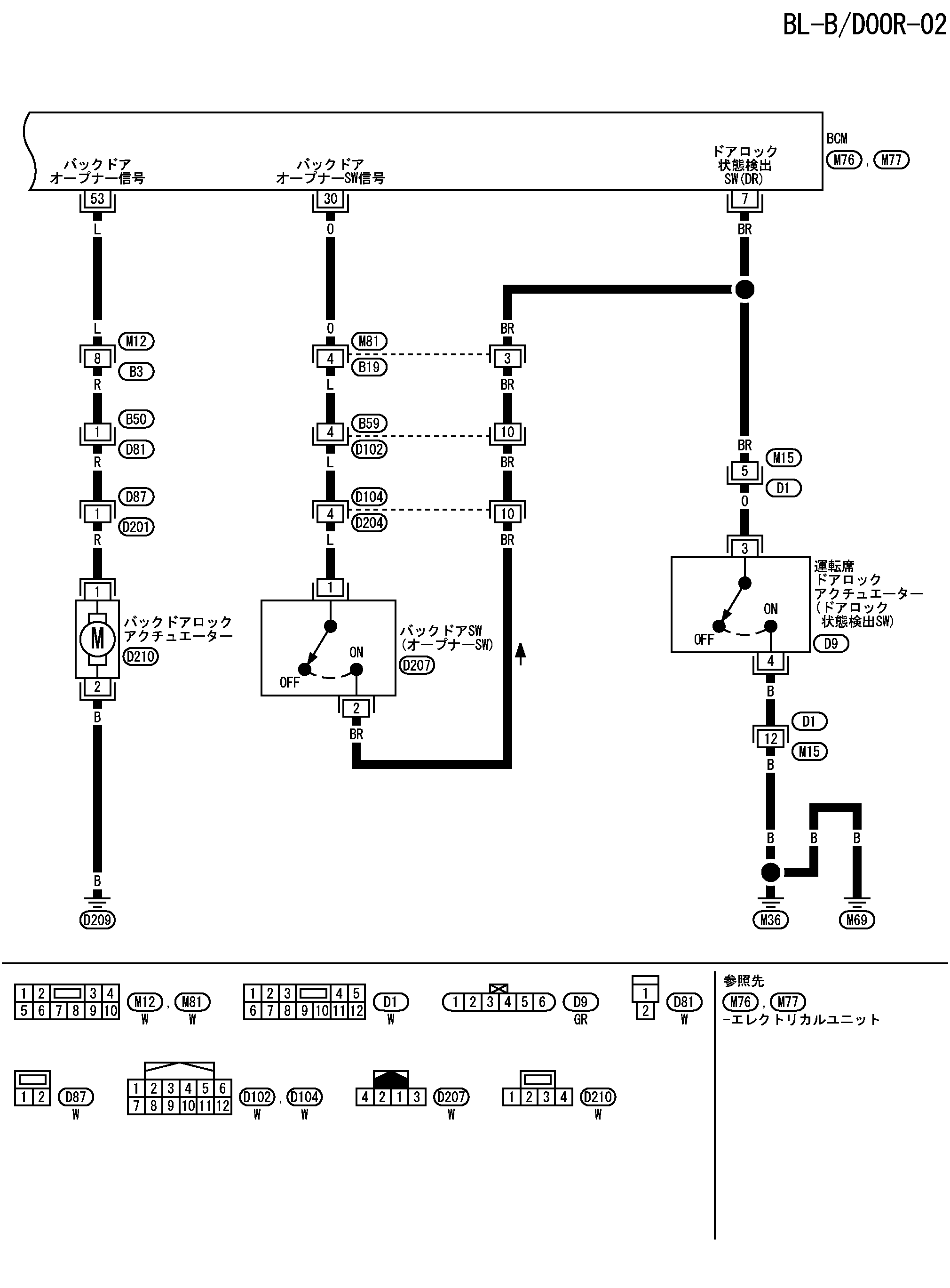
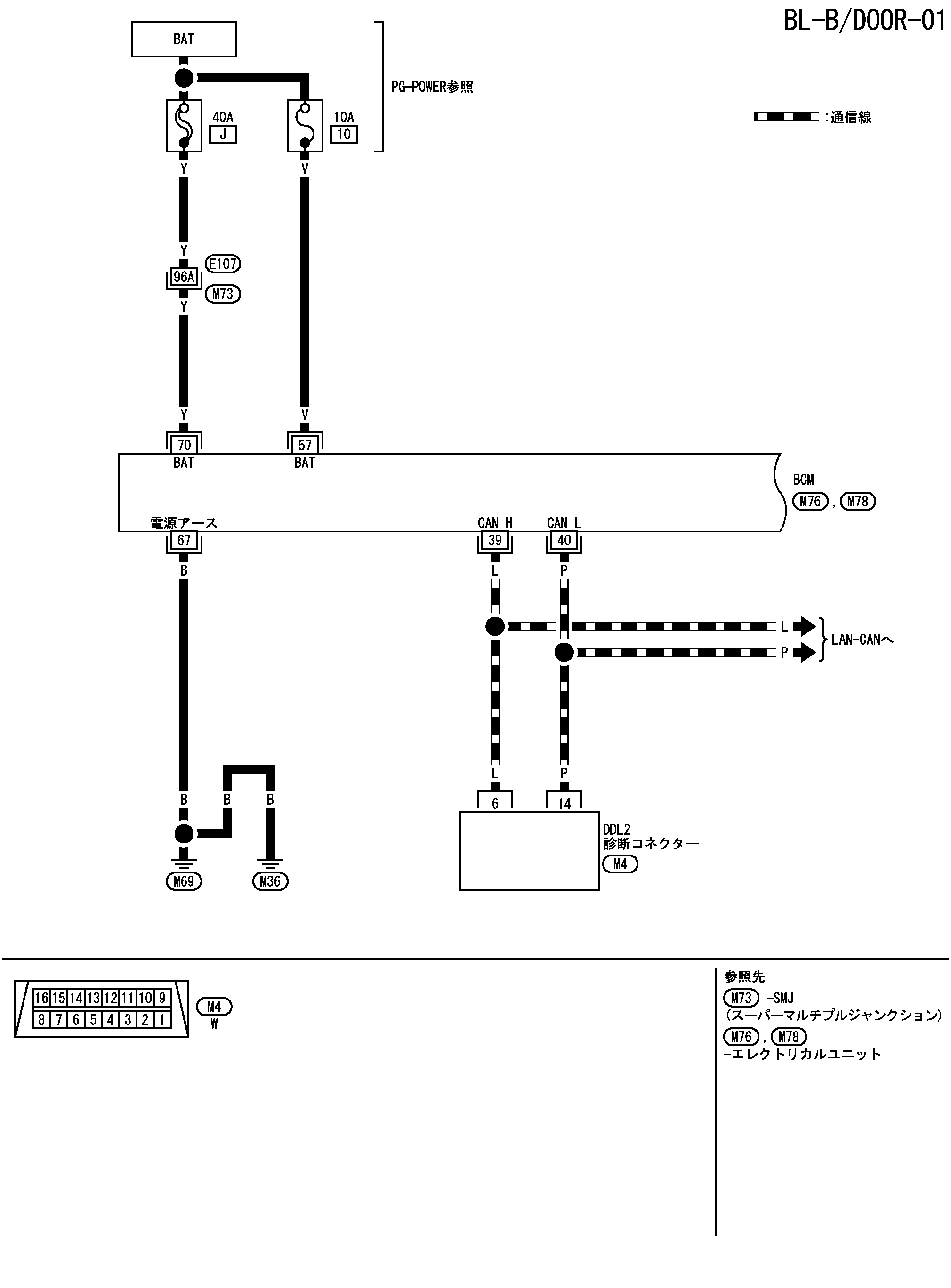
Схема подключения — б/дверь — механизм открывания задней двери
Схема подключения — б/дверь — механизм открывания задней двери
配線図 - B/DOOR -
📄
Открыть схему TIWB1339J.PDF
📄
Открыть схему TIWB1553J.PDF
Предыдущий: Схема открывания задней двери
Назад
Следующий: Эталонное значение входного/выходного сигнала bcm Устройство открывания задней двери
Вперед
Необходимо поставить все оценки
'Поставьте галочку "Я не робот"'
Оцените статью
Отлично
Хорошо
Нормально
Плохо
Ужасно
Ваше имя *
Ваш E-mail *
Текст комментария *
Добавить комментарий
Закрыть