Обзор системы
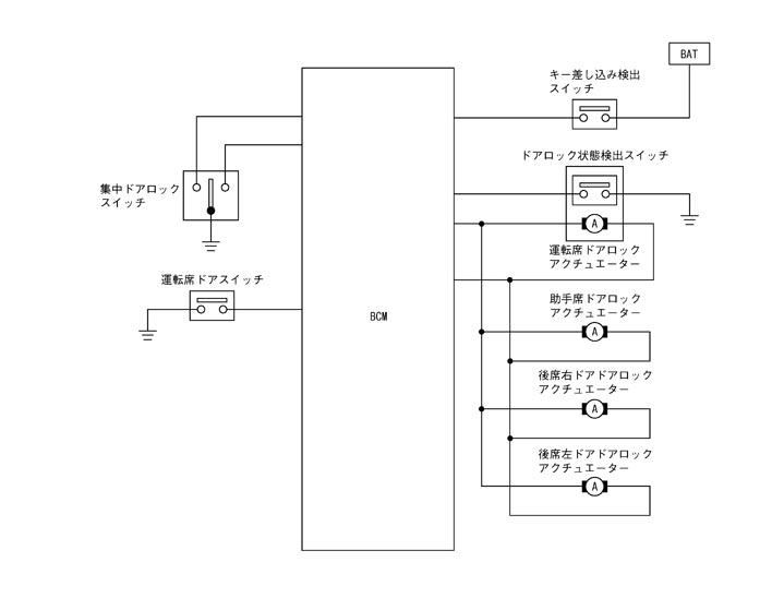
システム図
作動概要BCMの制御により、運転席ドアキーシリンダー、運転席ドアロックノブ及び集中ドアロックスイッチ操作による各ドアの施錠(ロック)、解錠(アンロック)を可能とした。
| 操作 | 運転席ドア | 助手席ドア | 後席左右 ドア | ||
| 運転席 | ドアキーシリンダー | 解錠又は施錠 | 連動 | ← | ← |
| ドアロックノブ | 解錠又は施錠 | 連動 | ← | ← | |
| 集中ドアロックスイッチ (P/Wメインスイッチ内) | 解錠又は施錠 | 連動 | ← | ← | |
| 助手席 | ドアロックノブ | 解錠又は施錠 | 連動せず | 自席のみ解錠 又は施錠 | 連動せず |
| 後席左右 | ドアロックノブ | 解錠又は施錠 | 連動せず | ← | 自席のみ解錠 又は施錠 |
キー封じ込み防止機能キーがイグニッションキーシリンダーに差された状態かつ運転席ドアが開けられた状態(キー差し込み検出スイッチと運転席ドアスイッチが共にON状態)で、運転席ドアロックノブ又は集中ドアロックスイッチでロック操作を行うと、一度全ドアがロックされるが、続けてすぐに全ドアをアンロックさせ、キーの封じ込み防止する。
オーバーライド機構運転席ドアロックノブがロック状態からインサイドハンドルを引くと、そのままドアロック解錠と共にドアを開けることができる。同時に全席ドアロックを解錠する。