ВИЗАТОР
Японские автомобильные аукционы с акцентом на Nissan NV150 AD VY12
Главная
Новости
FAQ
Аукционы
Руководства по ремонту
Nissan Wingroad Y12: полное руководство по ремонту и обслуживанию на русском языке
Поиск
Вы здесь:
Главная
Руководства по ремонту
Nissan Wingroad Y12: полное руководство по ремонту и обслуживанию на русском языке
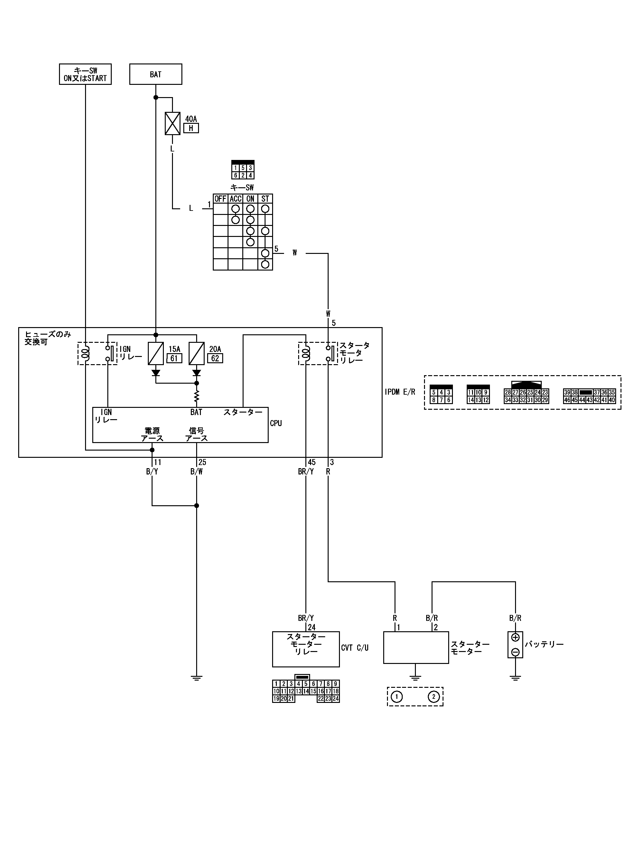
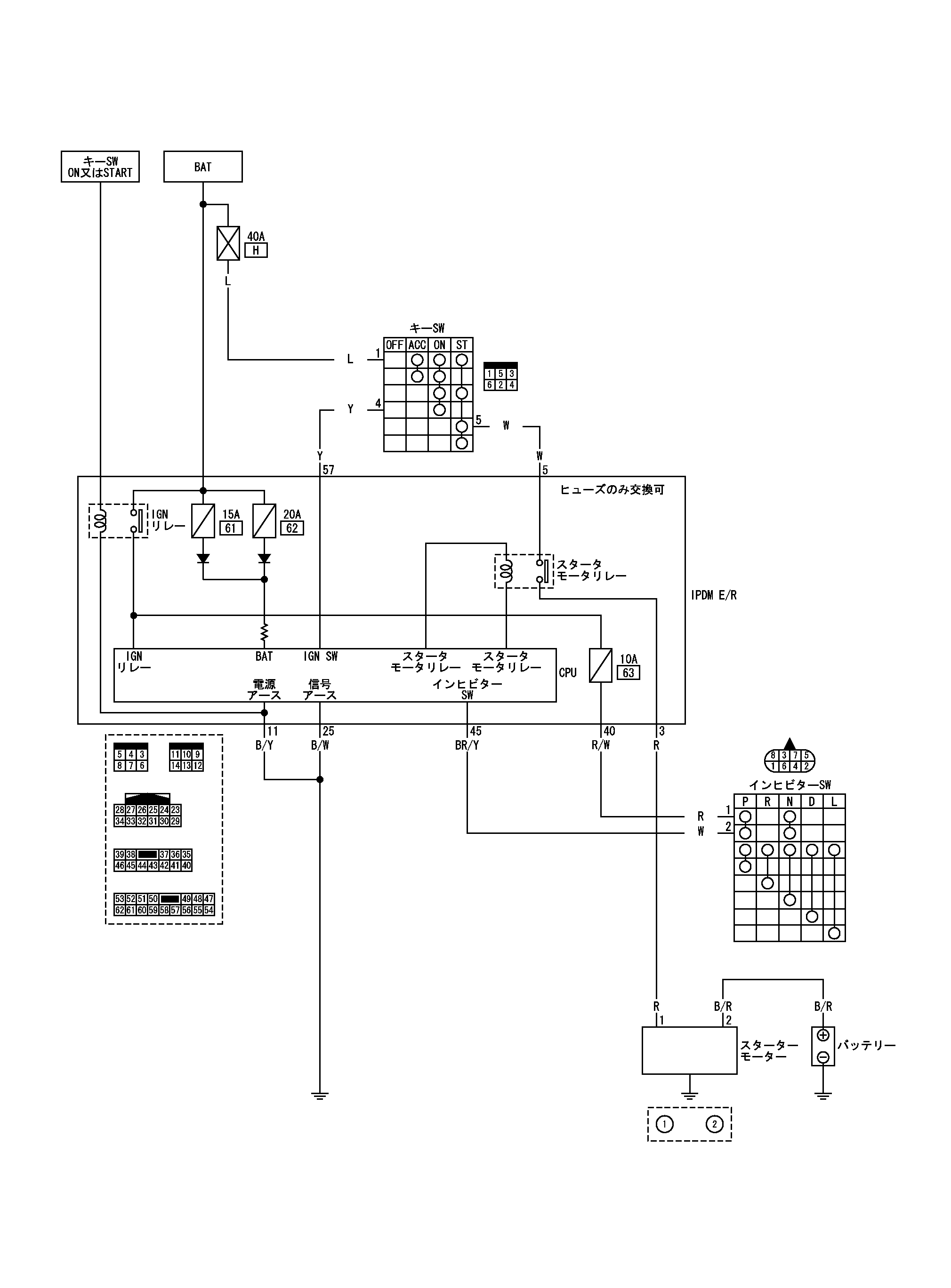
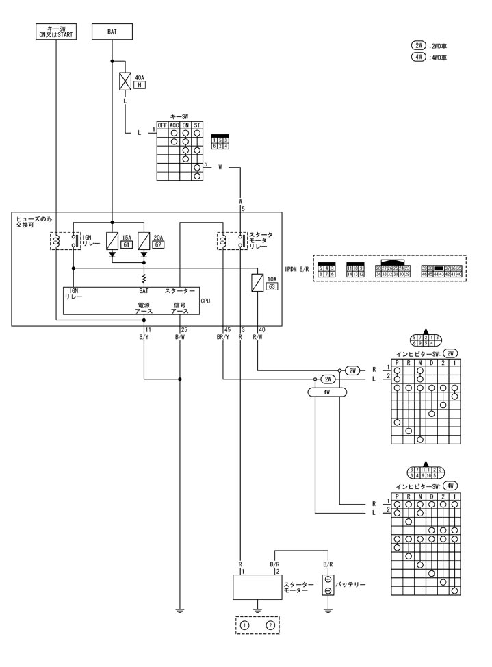
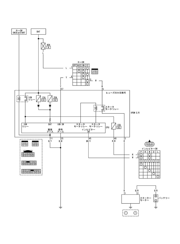
Электрооборудование
Система запуска и зарядки
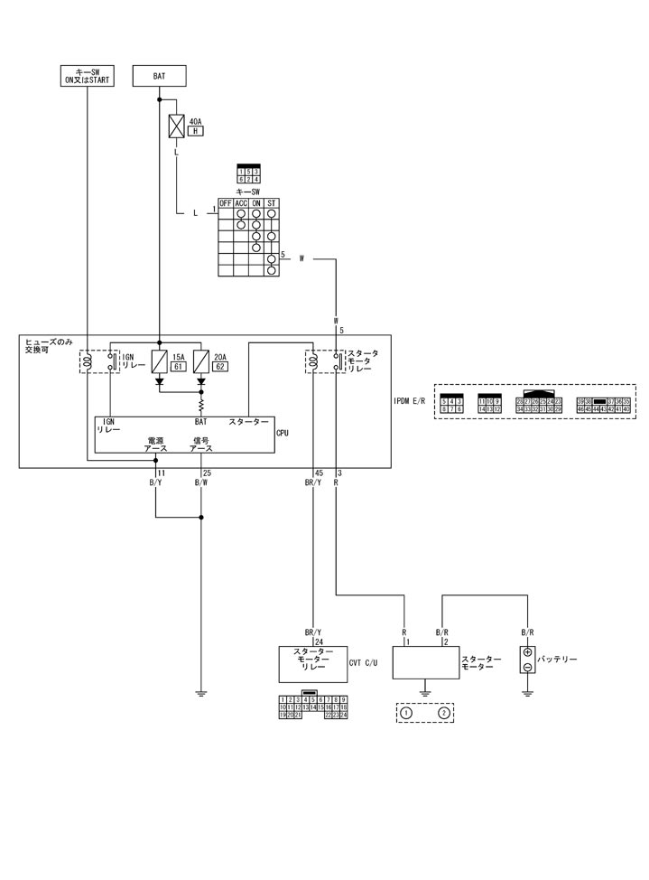
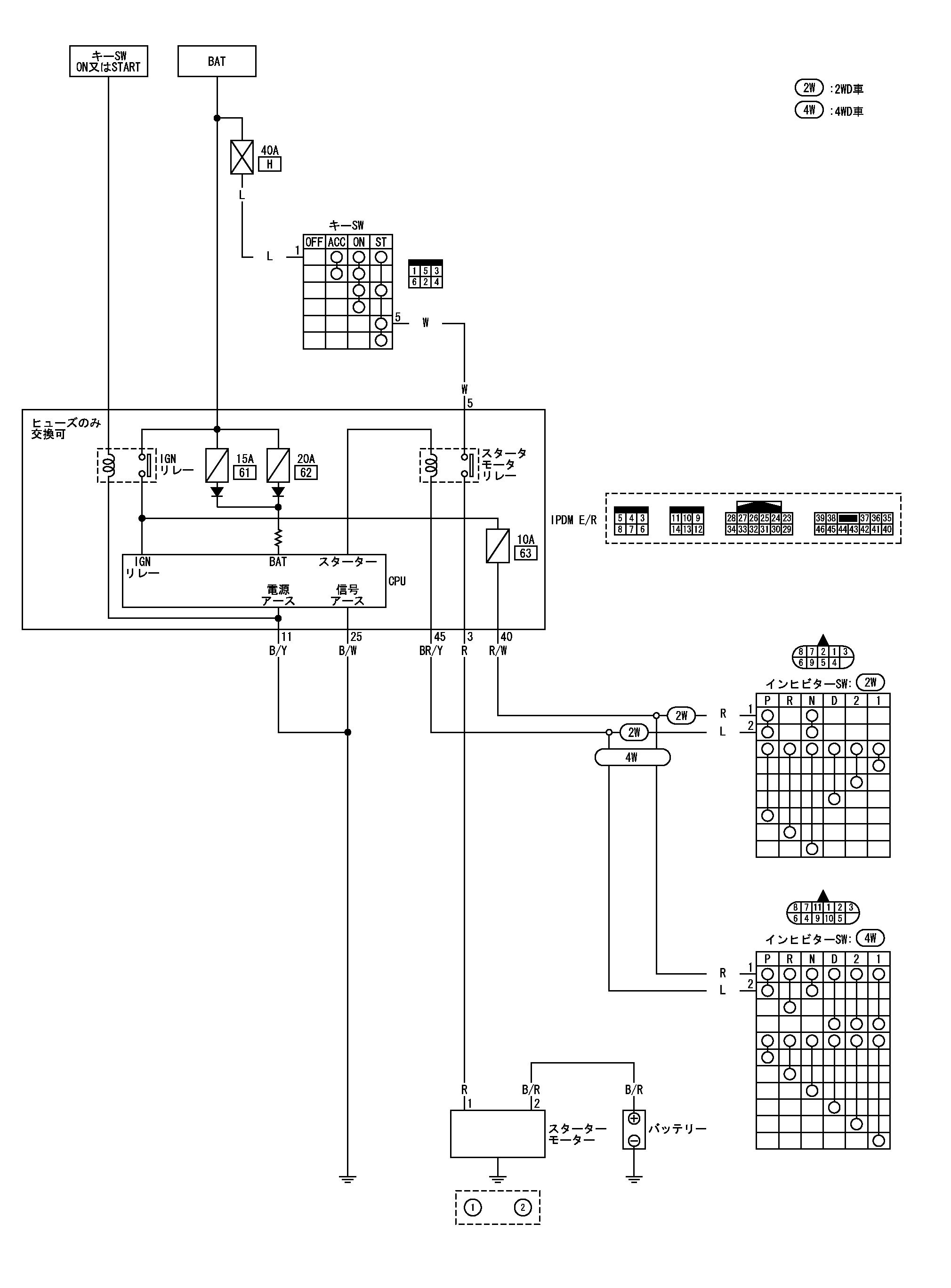
Схематическая система запуска
Схематическая система запуска
принципиальная схема
A/T車
📄
Открыть схему TKWB4450J.PDF
CVT車(HR15DE)
📄
Открыть схему TKWB4451J.PDF
CVT車(MR18DE)
📄
Открыть схему TKWB4615J.PDF
Предыдущий: Снятие и установка аккумулятораАккумулятор
Назад
Следующий: Схема подключения – пуск – система запуска
Вперед
Необходимо поставить все оценки
'Поставьте галочку "Я не робот"'
Оцените статью
Отлично
Хорошо
Нормально
Плохо
Ужасно
Ваше имя *
Ваш E-mail *
Текст комментария *
Добавить комментарий
Закрыть