ВИЗАТОР
Японские автомобильные аукционы с акцентом на Nissan NV150 AD VY12
Главная
Новости
FAQ
Аукционы
Руководства по ремонту
Nissan Wingroad Y12: полное руководство по ремонту и обслуживанию на русском языке
Поиск
Вы здесь:
Главная
Руководства по ремонту
Nissan Wingroad Y12: полное руководство по ремонту и обслуживанию на русском языке
Электрооборудование
Система запуска и зарядки
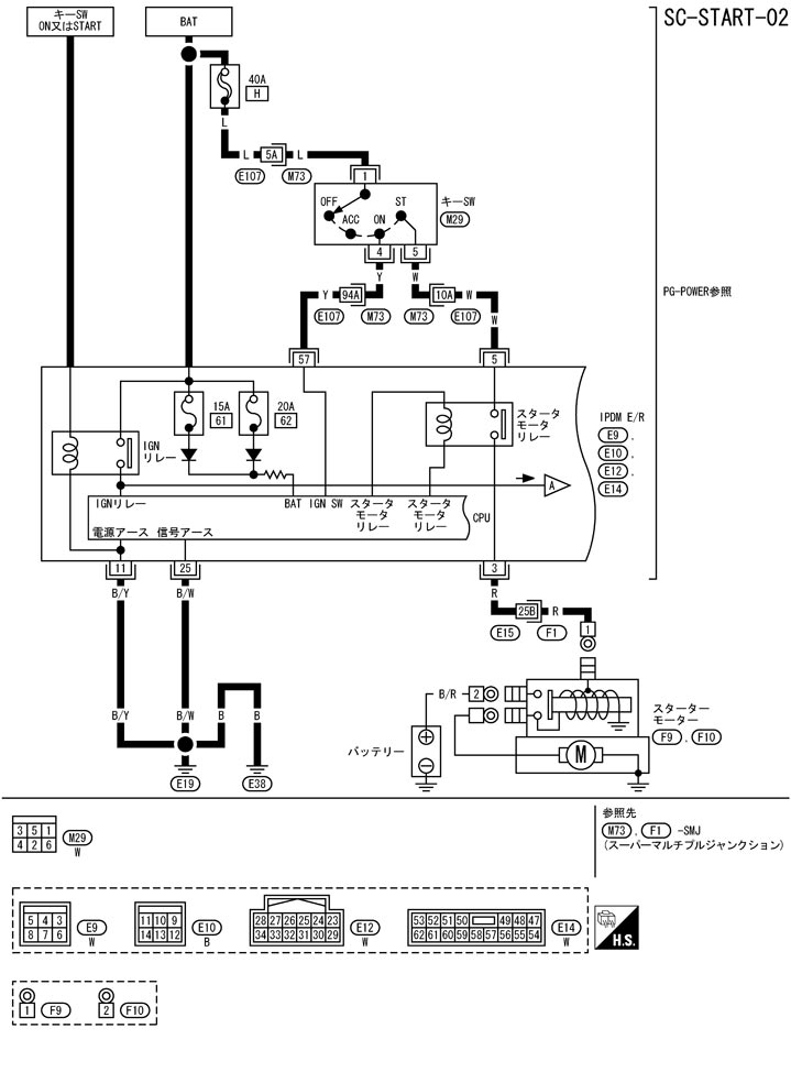
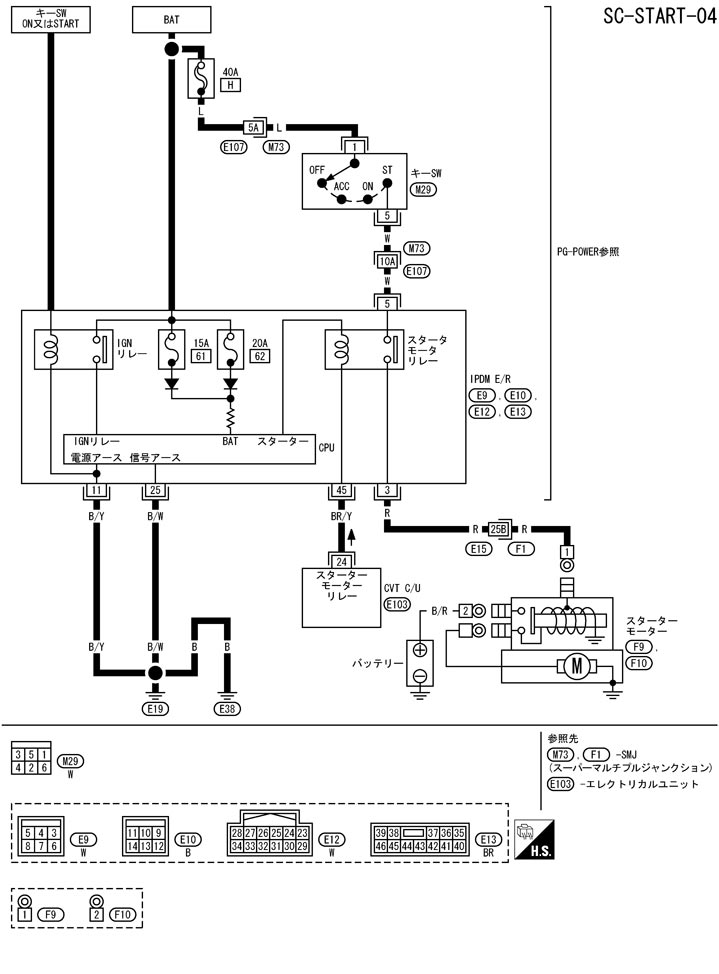
Схема подключения – пуск – система запуска
Схема подключения – пуск – система запуска
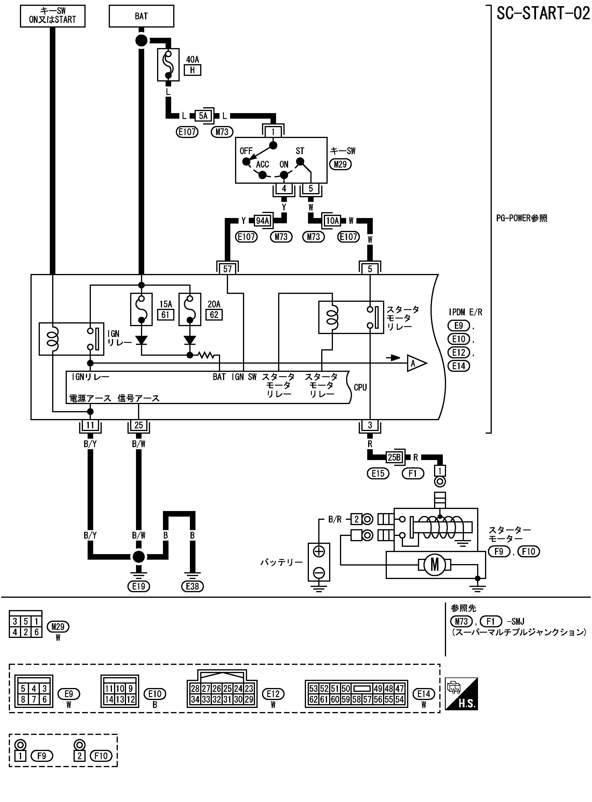
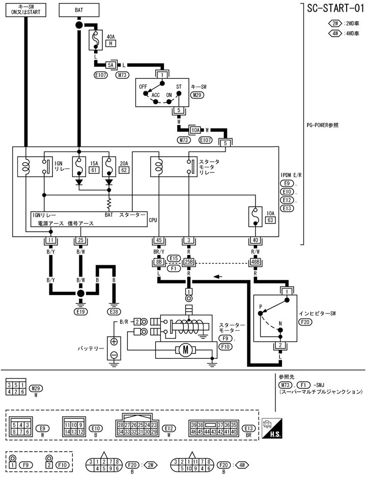
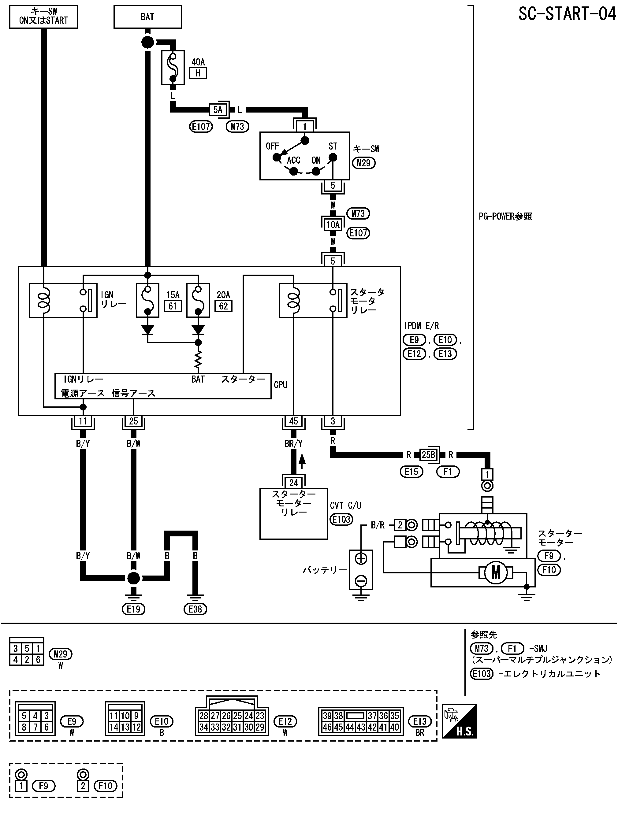
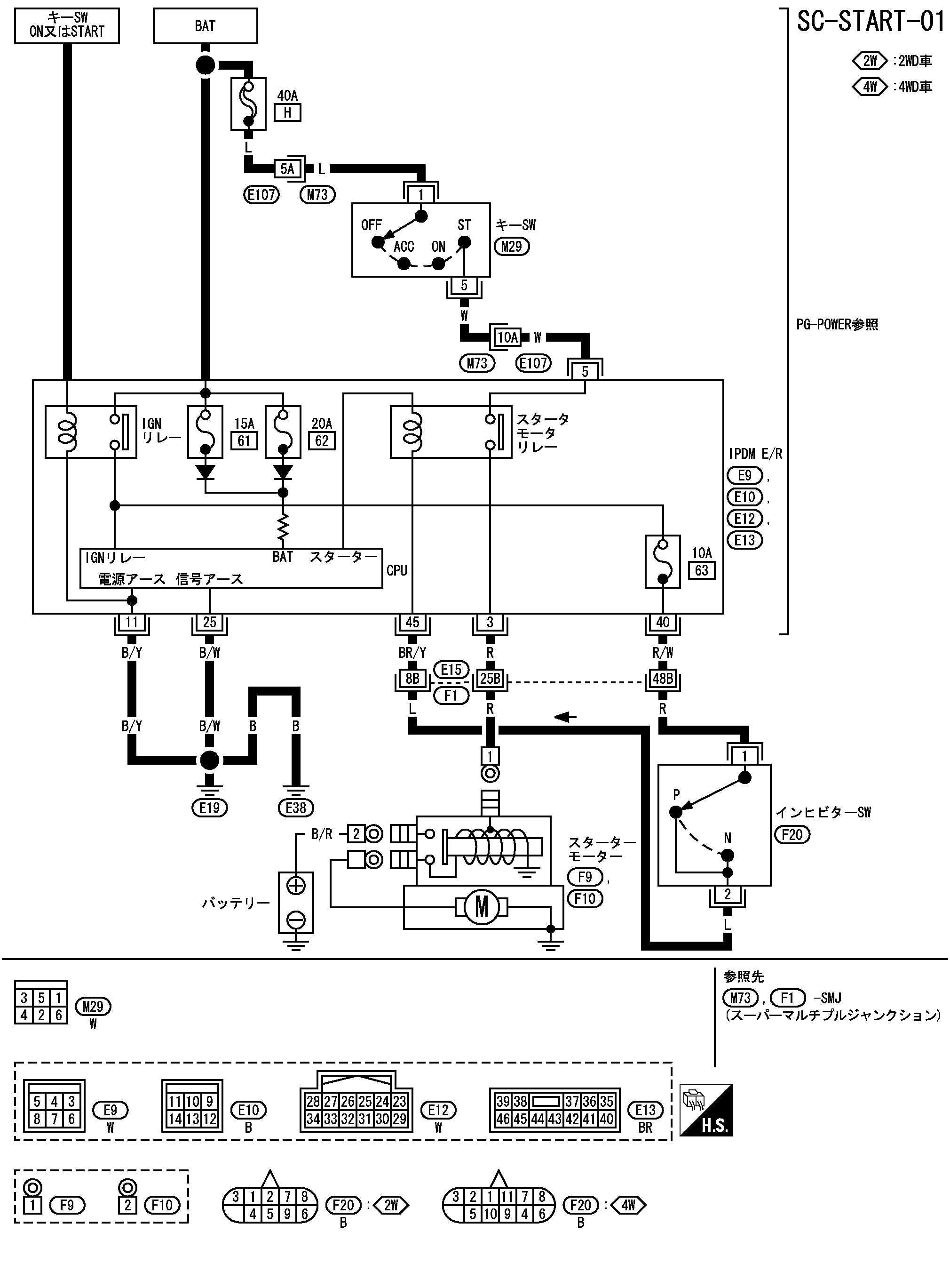
配線図 - START -
A/T車
📄
Открыть схему TKWB4452J.PDF
CVT車(HR15DE)
📄
Открыть схему TKWB4453J.PDF
📄
Открыть схему TKWB4955J.PDF
CVT車(MR18DE)
📄
Открыть схему TKWB4455J.PDF
Предыдущий: Схематическая система запуска
Назад
Следующий: Снятие и установка стартера Система запуска
Вперед
Необходимо поставить все оценки
'Поставьте галочку "Я не робот"'
Оцените статью
Отлично
Хорошо
Нормально
Плохо
Ужасно
Ваше имя *
Ваш E-mail *
Текст комментария *
Добавить комментарий
Закрыть