ВИЗАТОР
Японские автомобильные аукционы с акцентом на Nissan NV150 AD VY12
Главная
Новости
FAQ
Аукционы
Руководства по ремонту
Nissan Wingroad Y12: полное руководство по ремонту и обслуживанию на русском языке
Поиск
Вы здесь:
Главная
Руководства по ремонту
Nissan Wingroad Y12: полное руководство по ремонту и обслуживанию на русском языке
Электрооборудование
Система управления кузовом
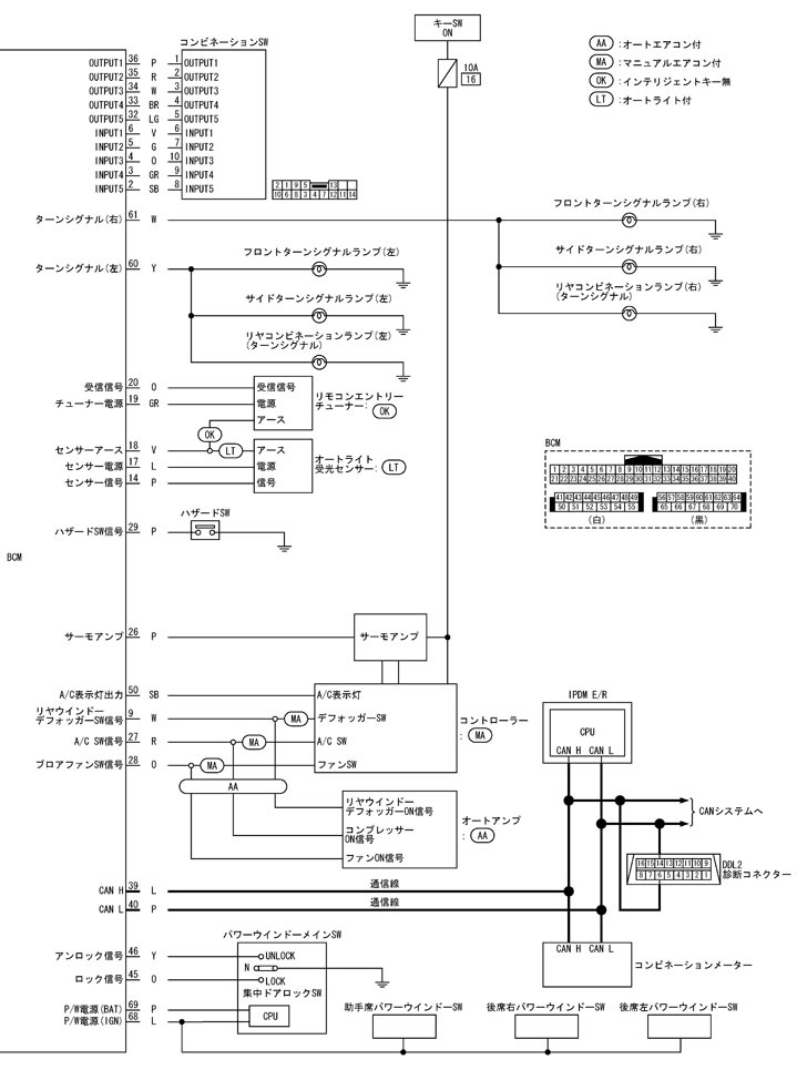
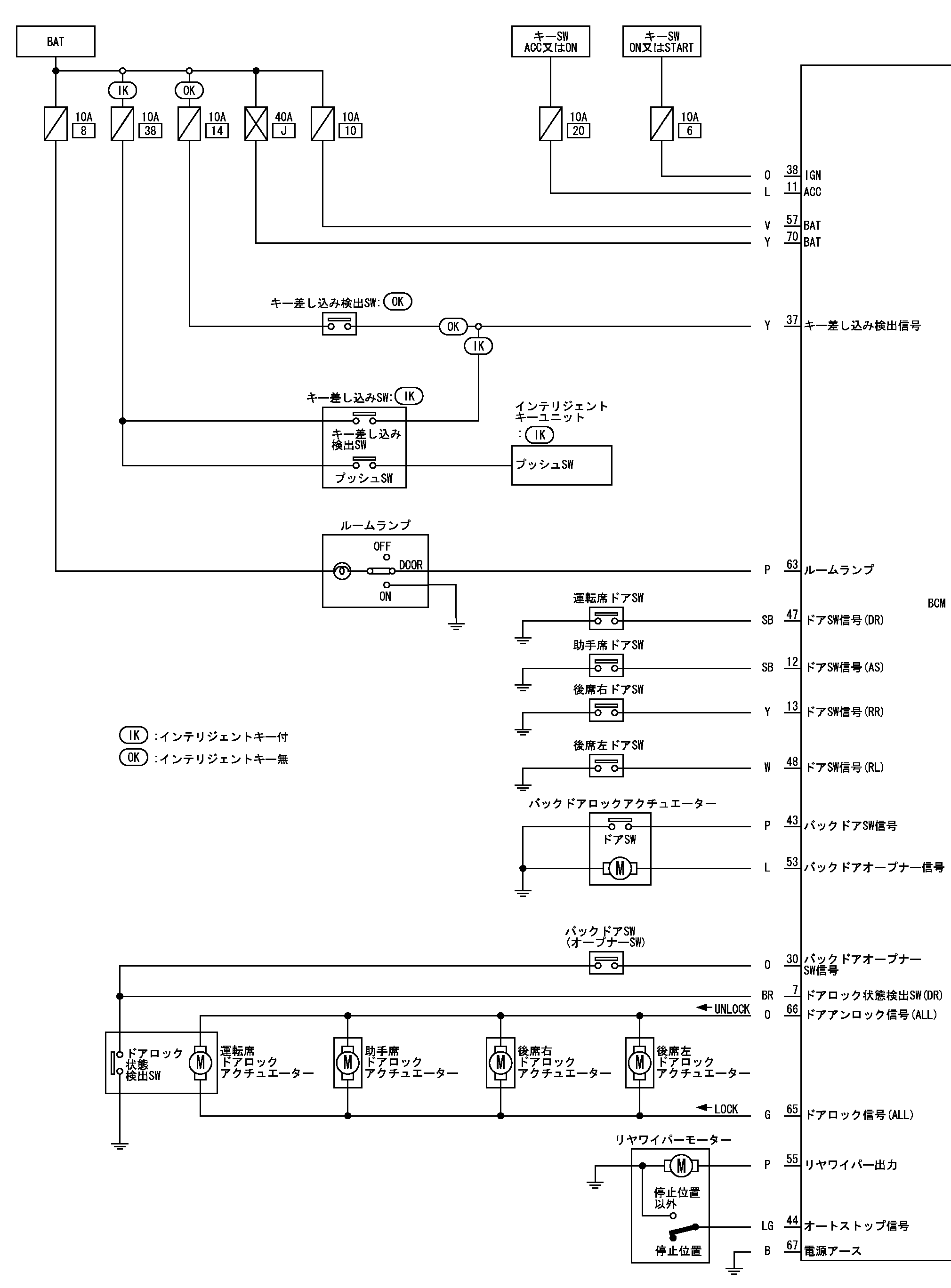
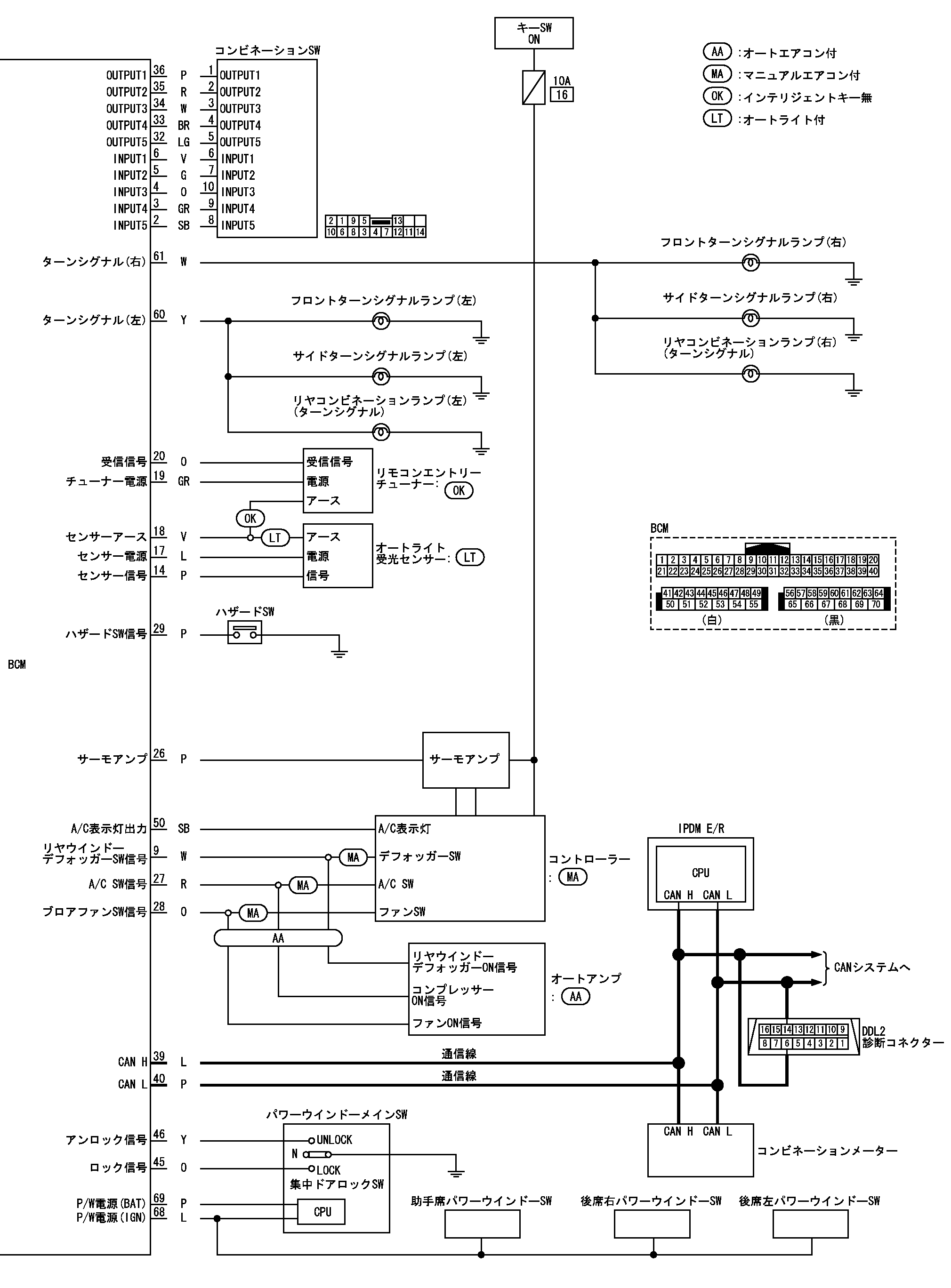
Принципиальная схема bcm (блок управления кузовным оборудованием)
Принципиальная схема bcm (блок управления кузовным оборудованием)
принципиальная схема
📄
Открыть схему TKWB4973J.PDF
📄
Открыть схему TKWB2857J.PDF
Предыдущий: Обзор системы bcm (модуль управления кузовным оборудованием)
Назад
Следующий: функции консультации-iii (bcm) bcm (модуль управления кузовным оборудованием)
Вперед
Необходимо поставить все оценки
'Поставьте галочку "Я не робот"'
Оцените статью
Отлично
Хорошо
Нормально
Плохо
Ужасно
Ваше имя *
Ваш E-mail *
Текст комментария *
Добавить комментарий
Закрыть