ВИЗАТОР
Японские автомобильные аукционы с акцентом на Nissan NV150 AD VY12
Главная
Новости
FAQ
Аукционы
Руководства по ремонту
Nissan Wingroad Y12: полное руководство по ремонту и обслуживанию на русском языке
Поиск
Вы здесь:
Главная
Руководства по ремонту
Nissan Wingroad Y12: полное руководство по ремонту и обслуживанию на русском языке
Электрооборудование
Система освещения
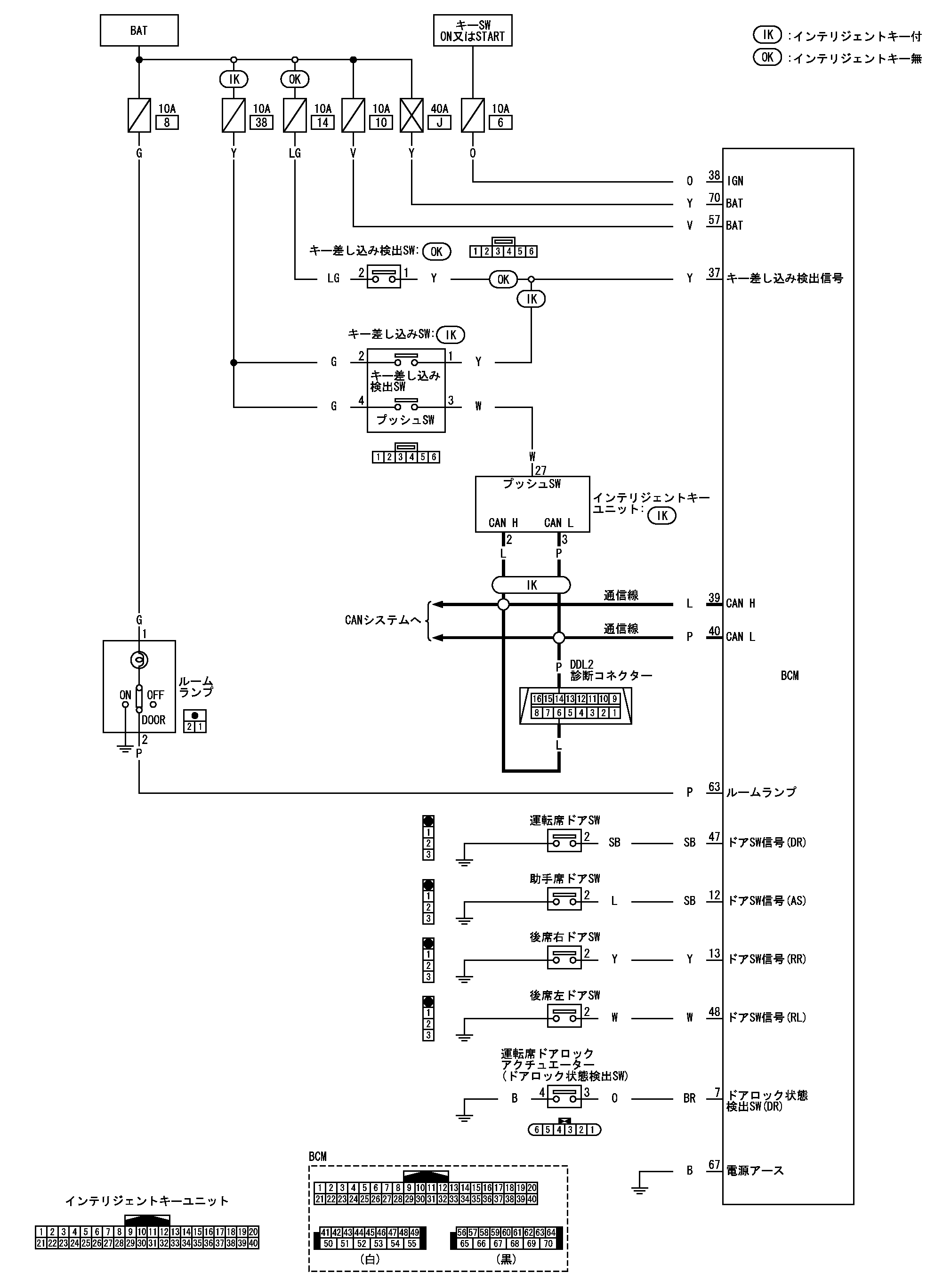
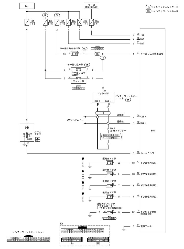
Схема системы внутреннего освещения с блокировкой ключей
Схема системы внутреннего освещения с блокировкой ключей
принципиальная схема
📄
Открыть схему TKWB2900J.PDF
Предыдущий: Обзор системы Система внутреннего освещения с клавишным управлением
Назад
Следующий: Схема подключения - комната/л - система внутреннего освещения с ключом
Вперед
Необходимо поставить все оценки
'Поставьте галочку "Я не робот"'
Оцените статью
Отлично
Хорошо
Нормально
Плохо
Ужасно
Ваше имя *
Ваш E-mail *
Текст комментария *
Добавить комментарий
Закрыть