ВИЗАТОР
Японские автомобильные аукционы с акцентом на Nissan NV150 AD VY12
Главная
Новости
FAQ
Аукционы
Руководства по ремонту
Nissan Wingroad Y12: полное руководство по ремонту и обслуживанию на русском языке
Поиск
Вы здесь:
Главная
Руководства по ремонту
Nissan Wingroad Y12: полное руководство по ремонту и обслуживанию на русском языке
Электрооборудование
Система освещения
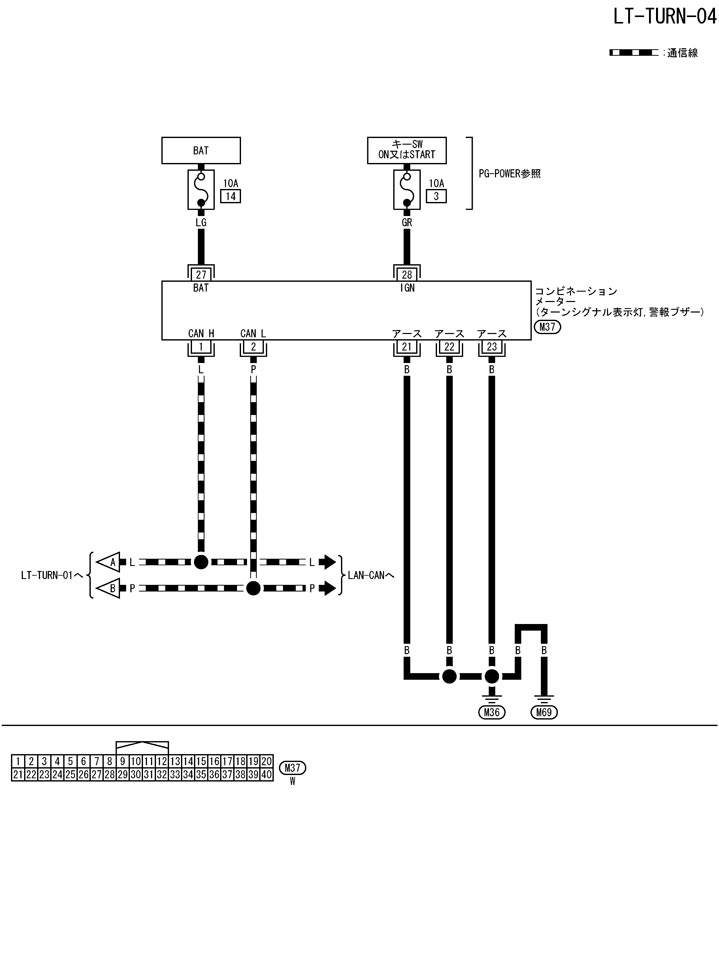
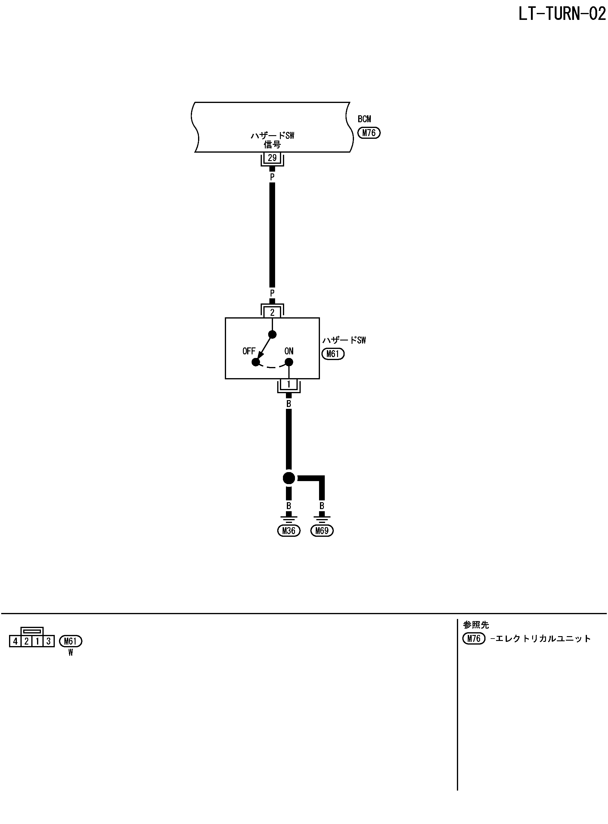
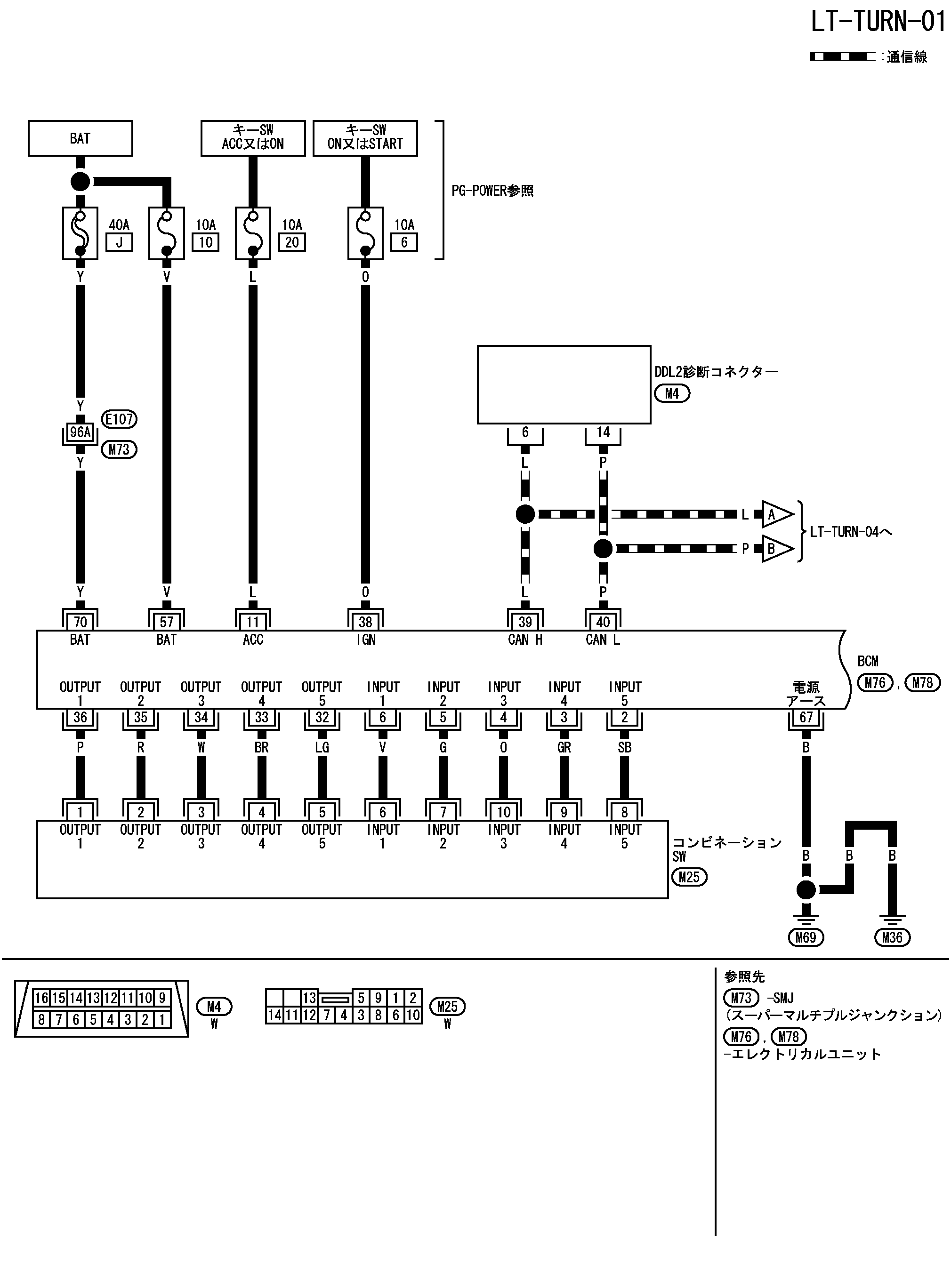
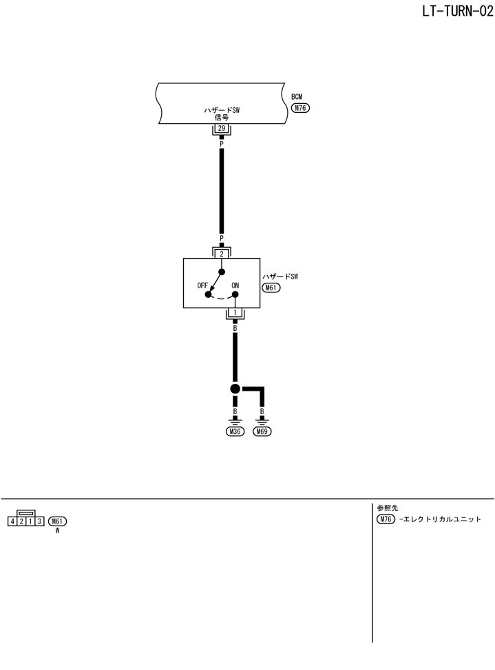
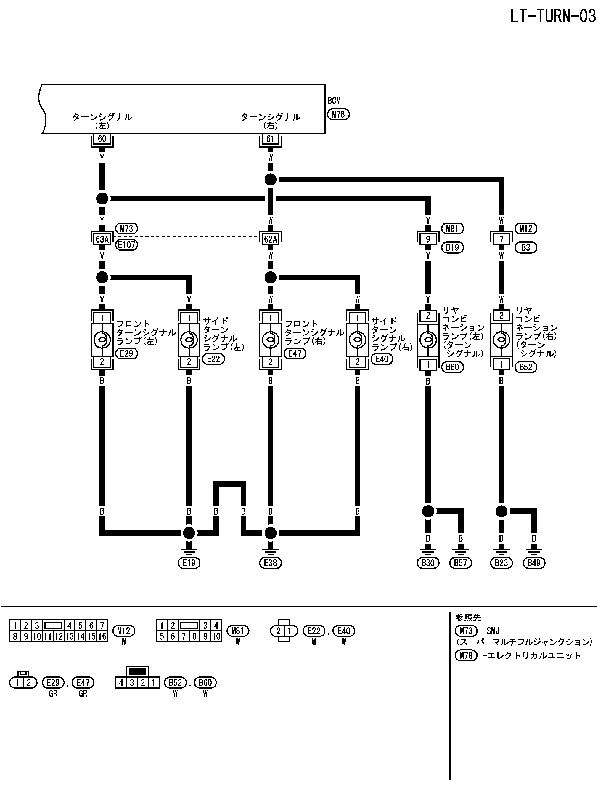
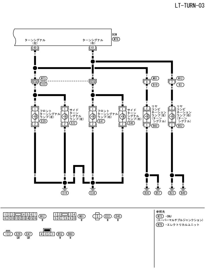
Схема подключения - поворотник - лампа указателя поворота, аварийная лампа
Схема подключения - поворотник - лампа указателя поворота, аварийная лампа
配線図 - TURN -
📄
Открыть схему TKWB4367J.PDF
📄
Открыть схему TKWB2878J.PDF
📄
Открыть схему TKWB4959J.PDF
📄
Открыть схему TKWB2880J.PDF
Предыдущий: Схема лампы указателя поворота, аварийной лампы
Назад
Следующий: Опорное значение входного/выходного сигнала bcm Указатель поворота, аварийная лампа
Вперед
Необходимо поставить все оценки
'Поставьте галочку "Я не робот"'
Оцените статью
Отлично
Хорошо
Нормально
Плохо
Ужасно
Ваше имя *
Ваш E-mail *
Текст комментария *
Добавить комментарий
Закрыть