ВИЗАТОР
Японские автомобильные аукционы с акцентом на Nissan NV150 AD VY12
Главная
Новости
FAQ
Аукционы
Руководства по ремонту
Nissan Wingroad Y12: полное руководство по ремонту и обслуживанию на русском языке
Поиск
Вы здесь:
Главная
Руководства по ремонту
Nissan Wingroad Y12: полное руководство по ремонту и обслуживанию на русском языке
Электрооборудование
Система освещения
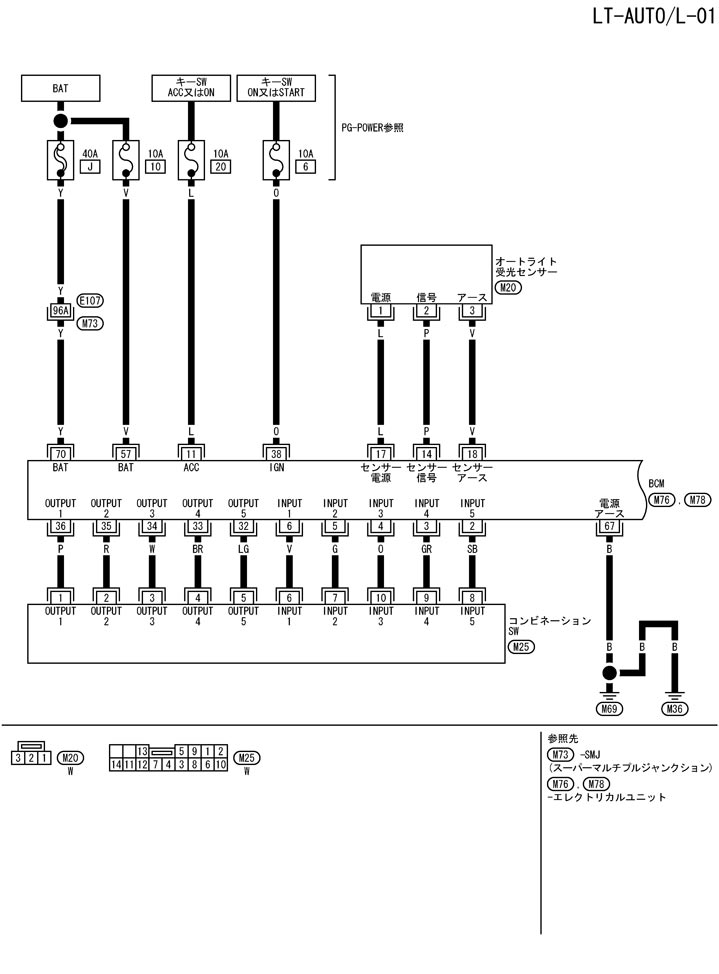
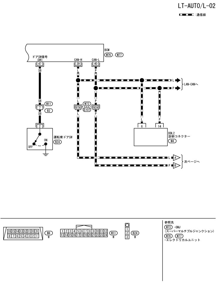
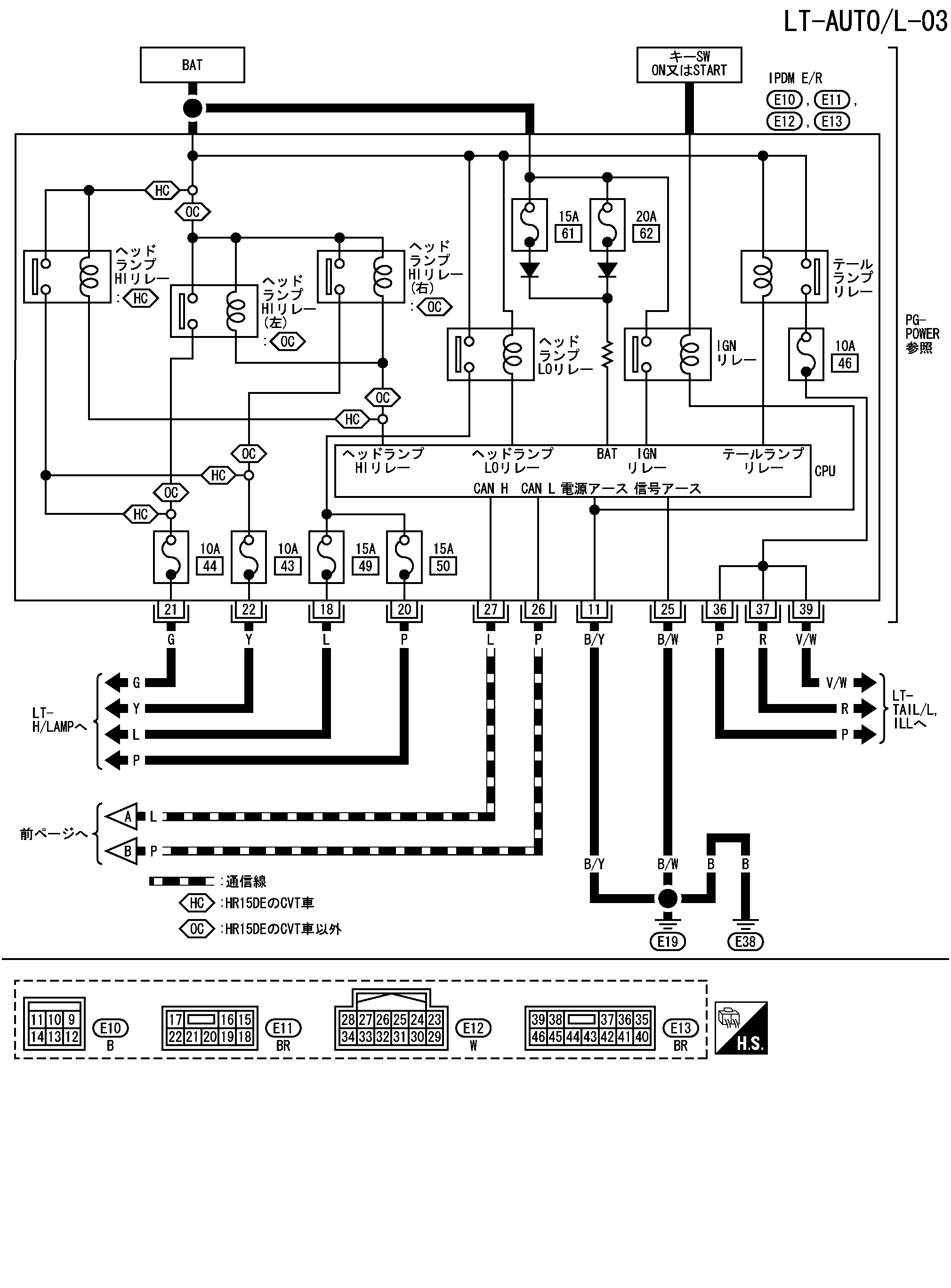
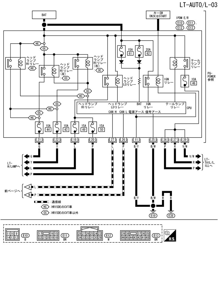
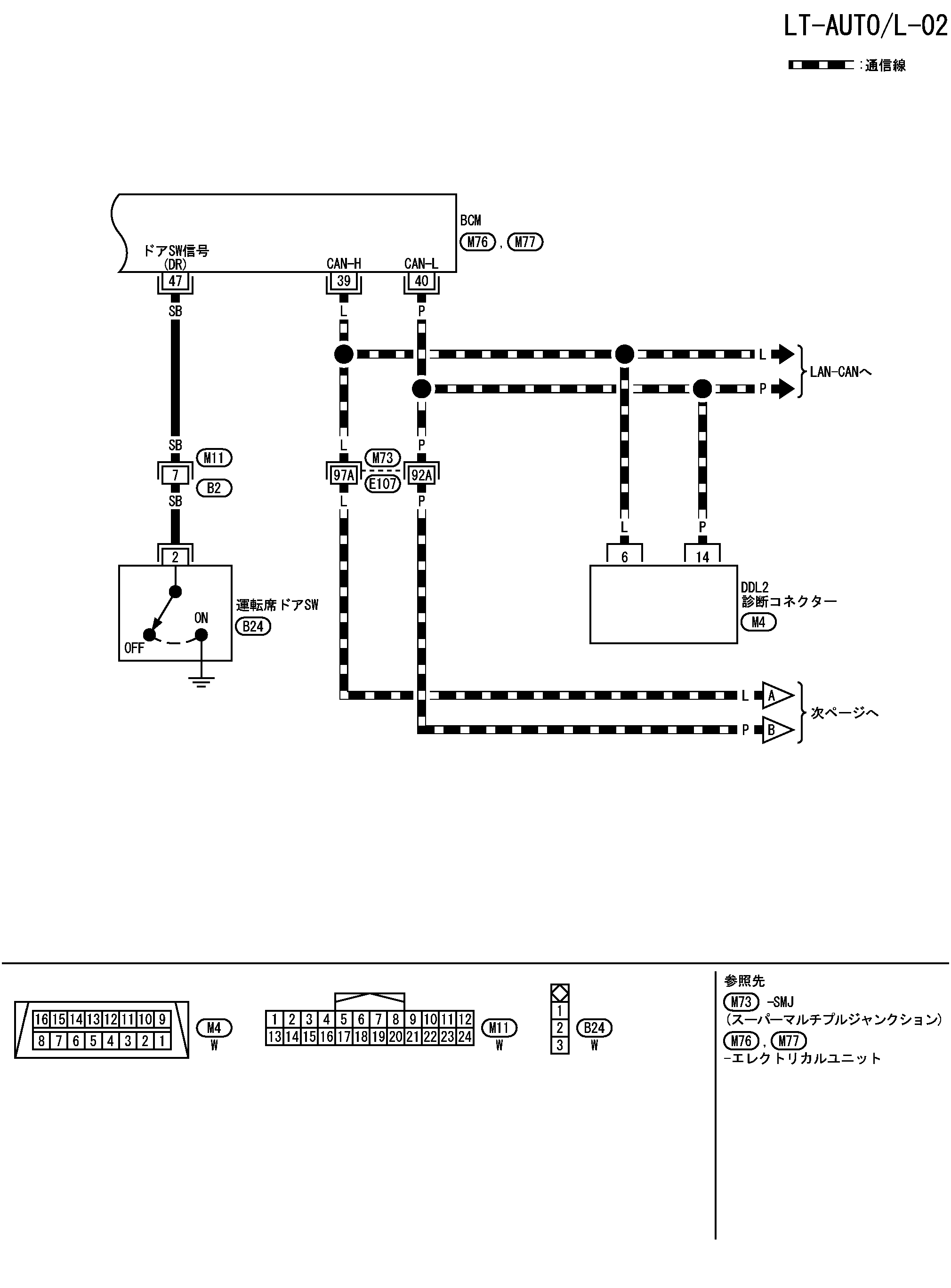
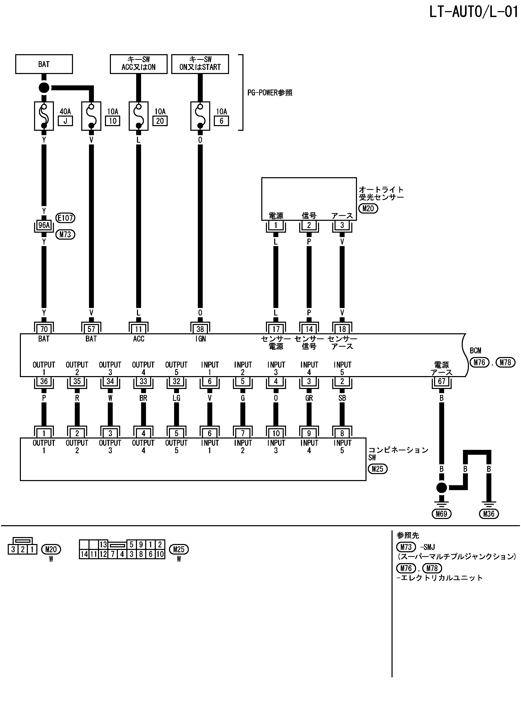
Схема подключения - auto/l - система автоматического освещения
Схема подключения - auto/l - система автоматического освещения
配線図 - AUTO/L -
📄
Открыть схему TKWB4360J.PDF
📄
Открыть схему TKWB4958J.PDF
📄
Открыть схему TKWB4362J.PDF
Предыдущий: Схема системы автоматического освещения
Назад
Следующий: Эталонное значение входного/выходного сигнала bcm система автоматического освещения
Вперед
Необходимо поставить все оценки
'Поставьте галочку "Я не робот"'
Оцените статью
Отлично
Хорошо
Нормально
Плохо
Ужасно
Ваше имя *
Ваш E-mail *
Текст комментария *
Добавить комментарий
Закрыть