ВИЗАТОР
Японские автомобильные аукционы с акцентом на Nissan NV150 AD VY12
Главная
Новости
FAQ
Аукционы
Руководства по ремонту
Nissan Wingroad Y12: полное руководство по ремонту и обслуживанию на русском языке
Поиск
Вы здесь:
Главная
Руководства по ремонту
Nissan Wingroad Y12: полное руководство по ремонту и обслуживанию на русском языке
Электрооборудование
Питание, заземление, электрические компоненты
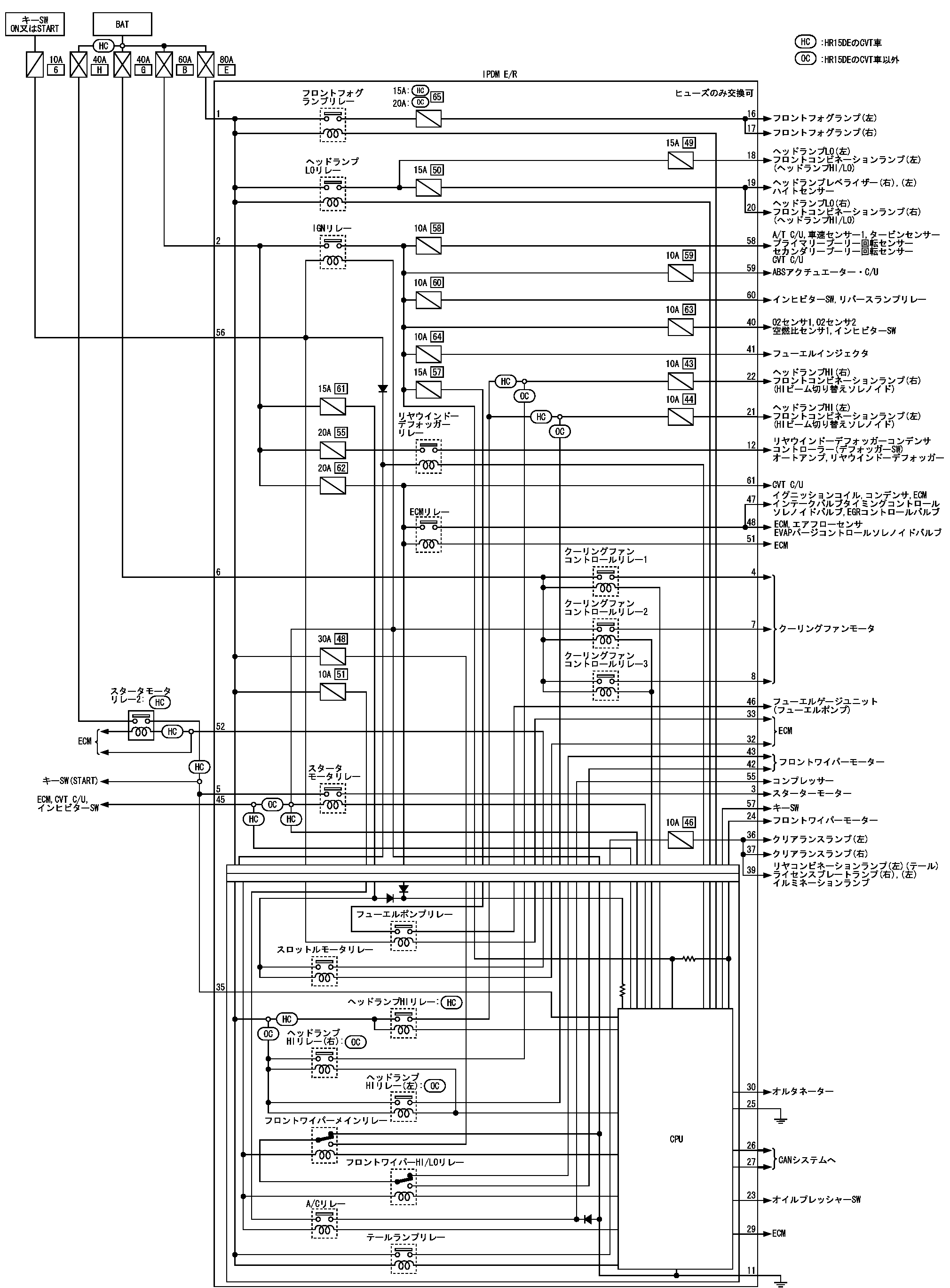
Принципиальная схема ipdm e/r (интеллектуальный модуль распределения питания, машинное отделение)
Принципиальная схема ipdm e/r (интеллектуальный модуль распределения питания, машинное отделение)
принципиальная схема
📄
Открыть схему TKWB4981J.PDF
■ 注意 ■
接続部品の詳細は各制御システムを参照
Предыдущий: Автоматический активный тест ipdm e/r (машинное отделение интеллектуального модуля распределения питания)
Назад
Следующий: Расположение клемм ipdm e/r (машинное отделение интеллектуального модуля распределения питания)
Вперед
Необходимо поставить все оценки
'Поставьте галочку "Я не робот"'
Оцените статью
Отлично
Хорошо
Нормально
Плохо
Ужасно
Ваше имя *
Ваш E-mail *
Текст комментария *
Добавить комментарий
Закрыть