ВИЗАТОР
Японские автомобильные аукционы с акцентом на Nissan NV150 AD VY12
Главная
Новости
FAQ
Аукционы
Руководства по ремонту
Nissan Wingroad Y12: полное руководство по ремонту и обслуживанию на русском языке
Поиск
Вы здесь:
Главная
Руководства по ремонту
Nissan Wingroad Y12: полное руководство по ремонту и обслуживанию на русском языке
Электрооборудование
Аудио-визуальная система
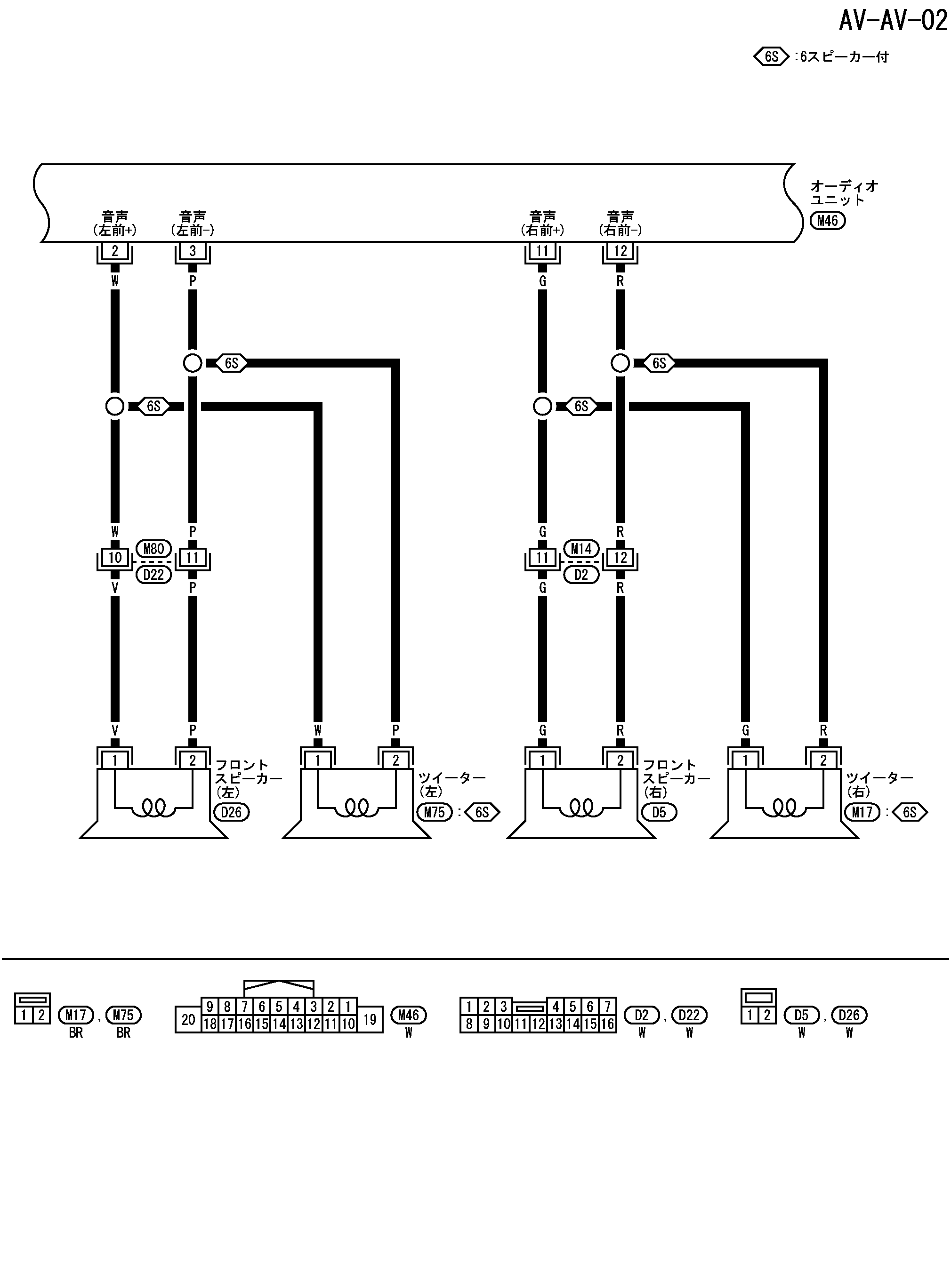
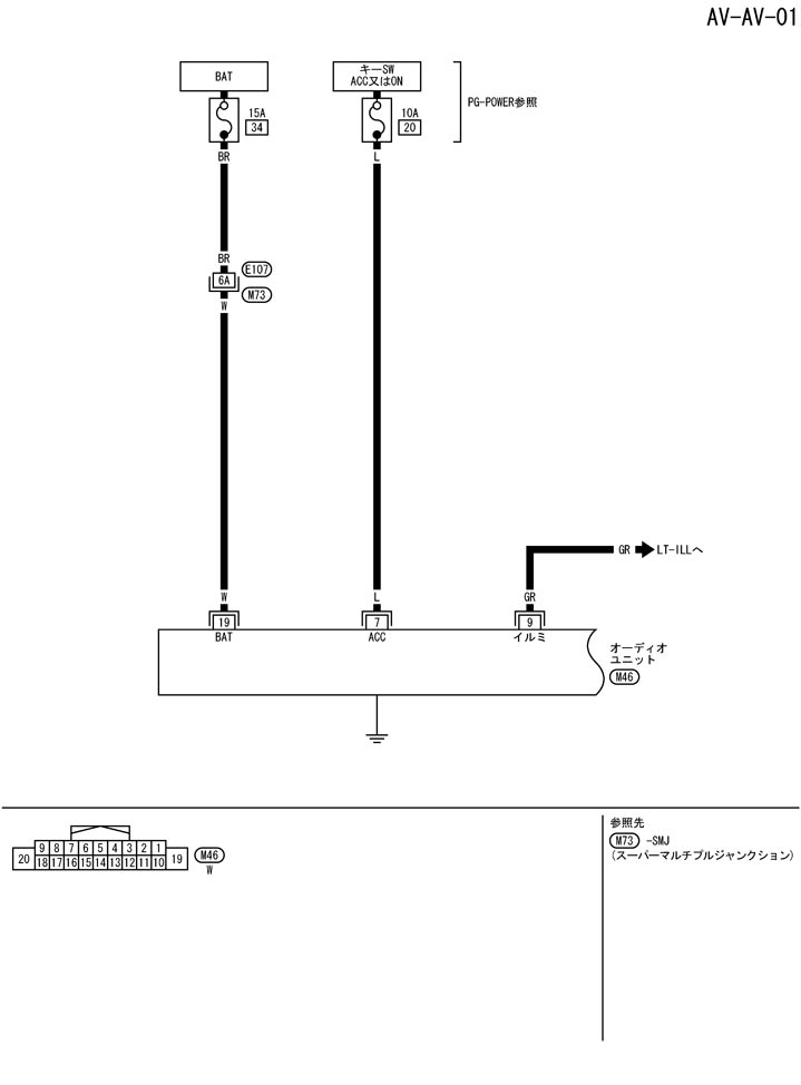
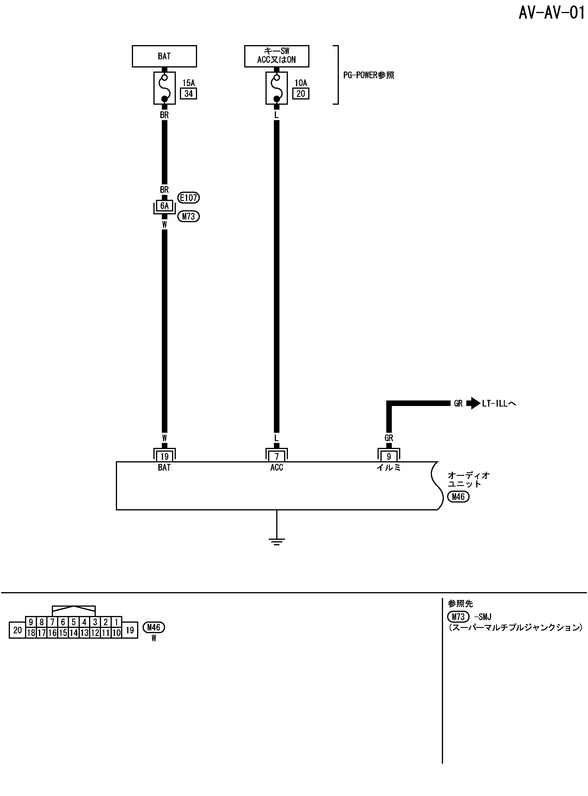
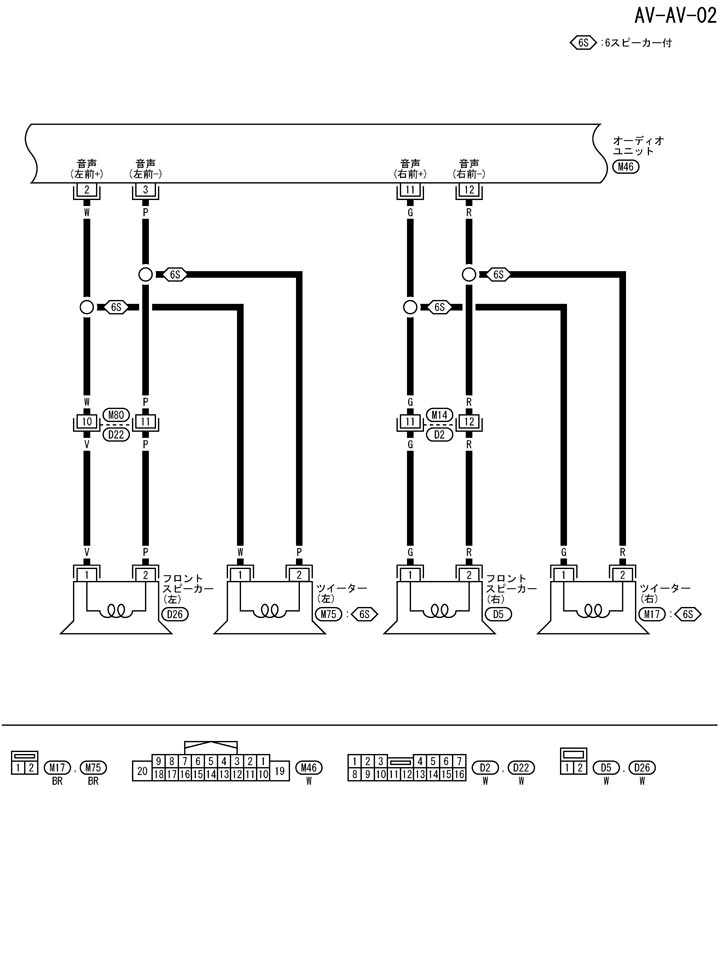
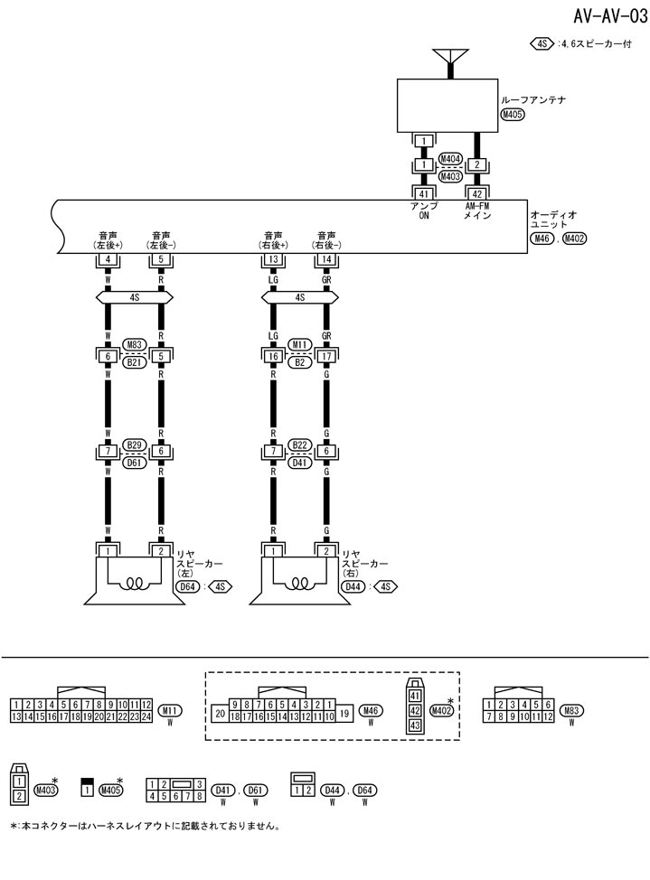
Схема подключения - av - (без навигационной системы) электрическая схема
Схема подключения - av - (без навигационной системы) электрическая схема
配線図 - AV - (ナビゲーションシステム無)
📄
Открыть схему TKWB4420J.PDF
📄
Открыть схему TKWB4421J.PDF
📄
Открыть схему TKWB4974J.PDF
Предыдущий: Принципиальная схема - без навигационной системы - принципиальная схема
Назад
Следующий: Опорное значение входного/выходного сигнала блока управления аудиосистемой
Вперед
Необходимо поставить все оценки
'Поставьте галочку "Я не робот"'
Оцените статью
Отлично
Хорошо
Нормально
Плохо
Ужасно
Ваше имя *
Ваш E-mail *
Текст комментария *
Добавить комментарий
Закрыть