ВИЗАТОР
Японские автомобильные аукционы с акцентом на Nissan NV150 AD VY12
Главная
Новости
FAQ
Аукционы
Руководства по ремонту
Nissan Wingroad Y12: полное руководство по ремонту и обслуживанию на русском языке
Поиск
Вы здесь:
Главная
Руководства по ремонту
Nissan Wingroad Y12: полное руководство по ремонту и обслуживанию на русском языке
Двигатель
Система управления двигателем
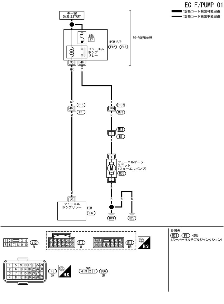
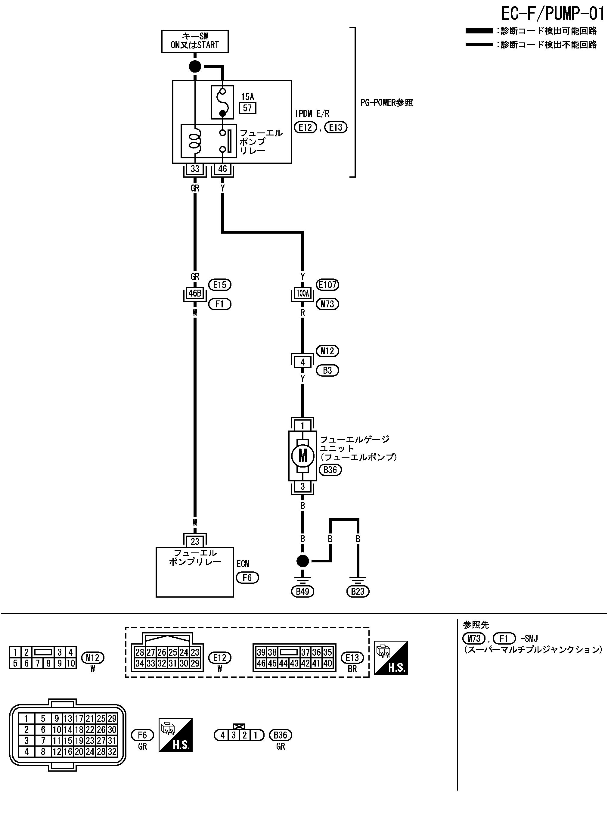
Схема подключения — ж/насос — топливный насос
Схема подключения — ж/насос — топливный насос
配線図 - F/PUMP -
📄
Открыть схему TBWB1308J.PDF
Предыдущий: опорное значение входного/выходного сигнала электронного блока управления топливным насосом
Назад
Следующий: Процедура диагностики неисправностей топливного насоса
Вперед
Необходимо поставить все оценки
'Поставьте галочку "Я не робот"'
Оцените статью
Отлично
Хорошо
Нормально
Плохо
Ужасно
Ваше имя *
Ваш E-mail *
Текст комментария *
Добавить комментарий
Закрыть