ВИЗАТОР
Японские автомобильные аукционы с акцентом на Nissan NV150 AD VY12
Главная
Новости
FAQ
Аукционы
Руководства по ремонту
Nissan Wingroad Y12: полное руководство по ремонту и обслуживанию на русском языке
Поиск
Вы здесь:
Главная
Руководства по ремонту
Nissan Wingroad Y12: полное руководство по ремонту и обслуживанию на русском языке
Двигатель
Система управления двигателем
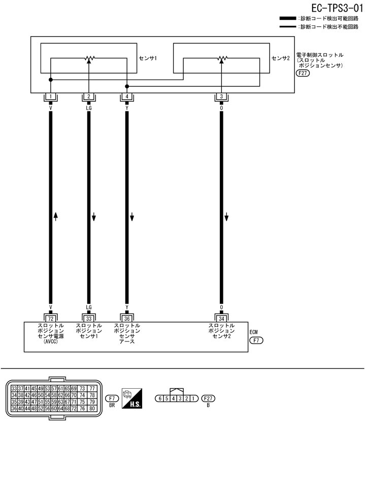
Схема подключения — tps3 — dtc p2135 датчик положения дроссельной заслонки
Схема подключения — tps3 — dtc p2135 датчик положения дроссельной заслонки
配線図 - TPS3 -
📄
Открыть схему TBWB1267J.PDF
Предыдущий: Порядок выполнения самодиагностики dtc p2135 датчик положения дроссельной заслонки
Назад
Следующий: Процедура диагностики неисправности dtc p2135 датчик положения дроссельной заслонки
Вперед
Необходимо поставить все оценки
'Поставьте галочку "Я не робот"'
Оцените статью
Отлично
Хорошо
Нормально
Плохо
Ужасно
Ваше имя *
Ваш E-mail *
Текст комментария *
Добавить комментарий
Закрыть