ВИЗАТОР
Японские автомобильные аукционы с акцентом на Nissan NV150 AD VY12
Главная
Новости
FAQ
Аукционы
Руководства по ремонту
Nissan Wingroad Y12: полное руководство по ремонту и обслуживанию на русском языке
Поиск
Вы здесь:
Главная
Руководства по ремонту
Nissan Wingroad Y12: полное руководство по ремонту и обслуживанию на русском языке
Двигатель
Система управления двигателем
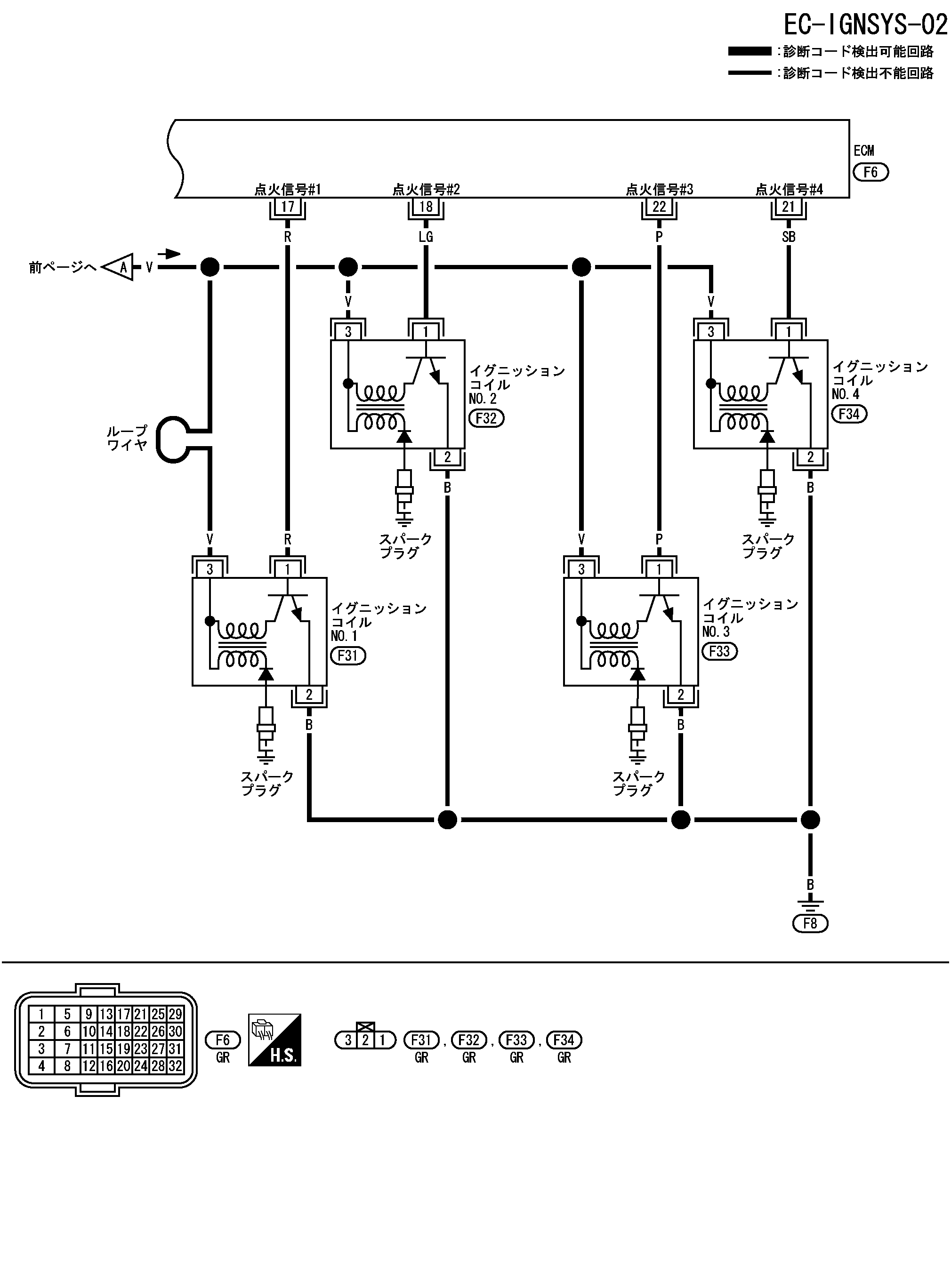
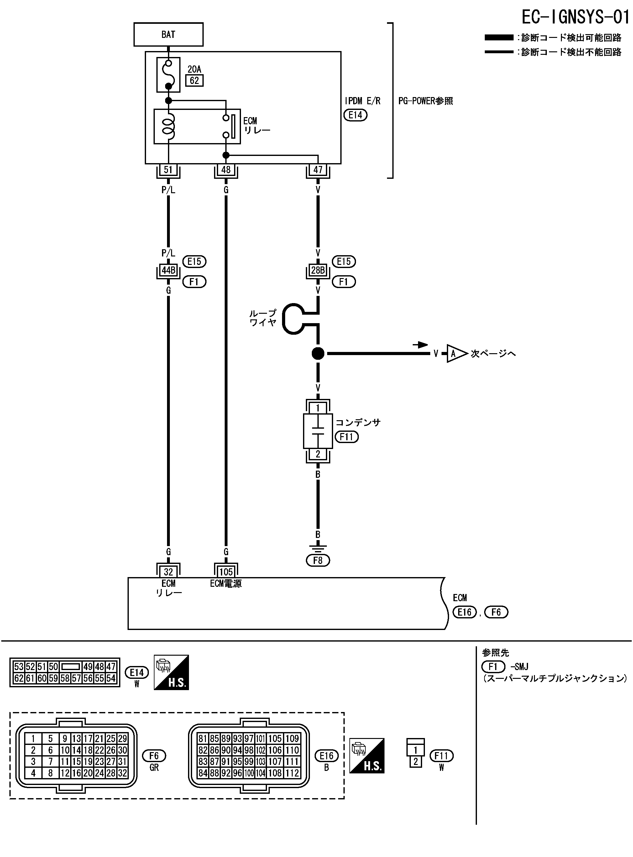
Схема подключения - ignsys - сигнал зажигания
Схема подключения - ignsys - сигнал зажигания
配線図 - IGNSYS-
📄
Открыть схему TBWB1499J.PDF
📄
Открыть схему TBWB1500J.PDF
Предыдущий: входной/выходной сигнал блока управления двигателем, опорное значение, сигнал зажигания
Назад
Следующий: Процедура диагностики неисправностей, сигнал зажигания
Вперед
Необходимо поставить все оценки
'Поставьте галочку "Я не робот"'
Оцените статью
Отлично
Хорошо
Нормально
Плохо
Ужасно
Ваше имя *
Ваш E-mail *
Текст комментария *
Добавить комментарий
Закрыть