ВИЗАТОР
Японские автомобильные аукционы с акцентом на Nissan NV150 AD VY12
Главная
Новости
FAQ
Аукционы
Руководства по ремонту
Nissan Wingroad Y12: полное руководство по ремонту и обслуживанию на русском языке
Поиск
Вы здесь:
Главная
Руководства по ремонту
Nissan Wingroad Y12: полное руководство по ремонту и обслуживанию на русском языке
Двигатель
Система управления двигателем
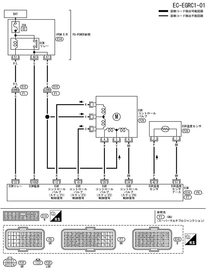
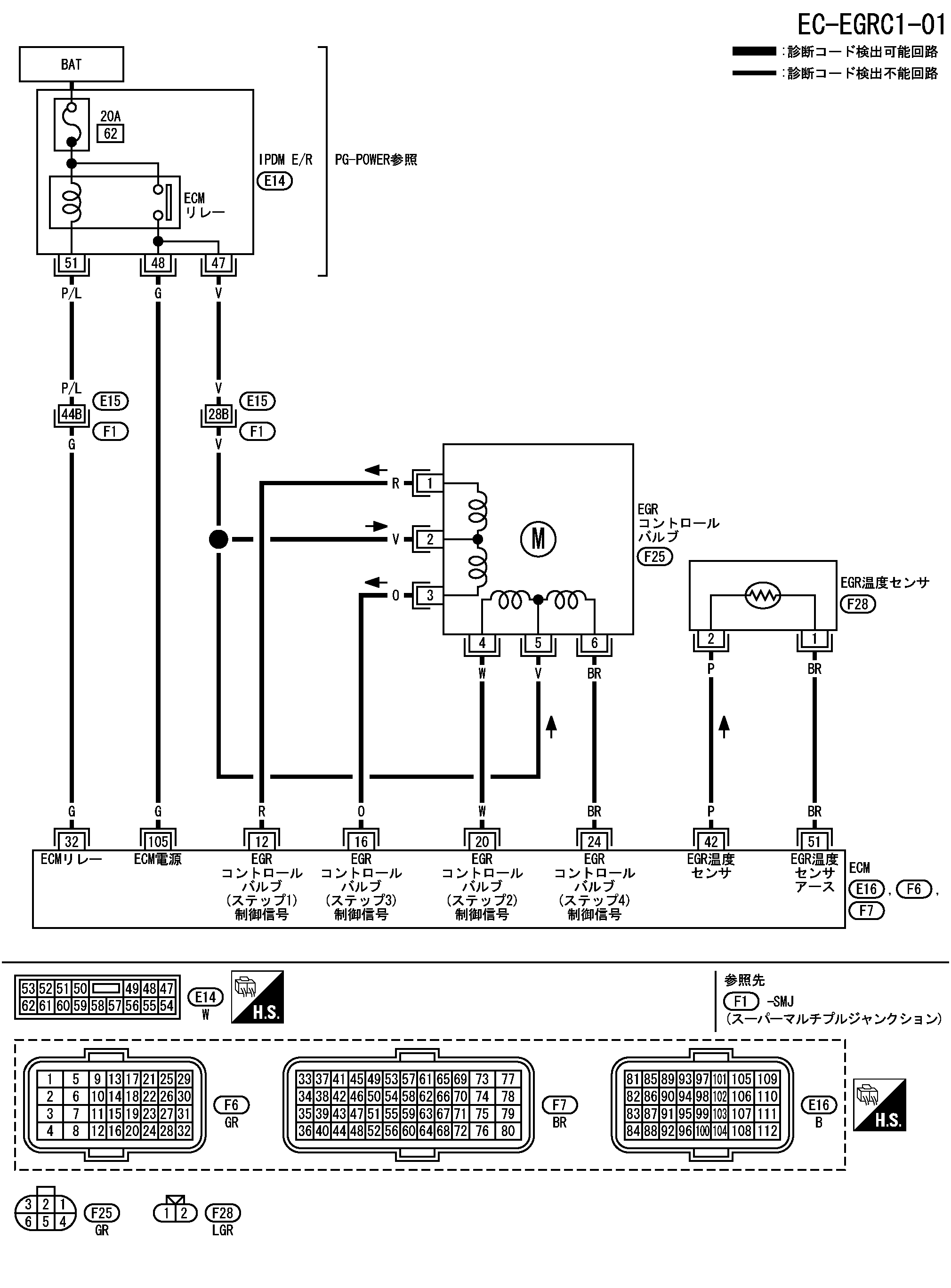
Схема подключения — egrc1 — dtc p0400 система egr
Схема подключения — egrc1 — dtc p0400 система egr
配線図 - EGRC1 -
📄
Открыть схему TBWB1501J.PDF
Предыдущий: Процедура выполнения самодиагностики dtc p0400 системы egr
Назад
Следующий: Процедура диагностики неисправности dtc p0400 системы egr
Вперед
Необходимо поставить все оценки
'Поставьте галочку "Я не робот"'
Оцените статью
Отлично
Хорошо
Нормально
Плохо
Ужасно
Ваше имя *
Ваш E-mail *
Текст комментария *
Добавить комментарий
Закрыть