Схема конфигурации
|
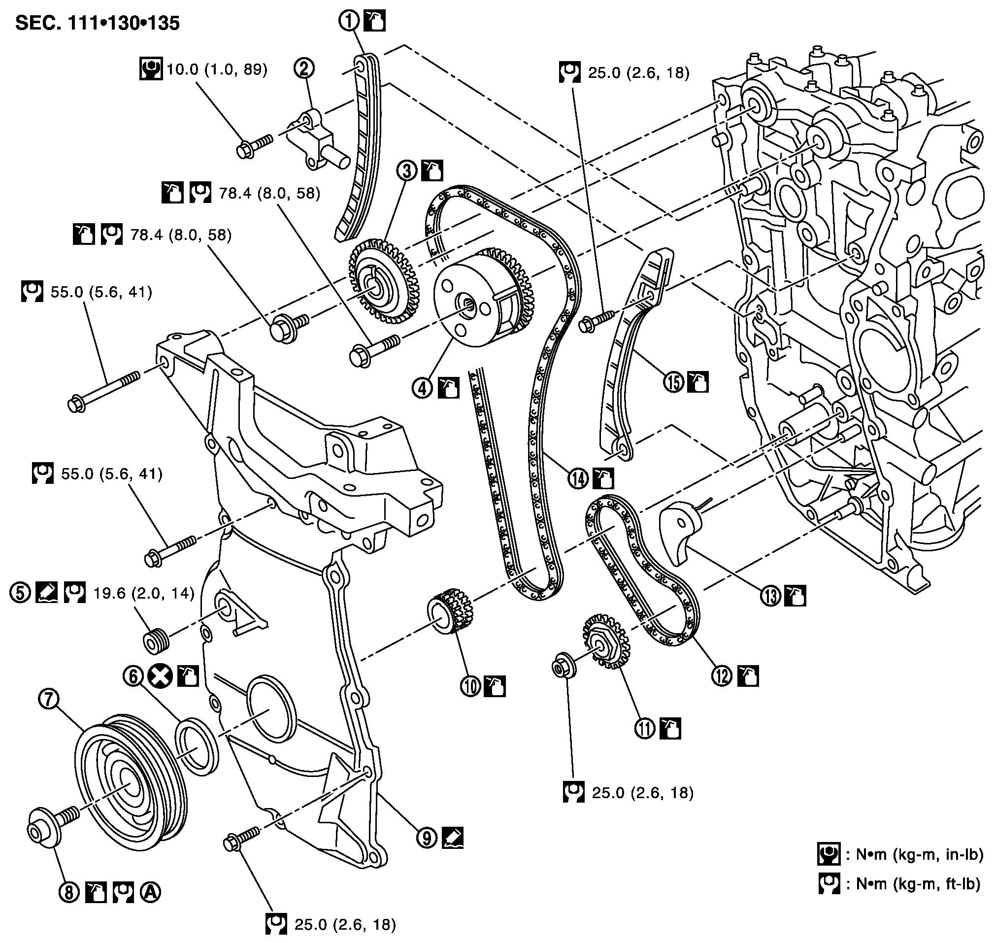
1. |
タイミングチェーンスラックガイド |
2. |
チェーンテンショナー (タイミングチェーン用) |
3. |
カムスプロケット(EXH) |
|
4. |
カムスプロケット(INT) |
5. |
プラグ |
6. |
フロントオイルシール |
|
7. |
クランクプーリー |
8. |
クランクプーリーボルト |
9. |
フロントカバー |
|
10. |
クランクスプロケット |
11. |
オイルポンプスプロケット |
12. |
オイルポンプドライブチェーン |
|
13. |
チェーンテンショナー (オイルポンプドライブチェーン用) |
14. |
タイミングチェーン |
15. |
タイミングチェーンテンションガイド |
|
A. |
既刊 HR ENGINE ユニット整備要領書(A260301)参照 |
|
|
|
|
- 構成図内のシンボルマークについては、GI編構成図の見方を参照する。