ВИЗАТОР
Японские автомобильные аукционы с акцентом на Nissan NV150 AD VY12
Главная
Новости
FAQ
Аукционы
Руководства по ремонту
Nissan Wingroad Y12: полное руководство по ремонту и обслуживанию на русском языке
Поиск
Вы здесь:
Главная
Руководства по ремонту
Nissan Wingroad Y12: полное руководство по ремонту и обслуживанию на русском языке
Трансмиссия
Вариатор (CVT)
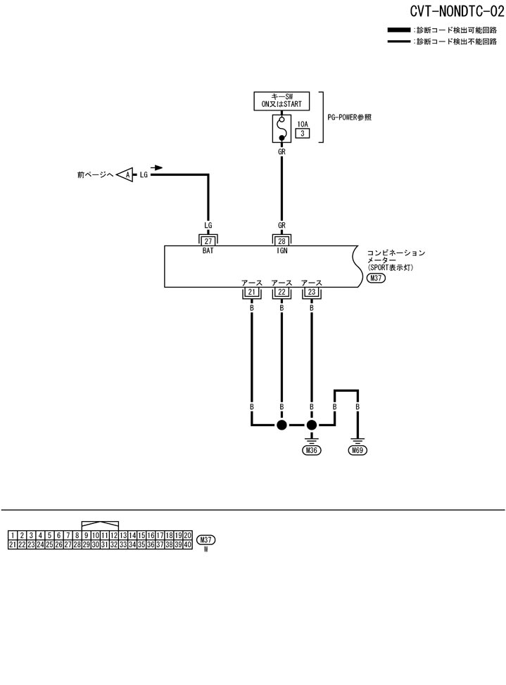
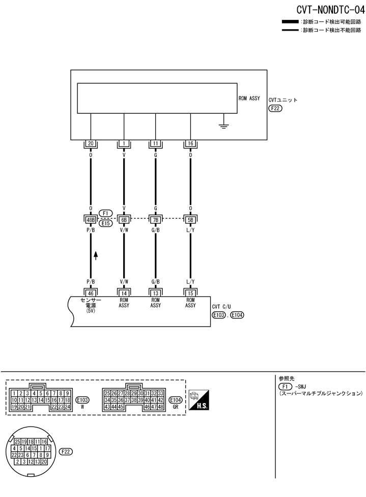
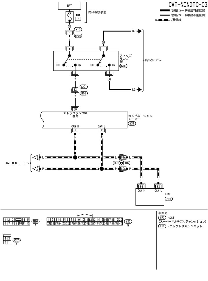
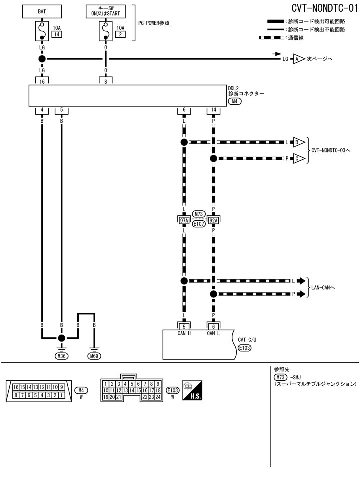
Схема подключения – nondtc – диагностика неисправности по явлению
Схема подключения – nondtc – диагностика неисправности по явлению
配線図 - NONDTC -
📄
Открыть схему TCWB0514J.PDF
📄
Открыть схему TCWB0515J.PDF
📄
Открыть схему TCWB0516J.PDF
📄
Открыть схему TCWB0609J.PDF
Предыдущий: Диагностика неисправности входного/выходного сигнала cvt c/u по явлению
Назад
Следующий: Диагностика неисправностей по явлению, когда индикатор положения коробки передач не отображается или индикатор спортивного режима не горит.
Вперед
Необходимо поставить все оценки
'Поставьте галочку "Я не робот"'
Оцените статью
Отлично
Хорошо
Нормально
Плохо
Ужасно
Ваше имя *
Ваш E-mail *
Текст комментария *
Добавить комментарий
Закрыть