ВИЗАТОР
Японские автомобильные аукционы с акцентом на Nissan NV150 AD VY12
Главная
Новости
FAQ
Аукционы
Руководства по ремонту
Nissan Wingroad Y12: полное руководство по ремонту и обслуживанию на русском языке
Поиск
Вы здесь:
Главная
Руководства по ремонту
Nissan Wingroad Y12: полное руководство по ремонту и обслуживанию на русском языке
Трансмиссия
Вариатор (CVT)
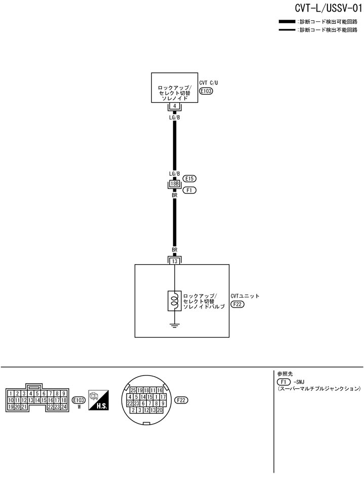
Схема подключения - l/ussv -dtc p1740 электромагнит переключения lu-select
Схема подключения - l/ussv -dtc p1740 электромагнит переключения lu-select
配線図 - L/USSV -
📄
Открыть схему TCWB0528J.PDF
Предыдущий: Логика самодиагностики dtc p1740 lu-select переключающий соленоид
Назад
Следующий: Процедура проверки dtc p1740 электромагнитный клапан переключения lu-select
Вперед
Необходимо поставить все оценки
'Поставьте галочку "Я не робот"'
Оцените статью
Отлично
Хорошо
Нормально
Плохо
Ужасно
Ваше имя *
Ваш E-mail *
Текст комментария *
Добавить комментарий
Закрыть