ВИЗАТОР
Японские автомобильные аукционы с акцентом на Nissan NV150 AD VY12
Главная
Новости
FAQ
Аукционы
Руководства по ремонту
Nissan Wingroad Y12: полное руководство по ремонту и обслуживанию на русском языке
Поиск
Вы здесь:
Главная
Руководства по ремонту
Nissan Wingroad Y12: полное руководство по ремонту и обслуживанию на русском языке
Трансмиссия
Автоматическая коробка передач (A/T)
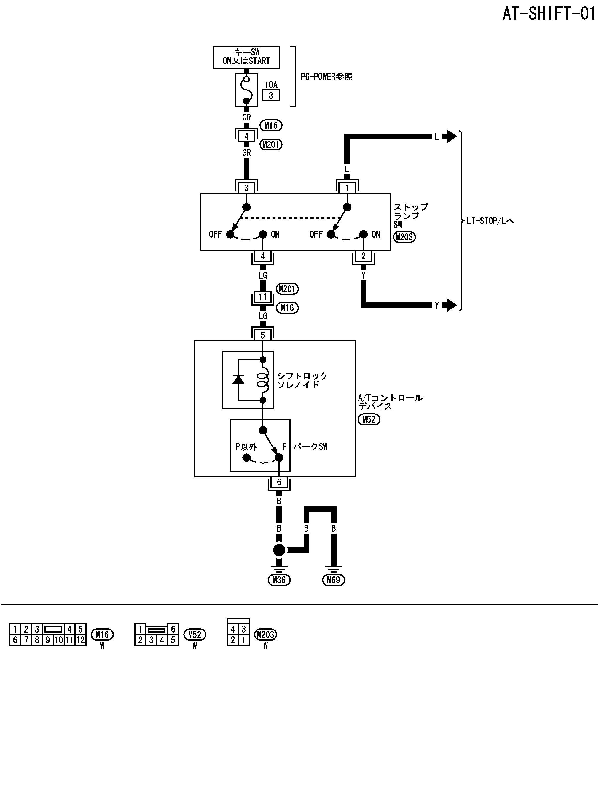
Схема подключения – система переключения передач – система блокировки переключения передач
Схема подключения – система переключения передач – система блокировки переключения передач
配線図 - SHIFT -
📄
Открыть схему TCWB0292J.PDF
Предыдущий: Схема системы блокировки переключения передач
Назад
Следующий: Проверка системы блокировки переключения передач Система блокировки переключения передач
Вперед
Необходимо поставить все оценки
'Поставьте галочку "Я не робот"'
Оцените статью
Отлично
Хорошо
Нормально
Плохо
Ужасно
Ваше имя *
Ваш E-mail *
Текст комментария *
Добавить комментарий
Закрыть