ВИЗАТОР
Японские автомобильные аукционы с акцентом на Nissan NV150 AD VY12
Главная
Новости
FAQ
Аукционы
Руководства по ремонту
Nissan Wingroad Y12: полное руководство по ремонту и обслуживанию на русском языке
Поиск
Вы здесь:
Главная
Руководства по ремонту
Nissan Wingroad Y12: полное руководство по ремонту и обслуживанию на русском языке
Привод и мосты
Электрический привод колес
Схема подключения — 4wd — Диагностика неисправностей
Схема подключения — 4wd — Диагностика неисправностей
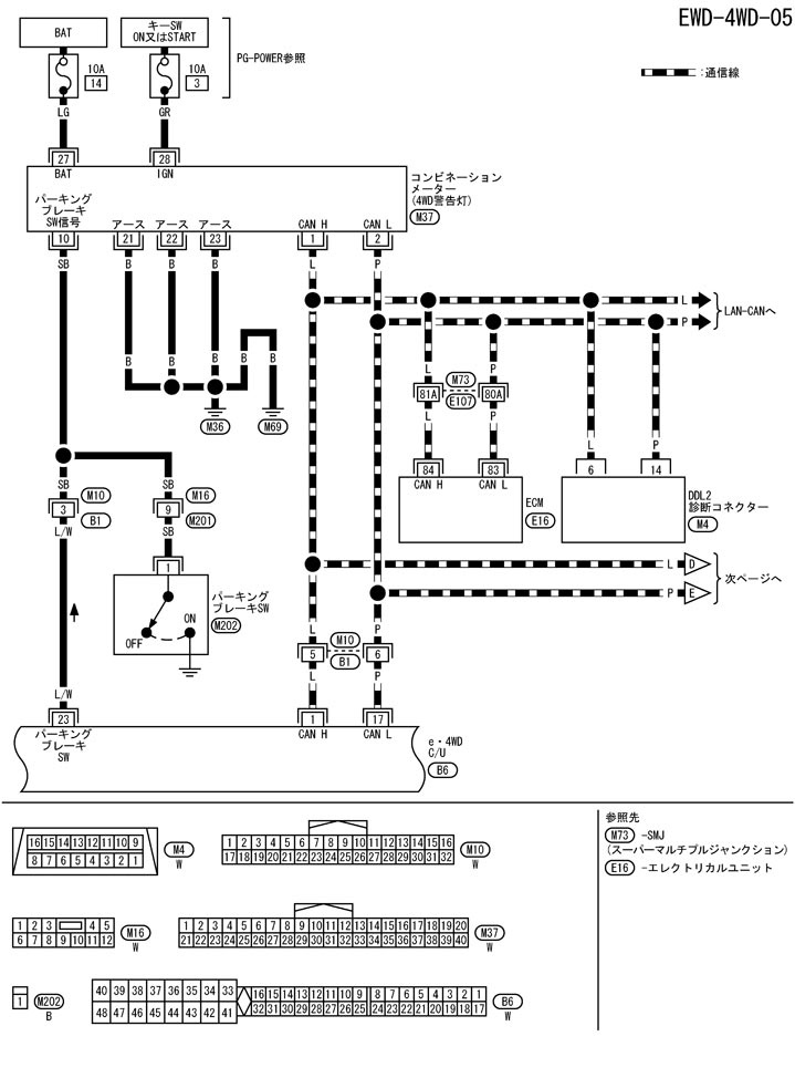
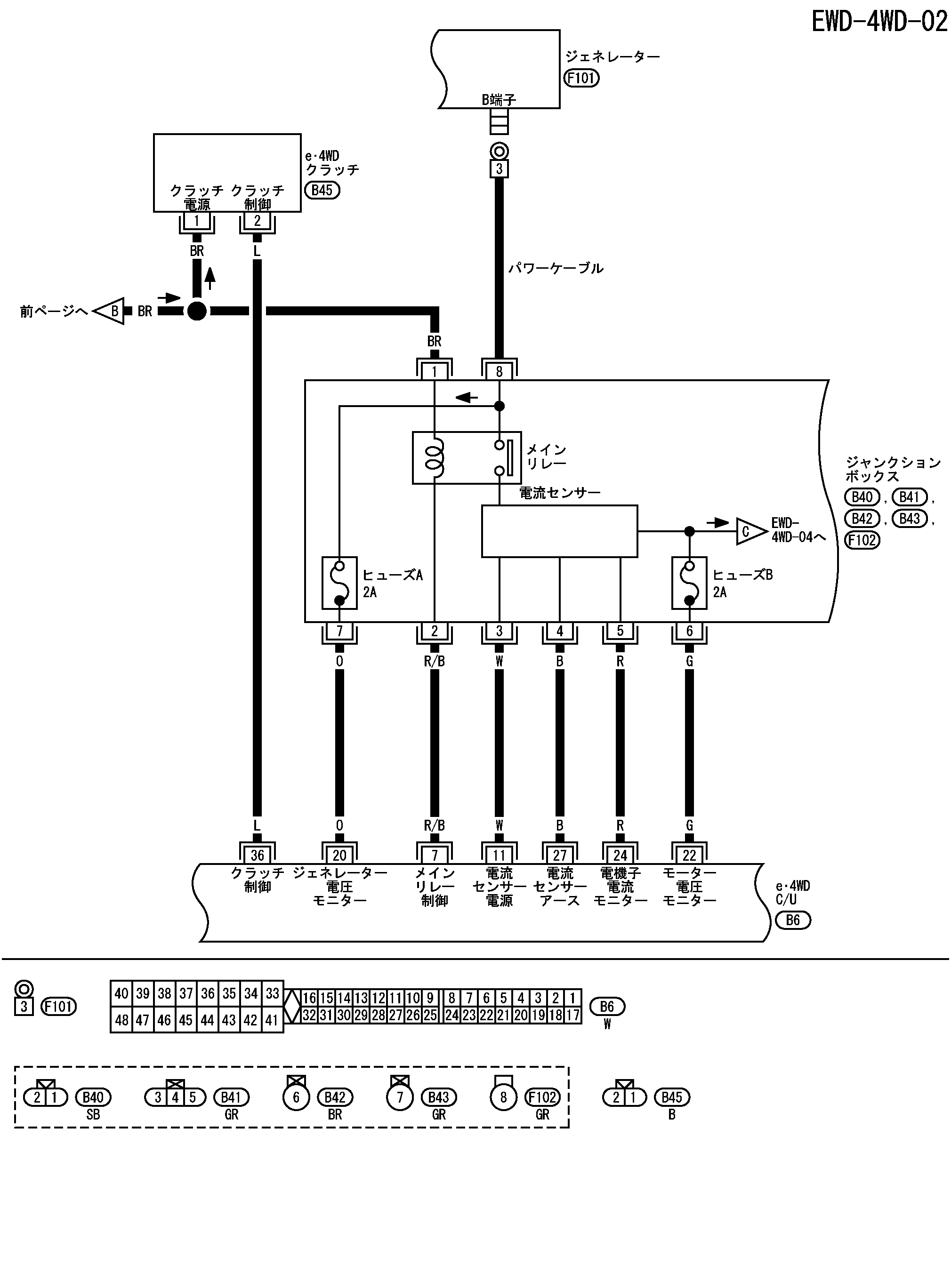
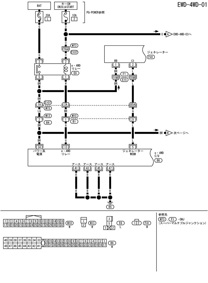
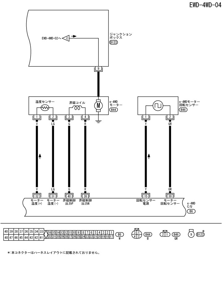
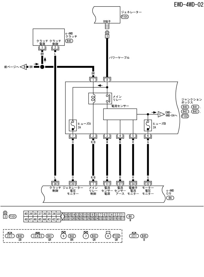
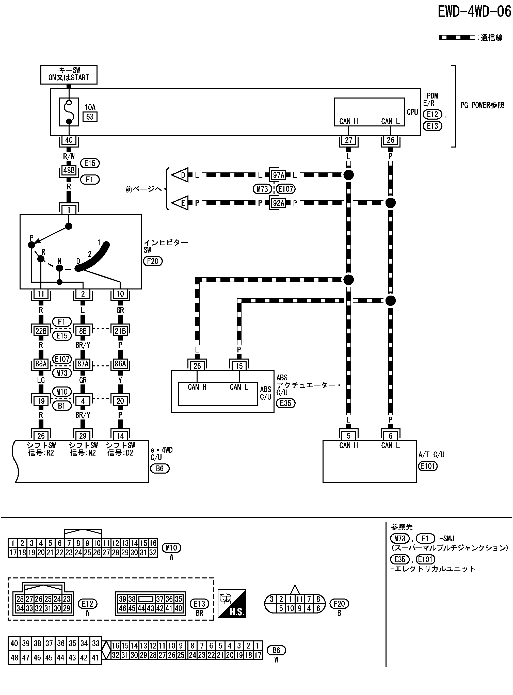
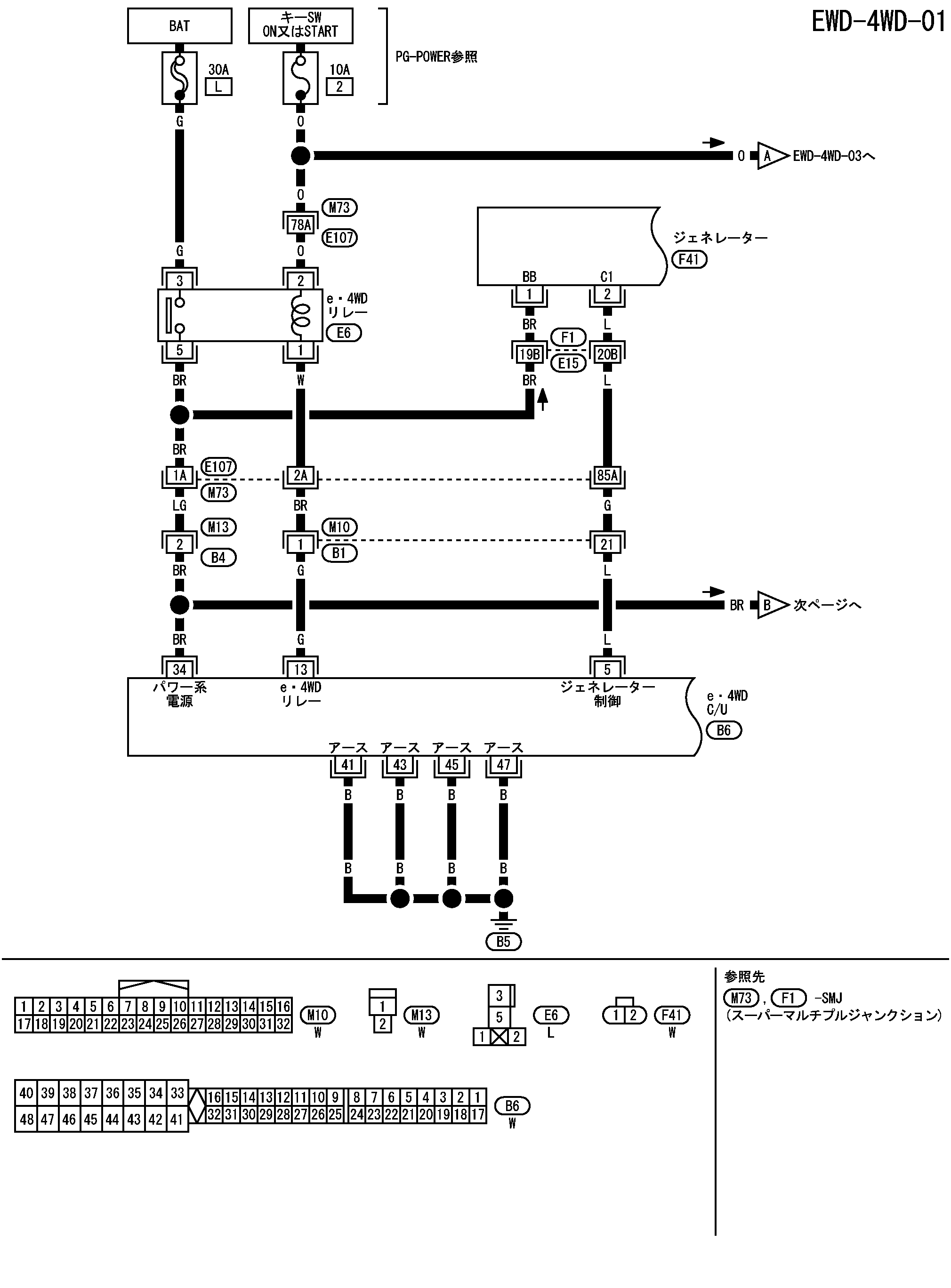
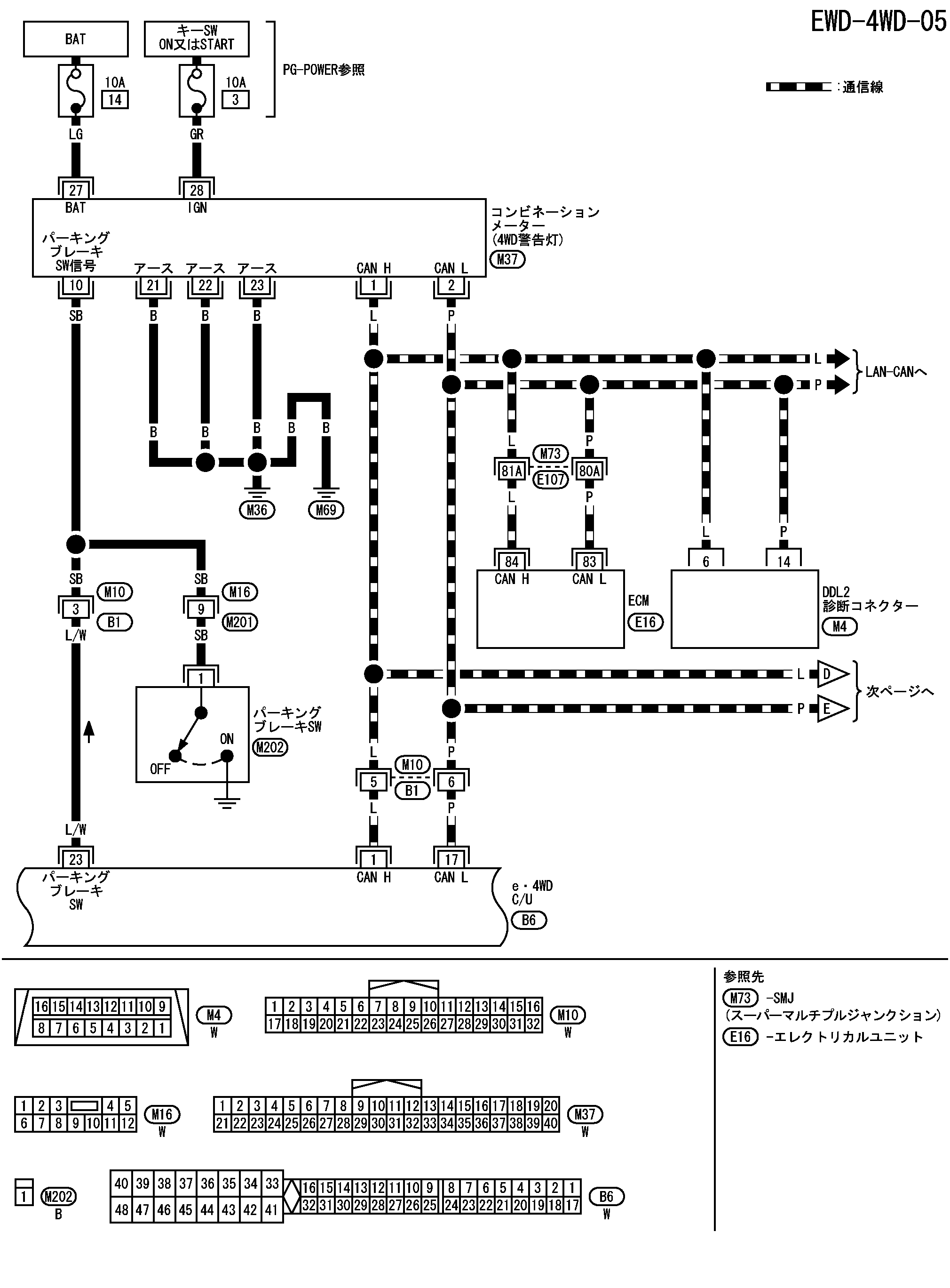
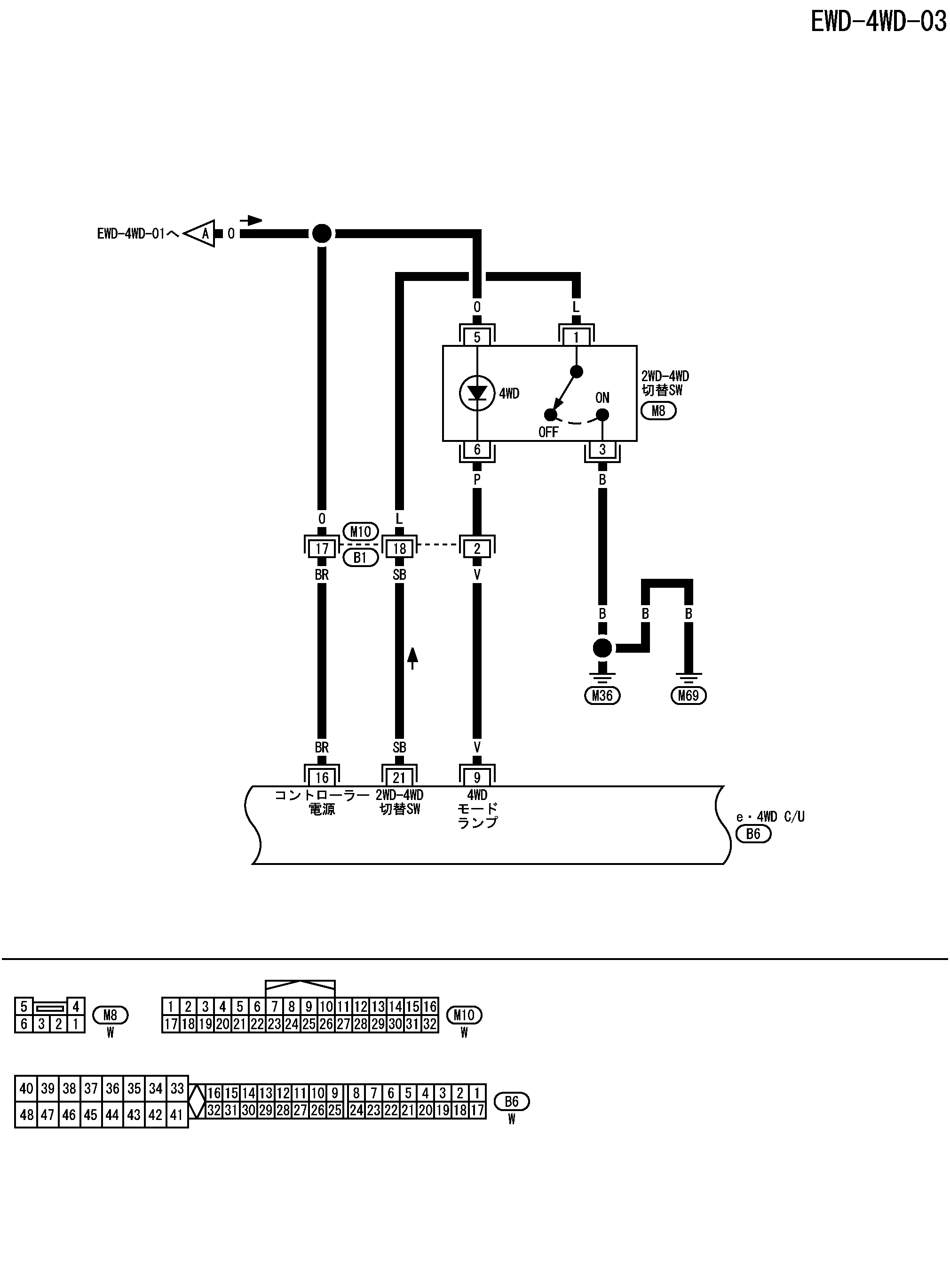
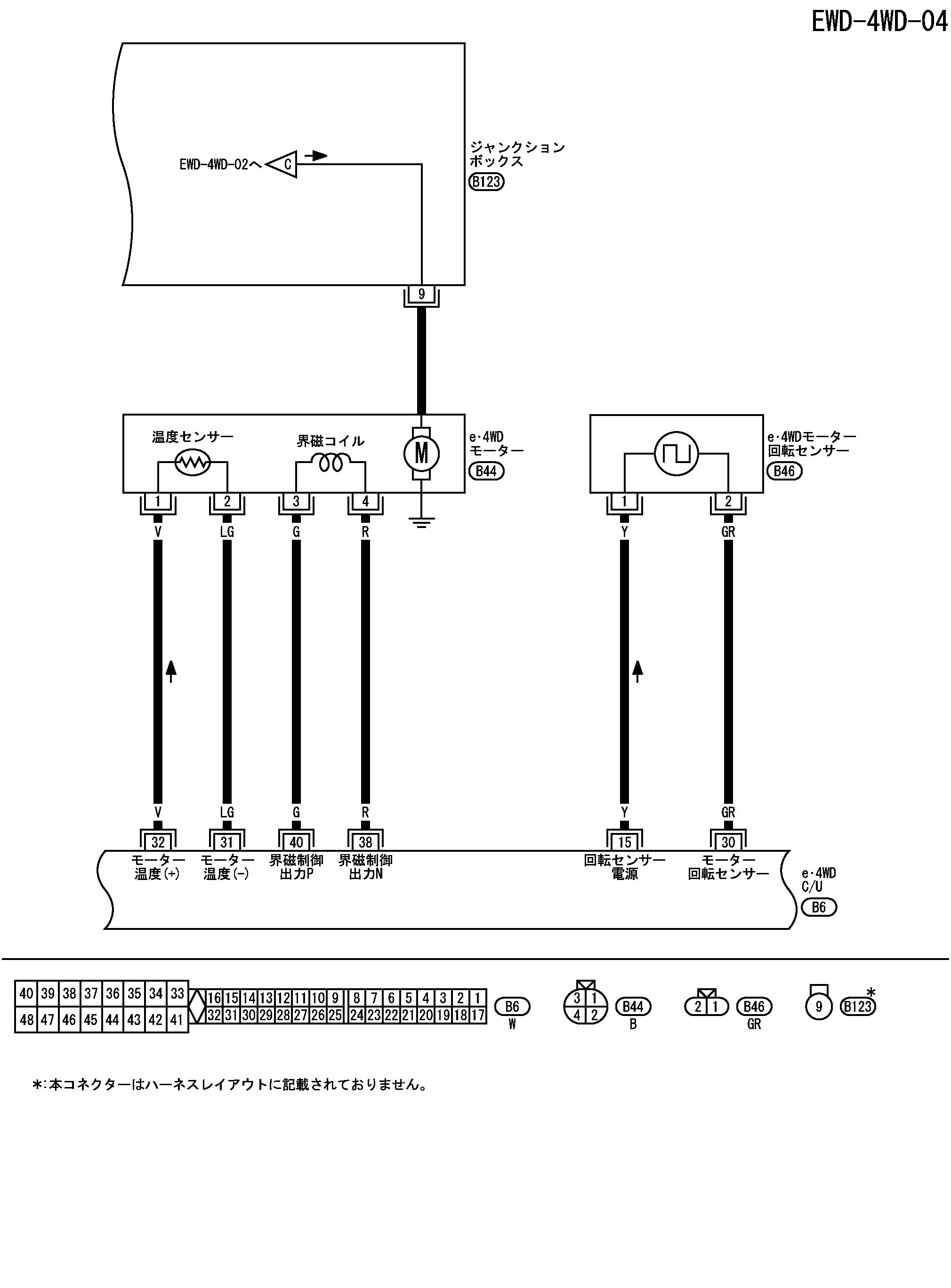
配線図 - 4WD -
📄
Открыть схему TDWB0095J.PDF
📄
Открыть схему TDWB0057J.PDF
📄
Открыть схему TDWB0096J.PDF
📄
Открыть схему TDWB0059J.PDF
📄
Открыть схему TDWB0097J.PDF
📄
Открыть схему TDWB0098J.PDF
Предыдущий: Схема диагностики неисправностей
Назад
Следующий: e/4wd c/u, диагностика неисправности опорного значения входного/выходного сигнала
Вперед
Необходимо поставить все оценки
'Поставьте галочку "Я не робот"'
Оцените статью
Отлично
Хорошо
Нормально
Плохо
Ужасно
Ваше имя *
Ваш E-mail *
Текст комментария *
Добавить комментарий
Закрыть