ВИЗАТОР
Японские автомобильные аукционы с акцентом на Nissan NV150 AD VY12
Главная
Новости
FAQ
Аукционы
Руководства по ремонту
Nissan Wingroad Y12: полное руководство по ремонту и обслуживанию на русском языке
Поиск
Вы здесь:
Главная
Руководства по ремонту
Nissan Wingroad Y12: полное руководство по ремонту и обслуживанию на русском языке
Привод и мосты
Электрический привод колес
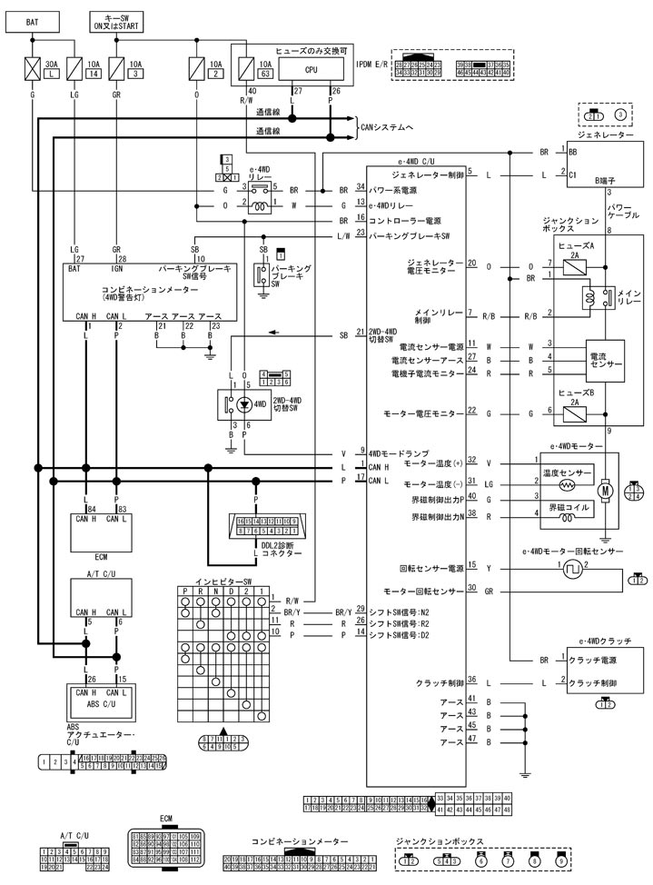
Принципиальная схема системы e/4wd
Принципиальная схема системы e/4wd
принципиальная схема
Предыдущий: может ли система связи e/4wd
Назад
Следующий: Функция самодиагностики системы e/4WD
Вперед
Необходимо поставить все оценки
'Поставьте галочку "Я не робот"'
Оцените статью
Отлично
Хорошо
Нормально
Плохо
Ужасно
Ваше имя *
Ваш E-mail *
Текст комментария *
Добавить комментарий
Закрыть