ВИЗАТОР
Японские автомобильные аукционы с акцентом на Nissan NV150 AD VY12
Главная
Новости
FAQ
Аукционы
Руководства по ремонту
Nissan Wingroad Y12: полное руководство по ремонту и обслуживанию на русском языке
Поиск
Вы здесь:
Главная
Руководства по ремонту
Nissan Wingroad Y12: полное руководство по ремонту и обслуживанию на русском языке
Кузов
Стекла, окна, зеркала
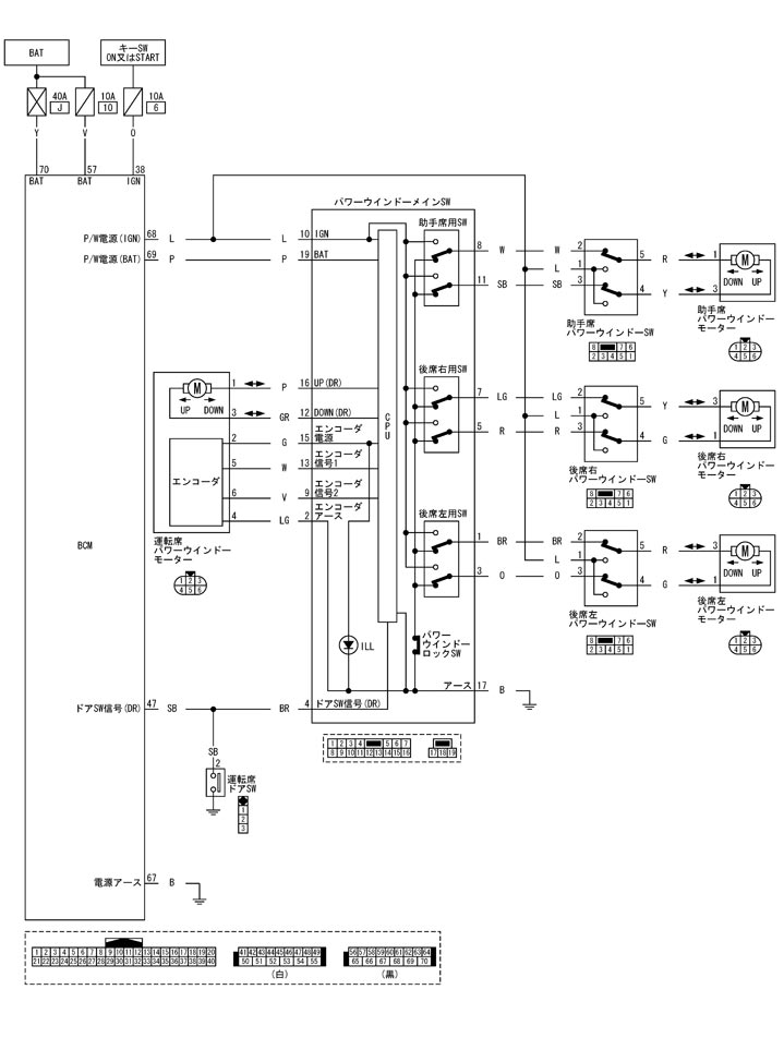
Схема системы электрических стеклоподъемников
Схема системы электрических стеклоподъемников
принципиальная схема
📄
Открыть схему TIWB0869J.PDF
Предыдущий: Положение установки компонента
Назад
Следующий: Обзор работы Система электрических стеклоподъемников
Вперед
Необходимо поставить все оценки
'Поставьте галочку "Я не робот"'
Оцените статью
Отлично
Хорошо
Нормально
Плохо
Ужасно
Ваше имя *
Ваш E-mail *
Текст комментария *
Добавить комментарий
Закрыть