ВИЗАТОР
Японские автомобильные аукционы с акцентом на Nissan NV150 AD VY12
Главная
Новости
FAQ
Аукционы
Руководства по ремонту
Nissan Wingroad Y12: полное руководство по ремонту и обслуживанию на русском языке
Поиск
Вы здесь:
Главная
Руководства по ремонту
Nissan Wingroad Y12: полное руководство по ремонту и обслуживанию на русском языке
Кузов
Стекла, окна, зеркала
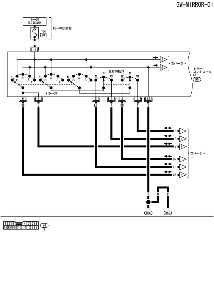
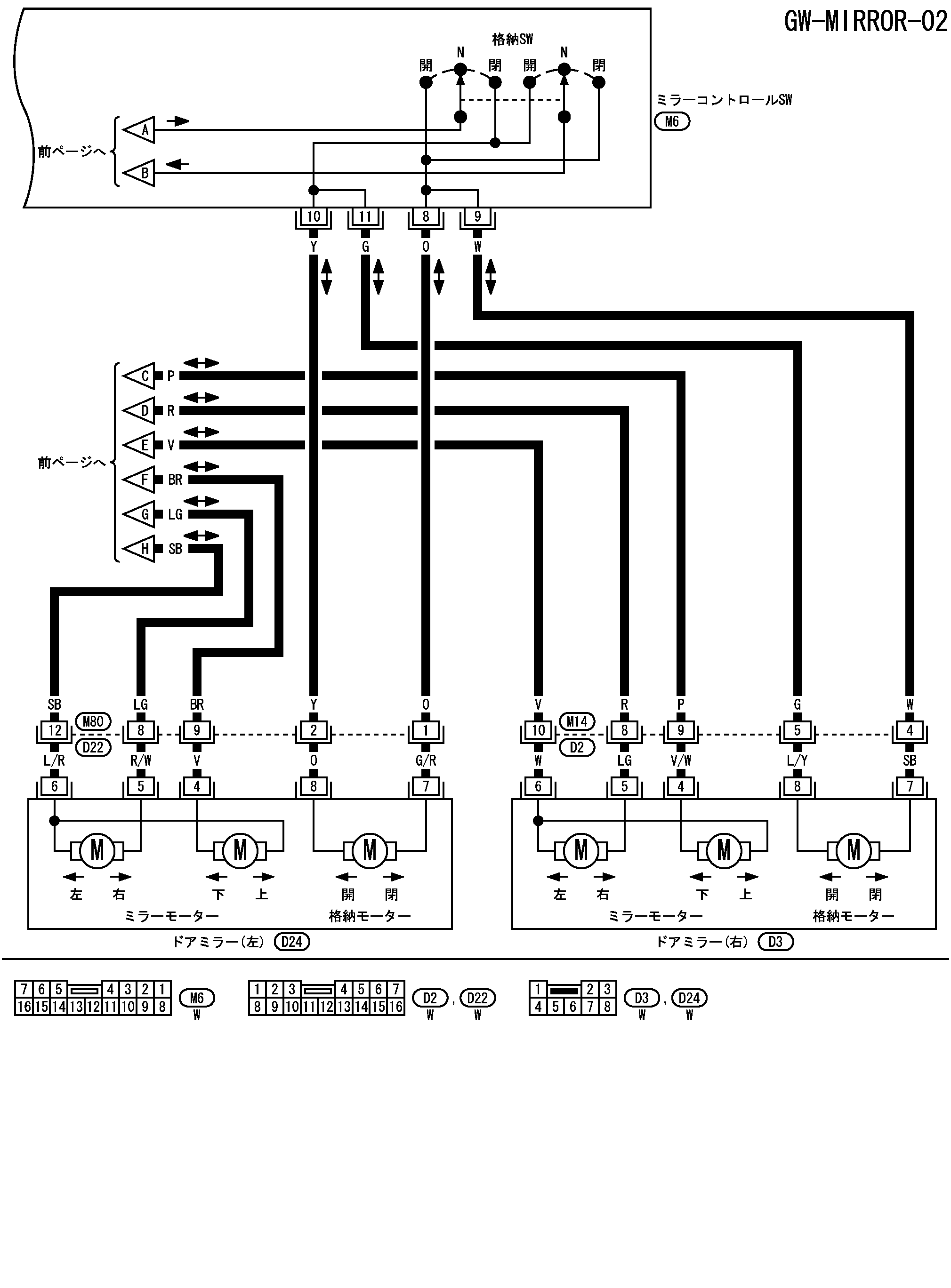
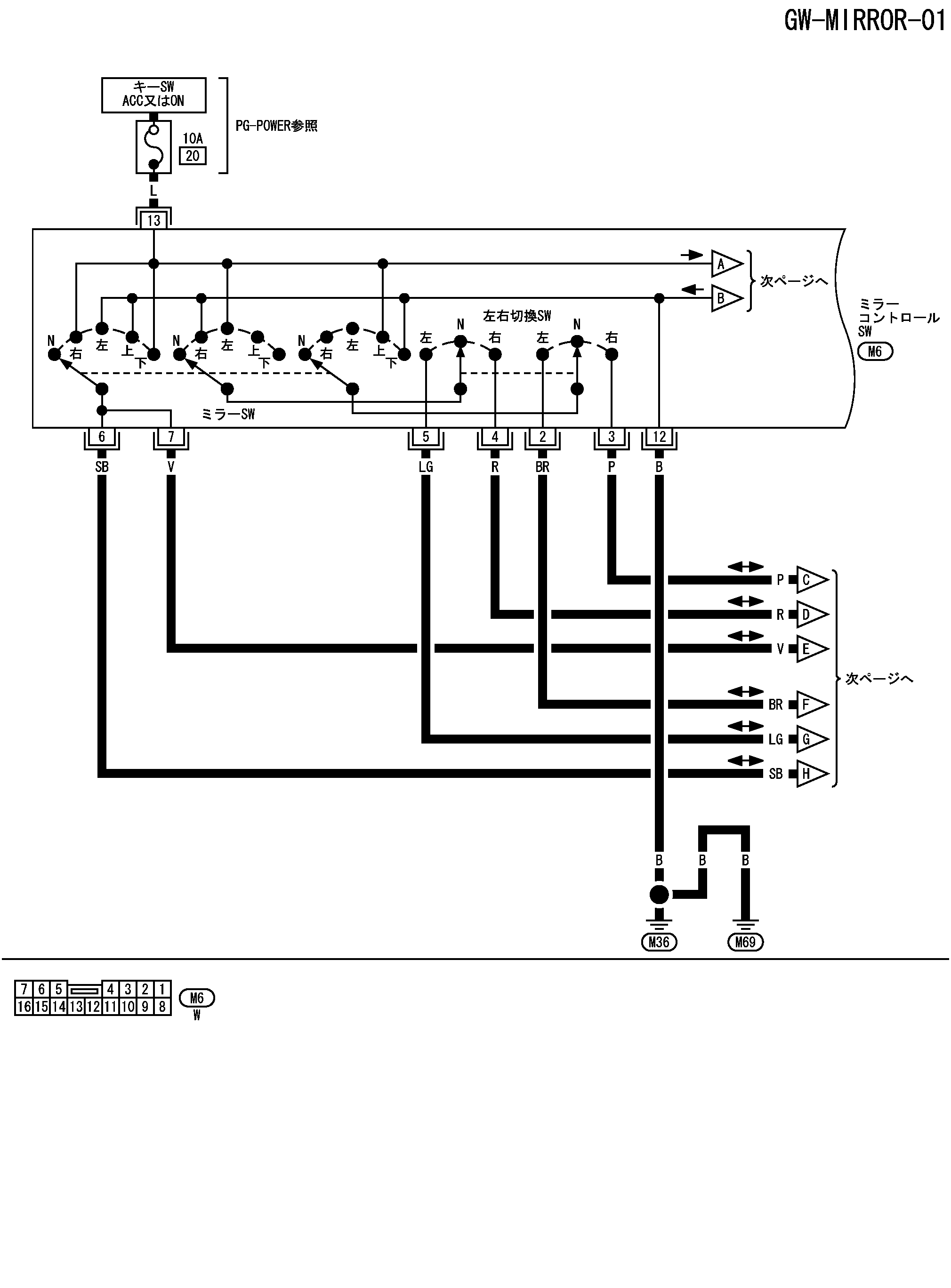
Схема подключения – зеркало – зеркало заднего вида
Схема подключения – зеркало – зеркало заднего вида
配線図 - MIRROR -
📄
Открыть схему TIWB0875J.PDF
📄
Открыть схему TIWB1348J.PDF
Предыдущий: Схема зеркала на двери
Назад
Следующий: Обзорное зеркало заднего вида
Вперед
Необходимо поставить все оценки
'Поставьте галочку "Я не робот"'
Оцените статью
Отлично
Хорошо
Нормально
Плохо
Ужасно
Ваше имя *
Ваш E-mail *
Текст комментария *
Добавить комментарий
Закрыть