ВИЗАТОР
Японские автомобильные аукционы с акцентом на Nissan NV150 AD VY12
Главная
Новости
FAQ
Аукционы
Руководства по ремонту
Nissan Wingroad Y12: полное руководство по ремонту и обслуживанию на русском языке
Поиск
Вы здесь:
Главная
Руководства по ремонту
Nissan Wingroad Y12: полное руководство по ремонту и обслуживанию на русском языке
Кузов
Стекла, окна, зеркала
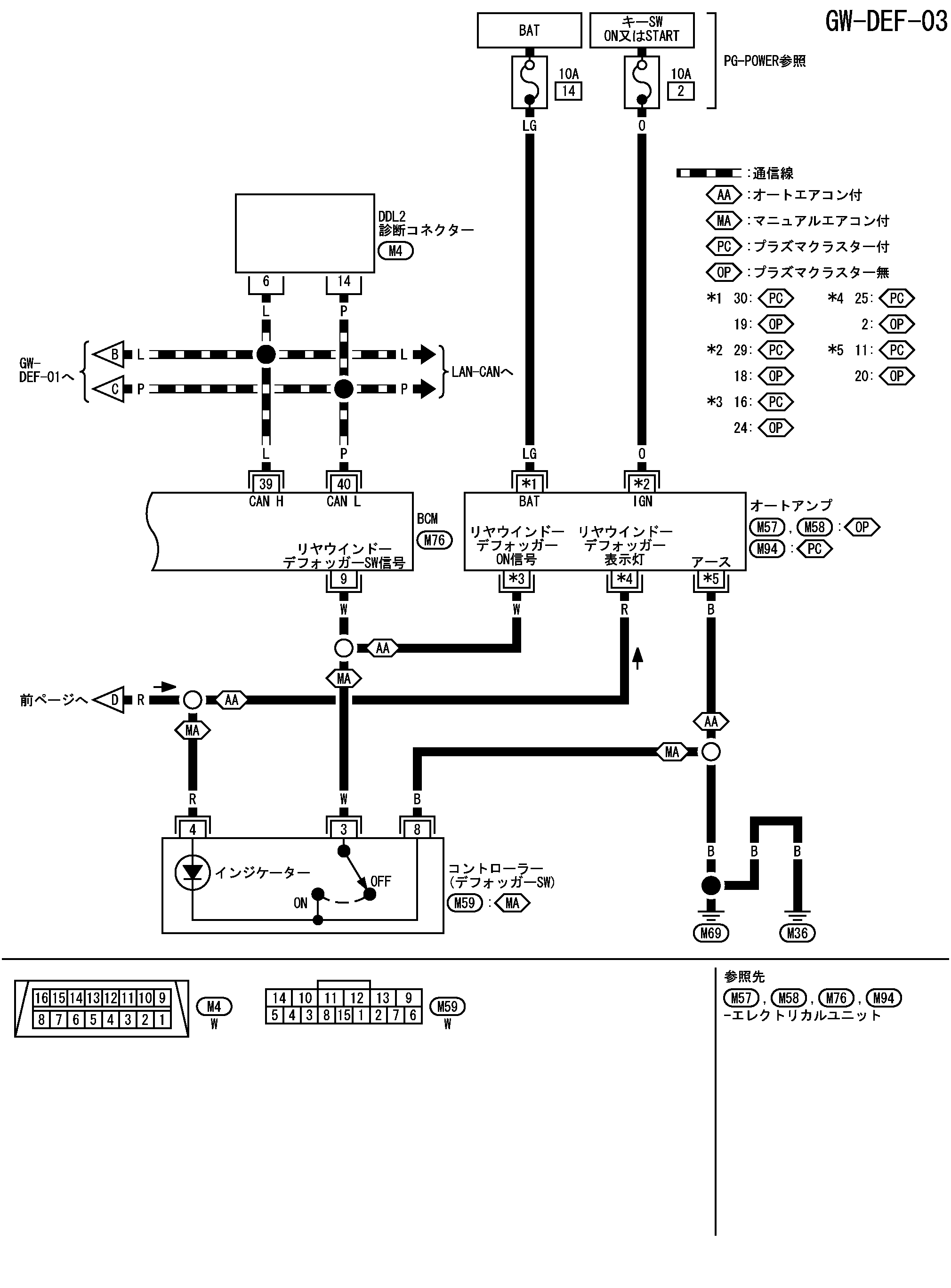
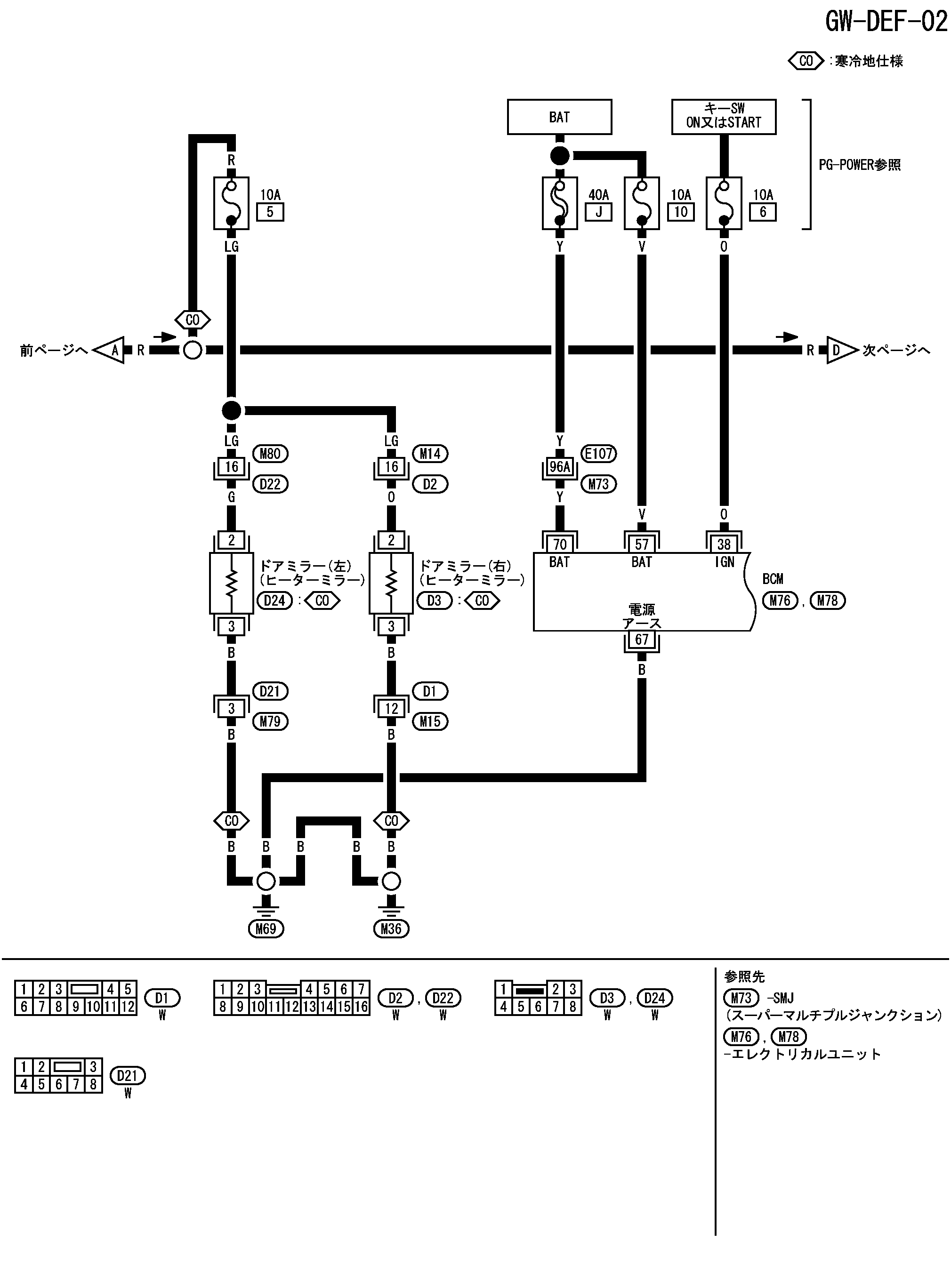
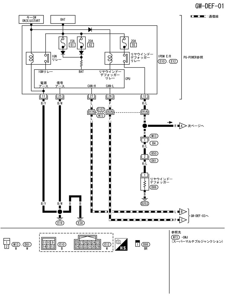
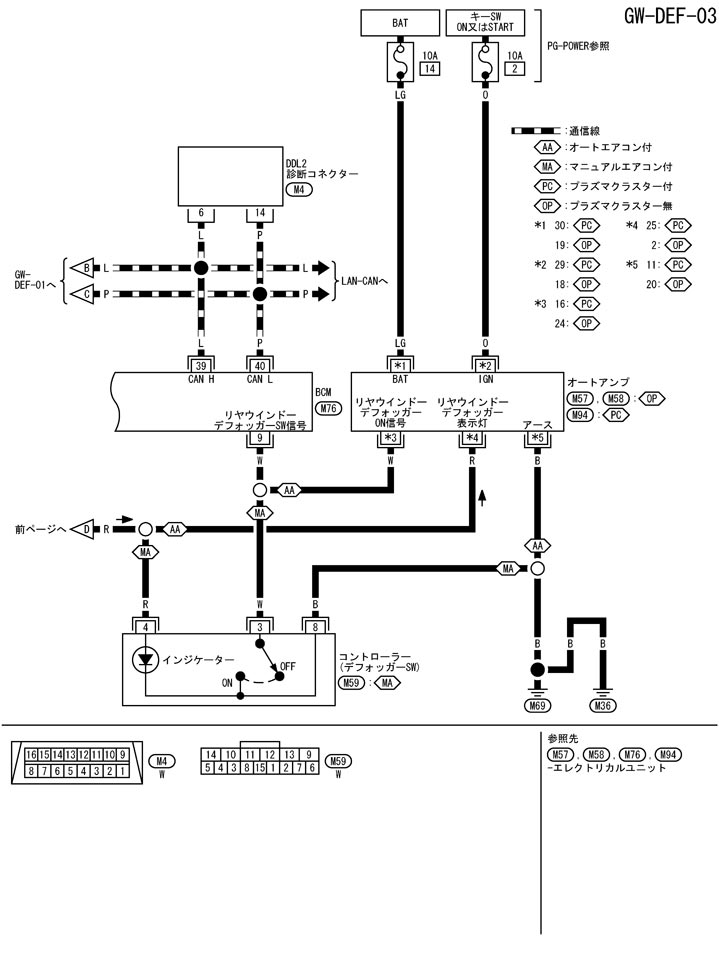
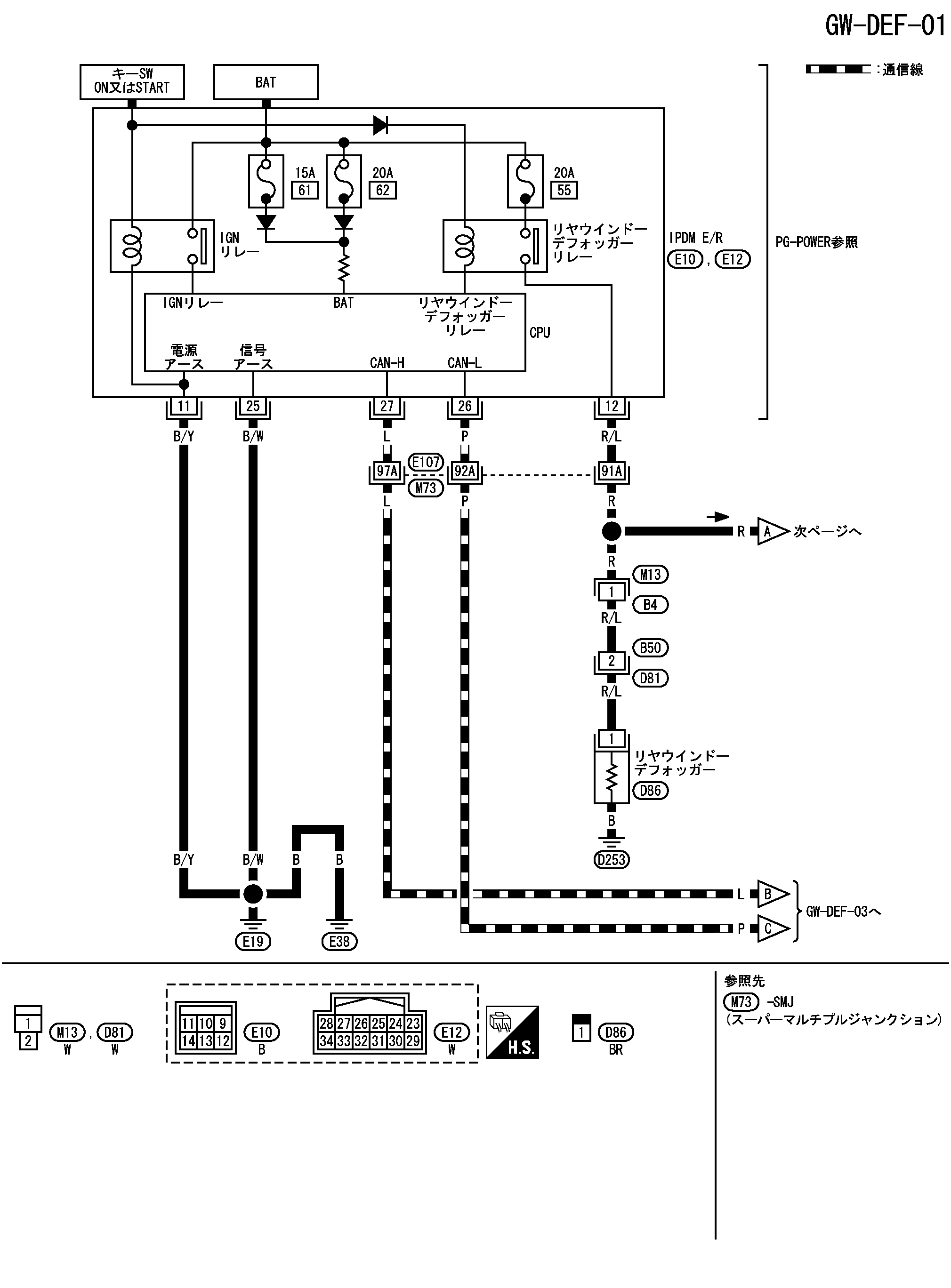
Схема подключения - def - обогреватель заднего стекла
Схема подключения - def - обогреватель заднего стекла
配線図 - DEF -
📄
Открыть схему TIWB1555J.PDF
📄
Открыть схему TIWB1343J.PDF
📄
Открыть схему TIWB1344J.PDF
Предыдущий: Схема обогревателя заднего стекла
Назад
Следующий: Опорное значение входного/выходного сигнала bcm, обогреватель заднего стекла
Вперед
Необходимо поставить все оценки
'Поставьте галочку "Я не робот"'
Оцените статью
Отлично
Хорошо
Нормально
Плохо
Ужасно
Ваше имя *
Ваш E-mail *
Текст комментария *
Добавить комментарий
Закрыть