ВИЗАТОР
Японские автомобильные аукционы с акцентом на Nissan NV150 AD VY12
Главная
Новости
FAQ
Аукционы
Руководства по ремонту
Nissan Wingroad Y12: полное руководство по ремонту и обслуживанию на русском языке
Поиск
Вы здесь:
Главная
Руководства по ремонту
Nissan Wingroad Y12: полное руководство по ремонту и обслуживанию на русском языке
Кузов
Сиденья
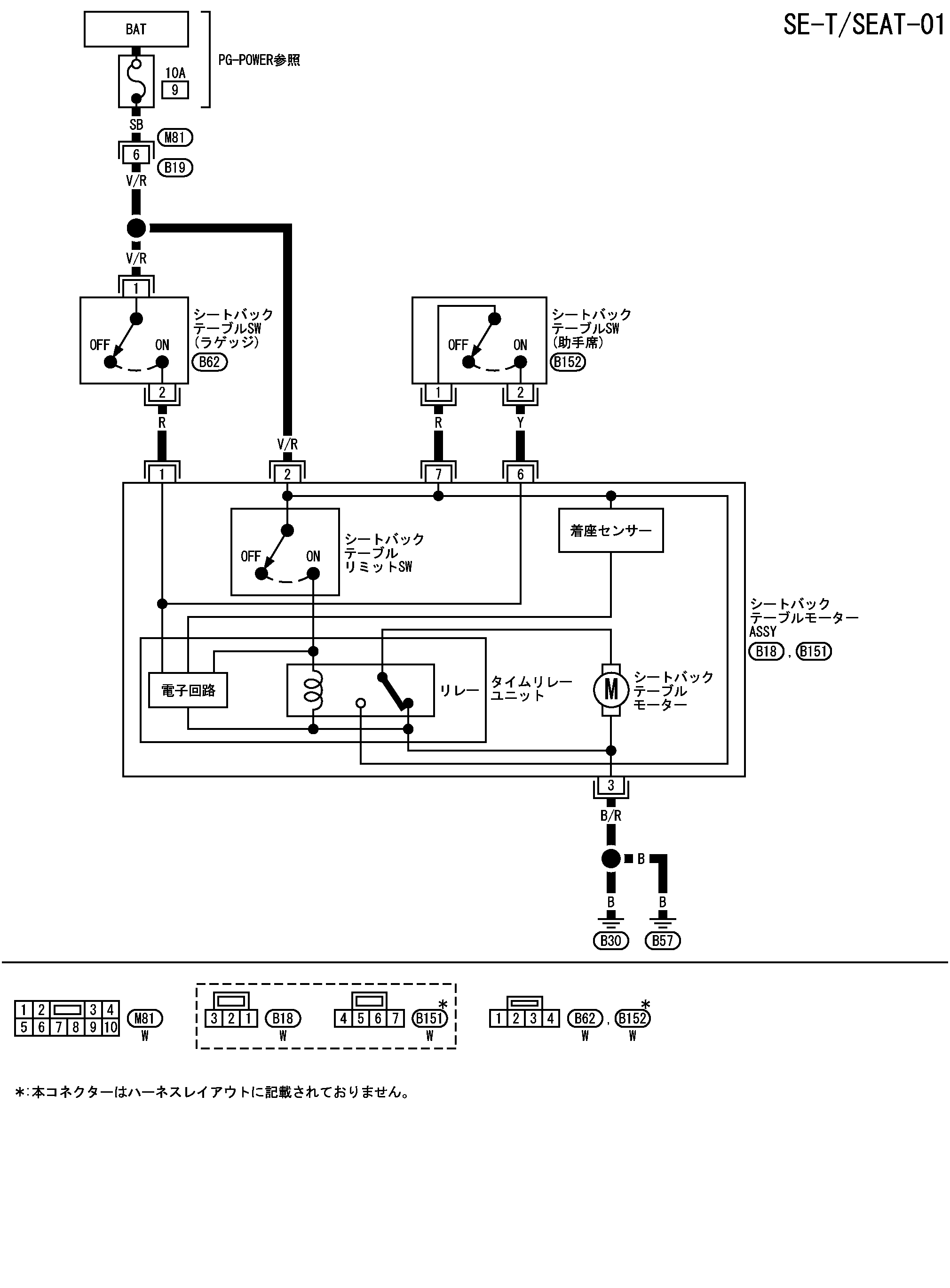
Схема подключения сиденья/t-стола спинки пассажирского сиденья
Схема подключения сиденья/t-стола спинки пассажирского сиденья
配線図 - SEAT/T -
📄
Открыть схему TIWB1558J.PDF
Предыдущий: Схема спинки пассажирского сиденья
Назад
Следующий: Обзор управления Столик спинки пассажирского сиденья
Вперед
Необходимо поставить все оценки
'Поставьте галочку "Я не робот"'
Оцените статью
Отлично
Хорошо
Нормально
Плохо
Ужасно
Ваше имя *
Ваш E-mail *
Текст комментария *
Добавить комментарий
Закрыть