ВИЗАТОР
Японские автомобильные аукционы с акцентом на Nissan NV150 AD VY12
Главная
Новости
FAQ
Аукционы
Руководства по ремонту
Nissan Wingroad Y12: полное руководство по ремонту и обслуживанию на русском языке
Поиск
Вы здесь:
Главная
Руководства по ремонту
Nissan Wingroad Y12: полное руководство по ремонту и обслуживанию на русском языке
Электрооборудование
Стеклоочистители, омыватели, сигнал
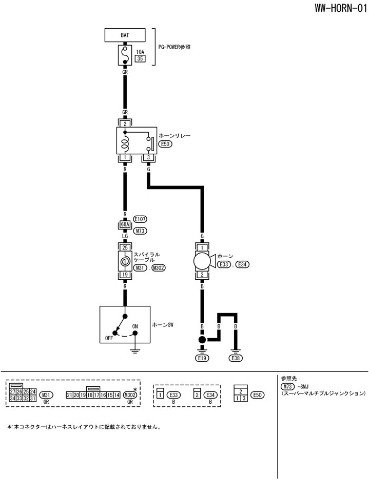
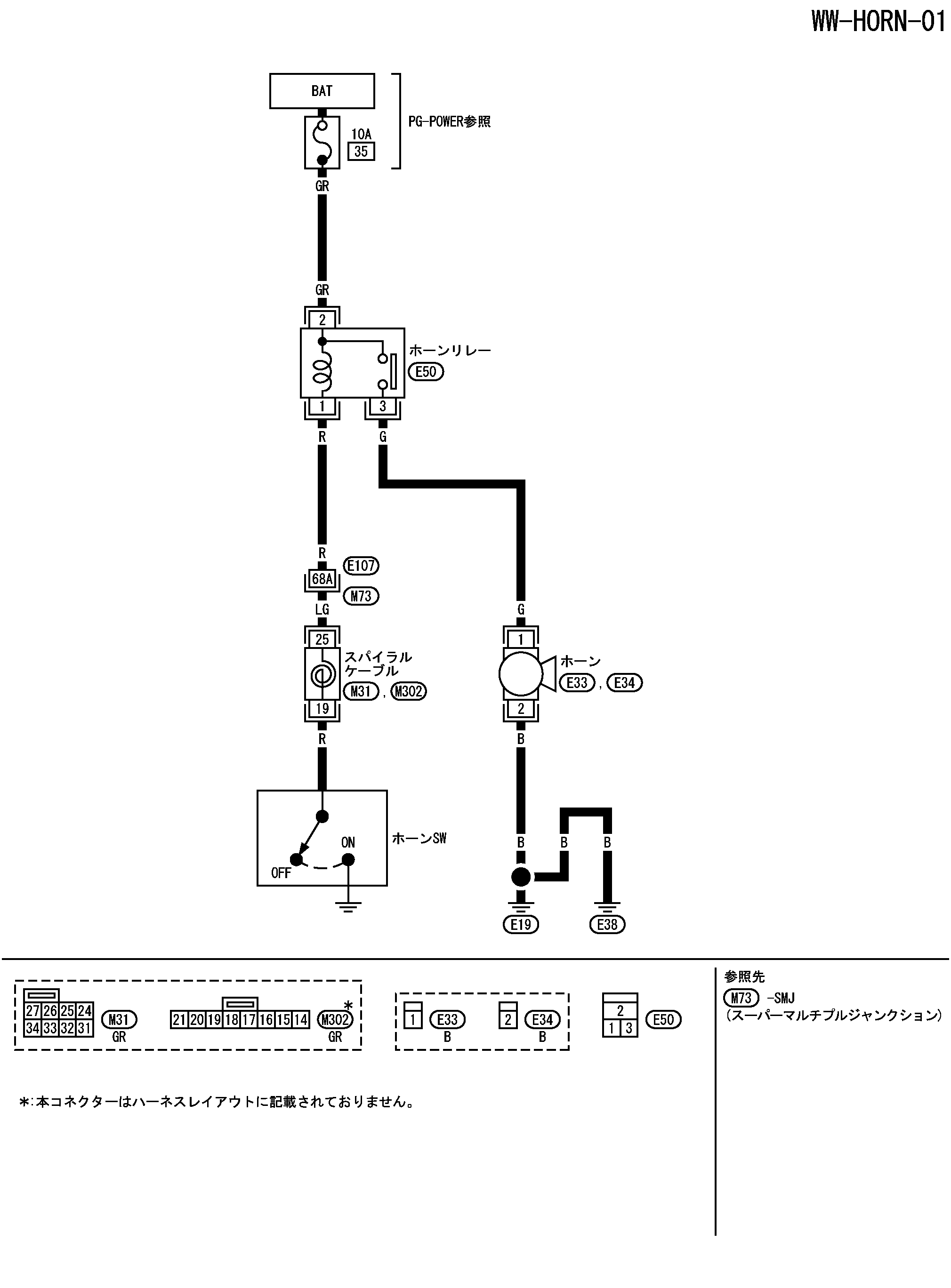
Схема подключения – звуковой сигнал – звуковой сигнал
Схема подключения – звуковой сигнал – звуковой сигнал
配線図 - HORN -
📄
Открыть схему TKWB4412J.PDF
Предыдущий: схематический рог
Назад
Следующий: Снятие и установка звукового сигнала
Вперед
Необходимо поставить все оценки
'Поставьте галочку "Я не робот"'
Оцените статью
Отлично
Хорошо
Нормально
Плохо
Ужасно
Ваше имя *
Ваш E-mail *
Текст комментария *
Добавить комментарий
Закрыть