ВИЗАТОР
Японские автомобильные аукционы с акцентом на Nissan NV150 AD VY12
Главная
Новости
FAQ
Аукционы
Руководства по ремонту
Nissan Wingroad Y12: полное руководство по ремонту и обслуживанию на русском языке
Поиск
Вы здесь:
Главная
Руководства по ремонту
Nissan Wingroad Y12: полное руководство по ремонту и обслуживанию на русском языке
Электрооборудование
Стеклоочистители, омыватели, сигнал
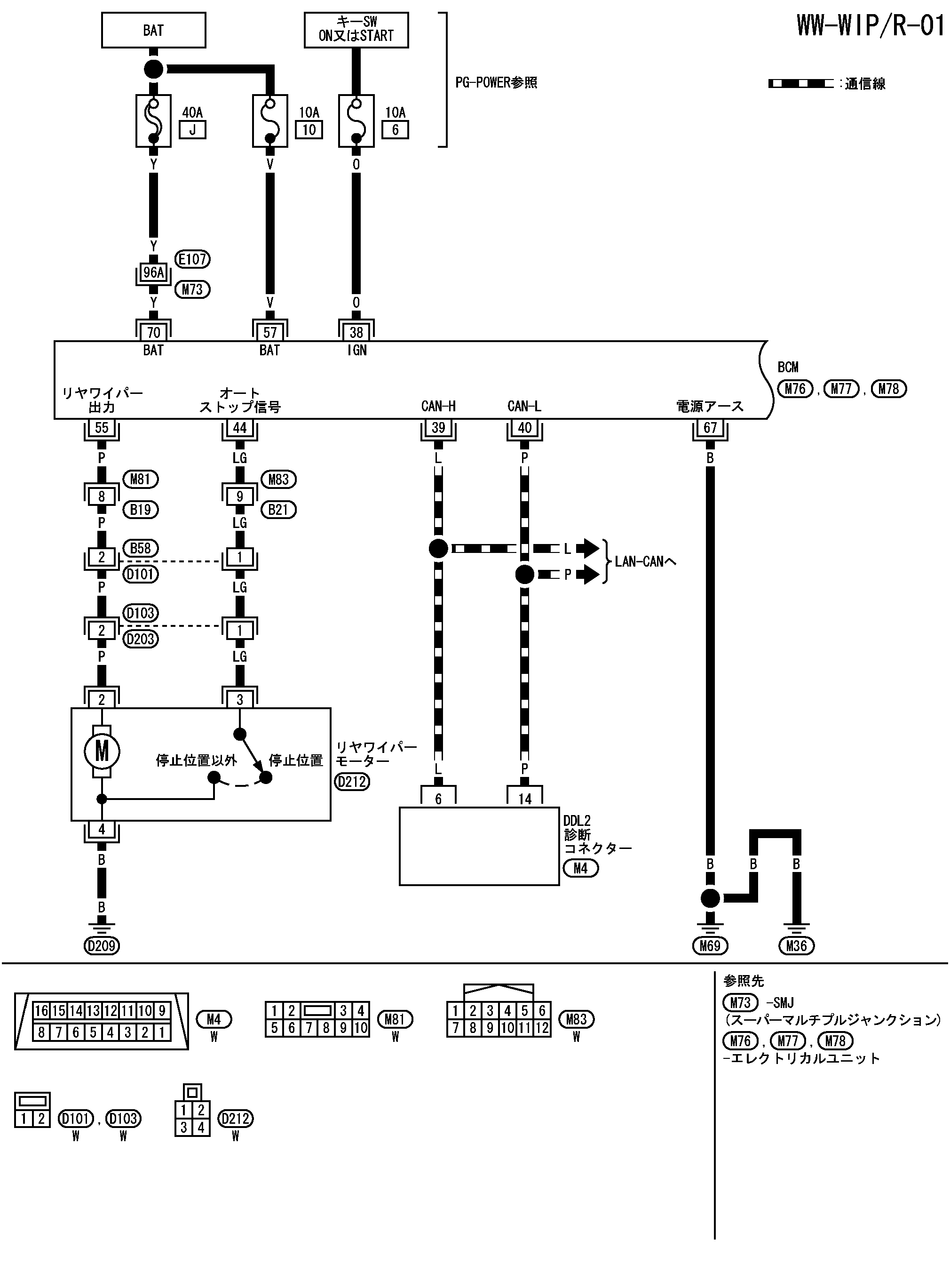
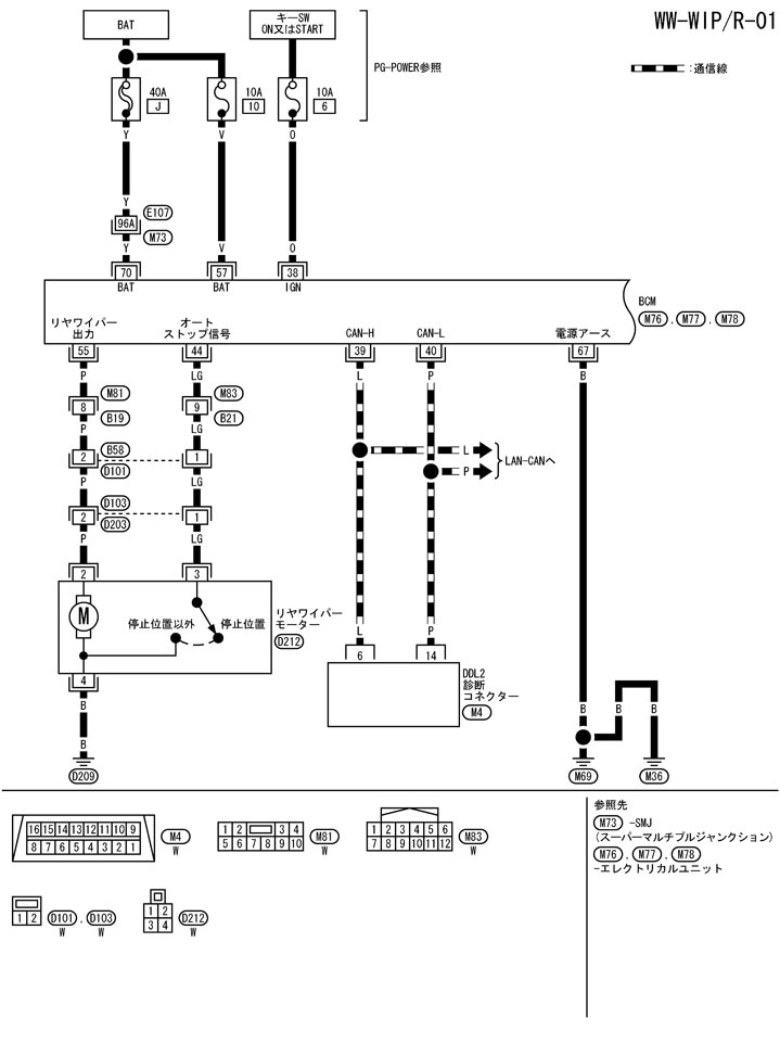
Схема подключения - wip/r - система заднего стеклоочистителя/омывателя
Схема подключения - wip/r - система заднего стеклоочистителя/омывателя
配線図 - WIP/R -
📄
Открыть схему TKWB4970J.PDF
📄
Открыть схему TKWB4411J.PDF
Предыдущий: Принципиальная схема системы заднего стеклоочистителя/омывателя
Назад
Следующий: Эталонное значение входного/выходного сигнала bcm системы заднего стеклоочистителя/омывателя
Вперед
Необходимо поставить все оценки
'Поставьте галочку "Я не робот"'
Оцените статью
Отлично
Хорошо
Нормально
Плохо
Ужасно
Ваше имя *
Ваш E-mail *
Текст комментария *
Добавить комментарий
Закрыть