ВИЗАТОР
Японские автомобильные аукционы с акцентом на Nissan NV150 AD VY12
Главная
Новости
FAQ
Аукционы
Руководства по ремонту
Nissan Wingroad Y12: полное руководство по ремонту и обслуживанию на русском языке
Поиск
Вы здесь:
Главная
Руководства по ремонту
Nissan Wingroad Y12: полное руководство по ремонту и обслуживанию на русском языке
Электрооборудование
Стеклоочистители, омыватели, сигнал
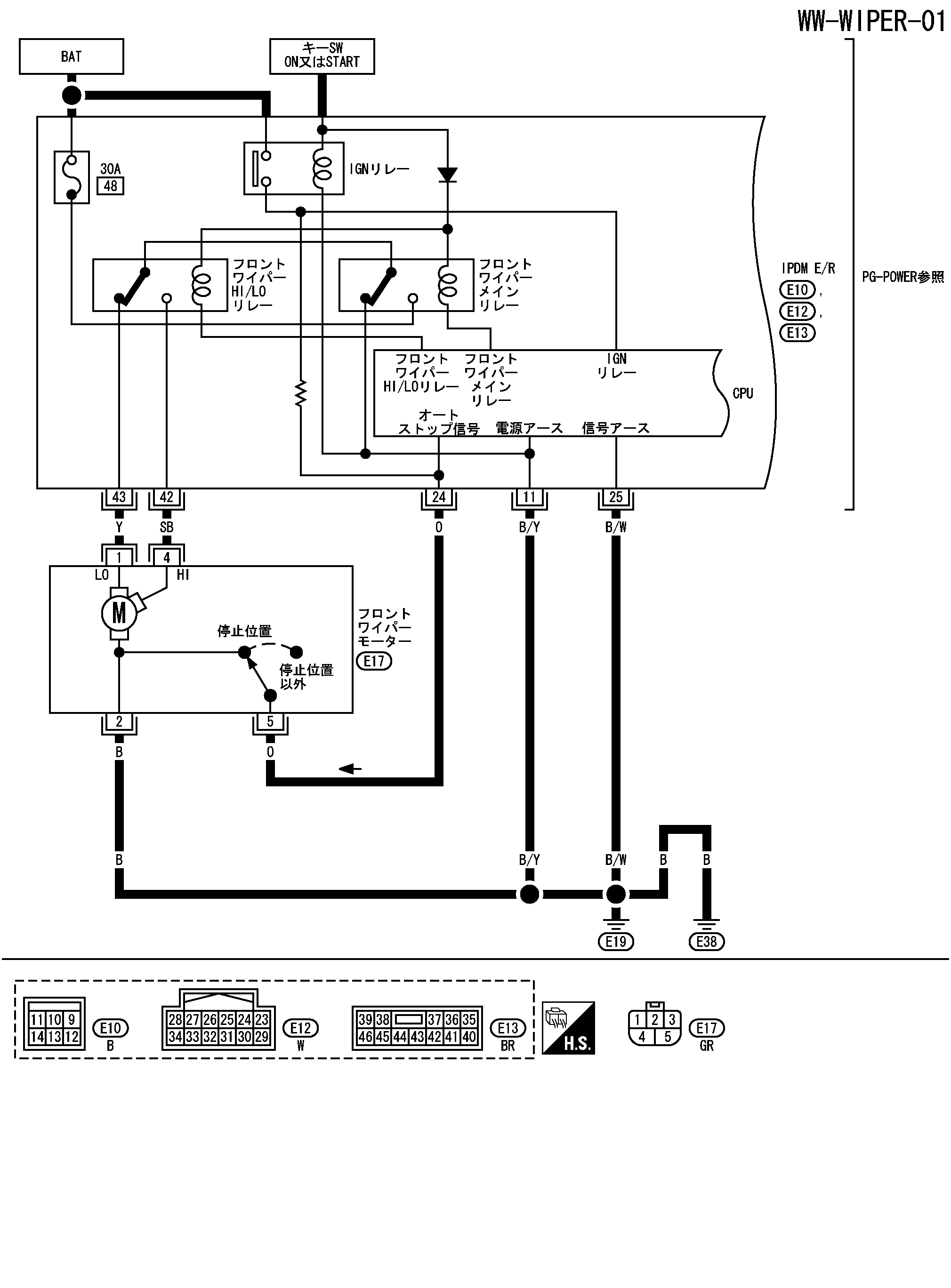
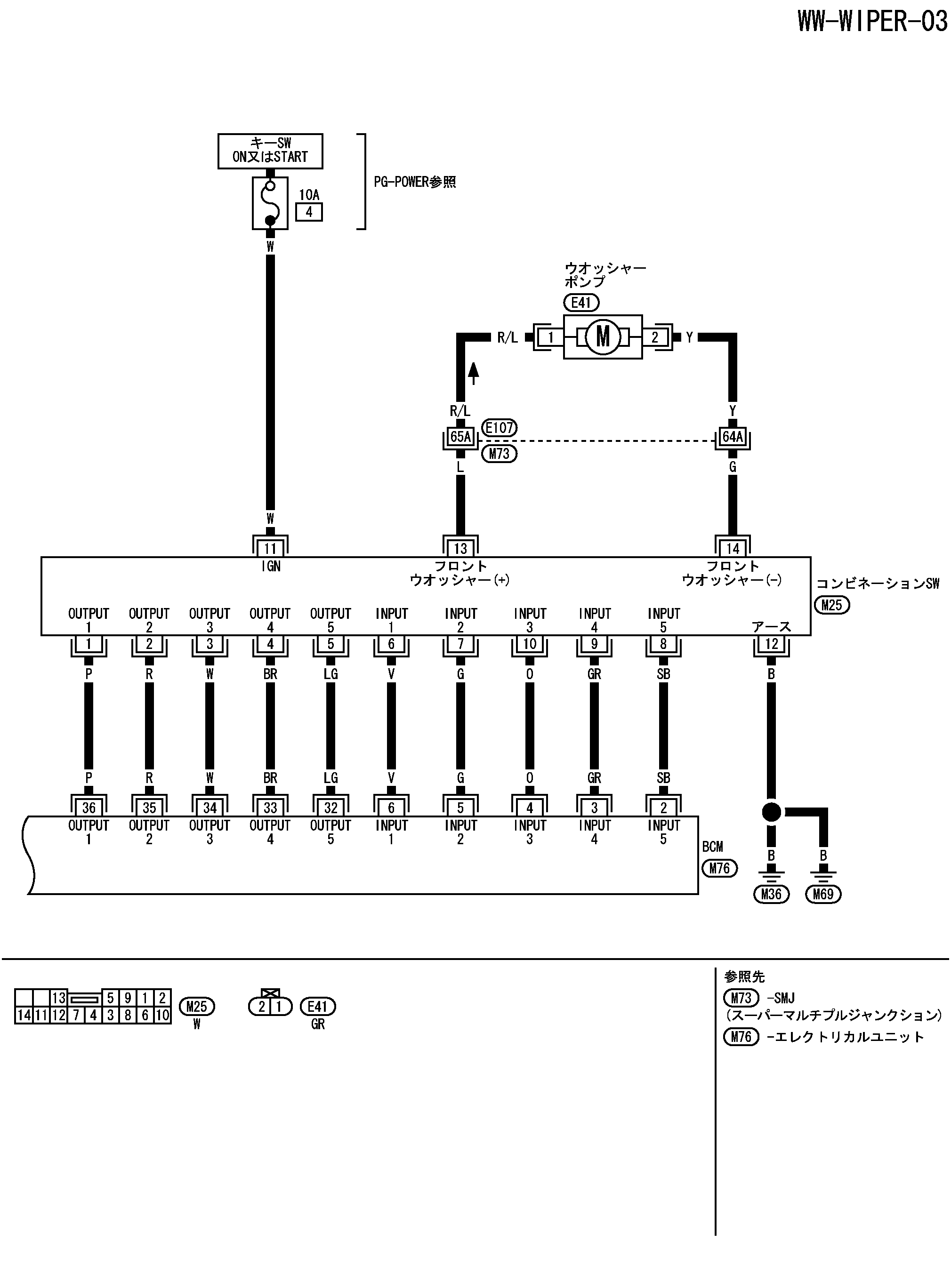
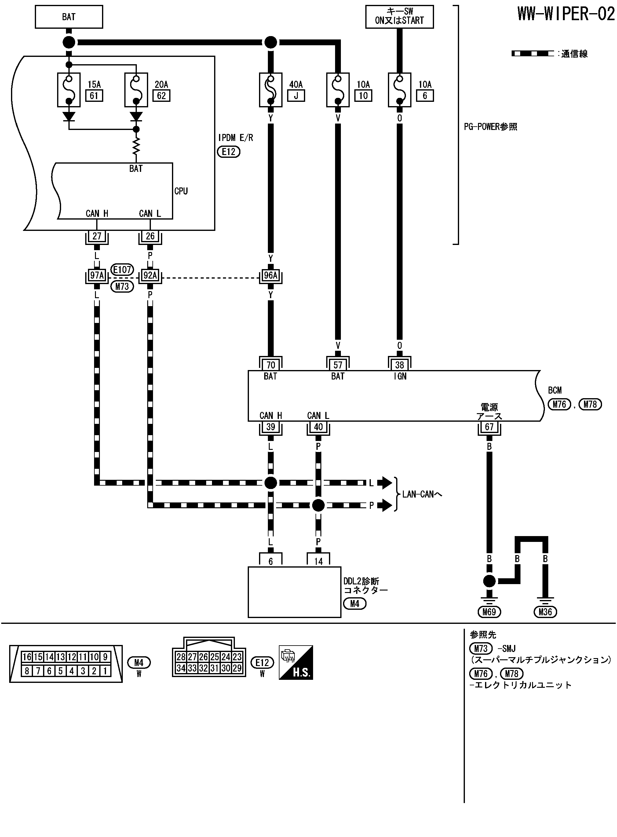
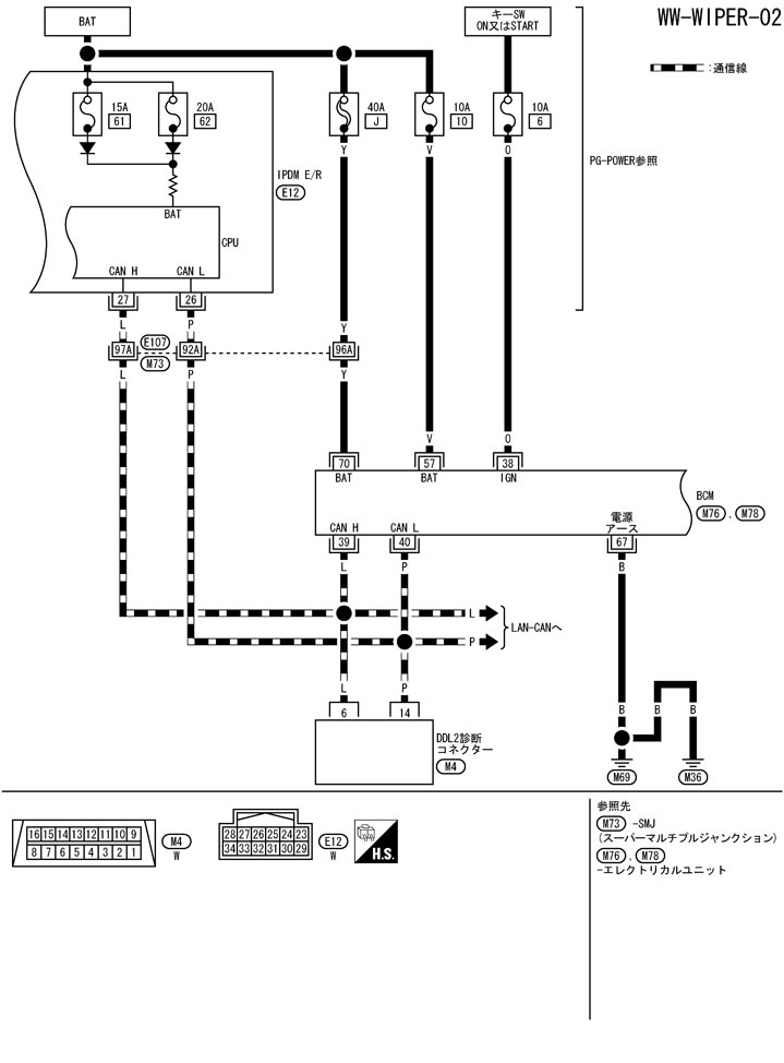
Схема подключения — стеклоочиститель — система переднего стеклоочистителя/омывателя
Схема подключения — стеклоочиститель — система переднего стеклоочистителя/омывателя
配線図 - WIPER -
📄
Открыть схему TKWB4610J.PDF
📄
Открыть схему TKWB4408J.PDF
📄
Открыть схему TKWB4409J.PDF
Предыдущий: Принципиальная схема системы стеклоочистителей и омывателей ветрового стекла
Назад
Следующий: Опорное значение входного/выходного сигнала bcm Система передних стеклоочистителей/омывателей
Вперед
Необходимо поставить все оценки
'Поставьте галочку "Я не робот"'
Оцените статью
Отлично
Хорошо
Нормально
Плохо
Ужасно
Ваше имя *
Ваш E-mail *
Текст комментария *
Добавить комментарий
Закрыть