Обзор системы

 
 システム図
 
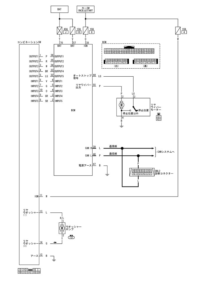
 リヤワイパーON作動

リヤワイパースイッチをON位置にすると、コンビネーションスイッチのリヤワイパーONスイッチの接点がONになり、BCMのOUTPUT5からINPUT2の回路が成立する。
このときBCMは、コンビネーションスイッチの読み取り機能により、リヤワイパーONスイッチONと判断し、キースイッチONのときは、リヤワイパーモーターへ電圧を供給し、リヤワイパーモーターをON作動させる。
 
 リヤワイパーINT作動

リヤワイパースイッチをINT位置にすると、コンビネーションスイッチのリヤワイパーINTスイッチの接点がONになり、BCMのOUTPUT4からINPUT1の回路が成立する。
このときBCMは、コンビネーションスイッチの読み取り機能により、リヤワイパーINTスイッチONと判断する。
キースイッチONのときBCMは、リヤワイパーINTスイッチONと判断すると、リヤワイパーモーターへ電圧を供給し、リヤワイパーモーターをON 作動させ、リヤワイパーモーターからオートストップ信号(停止位置)が入力されると、リヤワイパーモーターを停止させ、間けつ時間(約7秒)のタイマーを作動させる。
  • リヤワイパーが一時停止しているときに、リヤワイパーINTスイッチがOFFになると、リヤワイパーを停止する。
  • リヤワイパーが作動しているときに、リヤワイパーINTスイッチがOFFになると、リヤワイパーを1回作動させてから停止する。
 
 リヤウオッシャー連動作動

リヤワイパースイッチをリヤウオッシャー位置にすると、コンビネーションスイッチのリヤウオッシャースイッチの接点がONになり、BCMのOUTPUT3からINPUT2の回路が成立する。
このときコンビネーションスイッチの読み取り機能により、BCMは、リヤウオッシャースイッチ ONと判断する。
  • リヤワイパースイッチのリヤウオッシャースイッチをONにすると、コンビネーションスイッチからウオッシャーモーターに電圧が供給され、ウオッシャーモーターからコンビネーションスイッチを通ってアースし、ウオッシャーモーターが作動する。
  • BCMは、リヤウオッシャースイッチが約0.4秒以上作動していると検知すると、リヤワイパーを作動させる。
  • BCMは、リヤウオッシャースイッチがOFF状態になったことを検出すると、約3回作動し、停止する。
  • 間けつ作動中にリヤウオッシャースイッチをONにすると、リヤウオッシャー作動を優先する。
 
 コンビネーションスイッチ読み取り機能
 
 フェイルセーフ機能

  • リヤワイパー作動時に、雪などの障害物(作動抵抗)により、リヤワイパーオートストップ信号が正常にON/OFF変化しない状態が5秒以上継続すると、BCMは、リヤワイパー保護のためリヤワイパーの作動を停止することがある。
  • リヤワイパースイッチをOFFし、1分以上経過後にリヤワイパースイッチを操作すると、正常に復帰する。
 
 回路図
Оцените статью