ВИЗАТОР
Японские автомобильные аукционы с акцентом на Nissan NV150 AD VY12
Главная
Новости
FAQ
Аукционы
Руководства по ремонту
Nissan Wingroad Y12: полное руководство по ремонту и обслуживанию на русском языке
Поиск
Вы здесь:
Главная
Руководства по ремонту
Nissan Wingroad Y12: полное руководство по ремонту и обслуживанию на русском языке
Электрооборудование
Система освещения
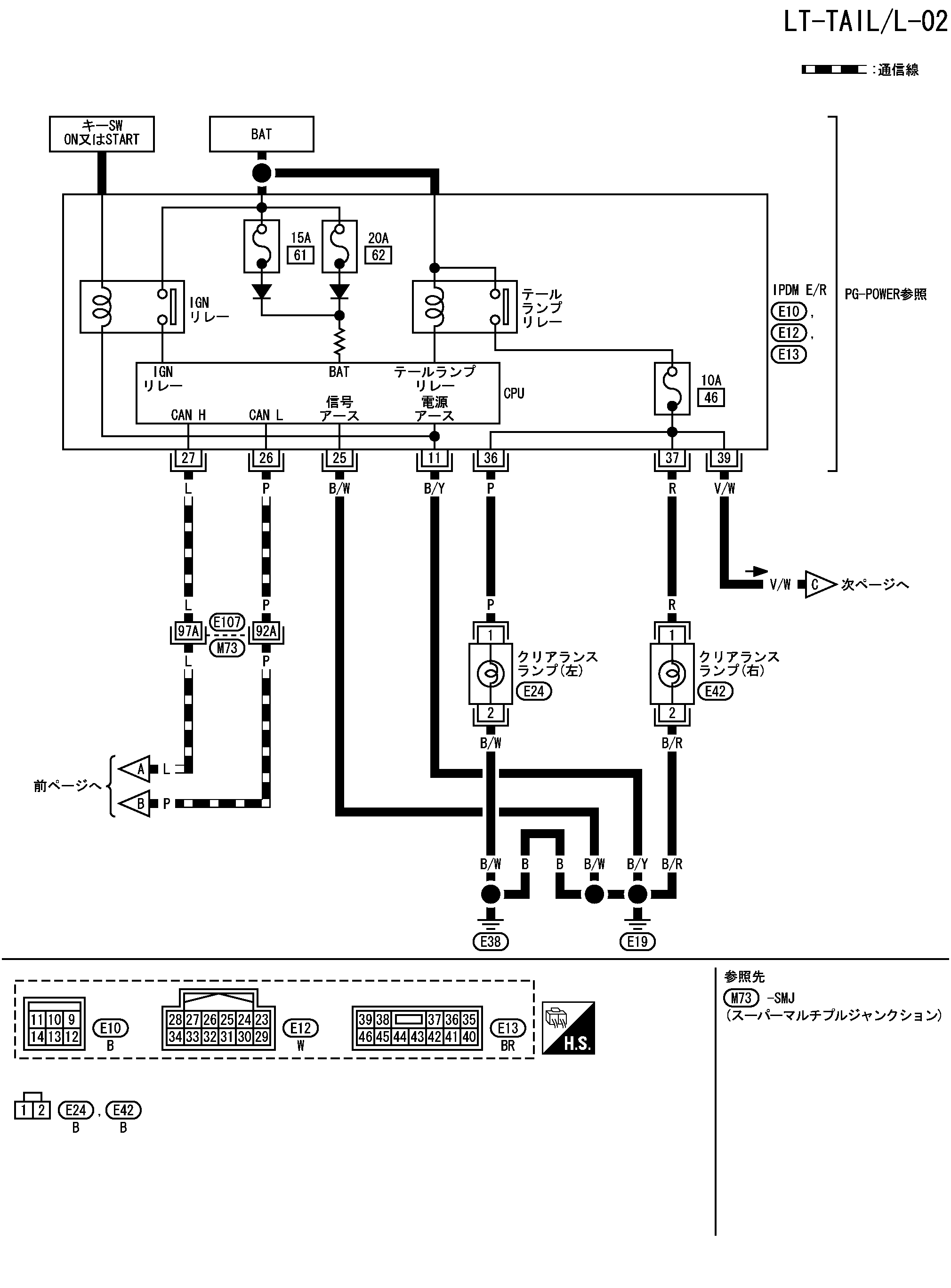
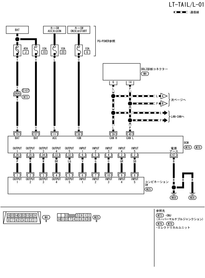
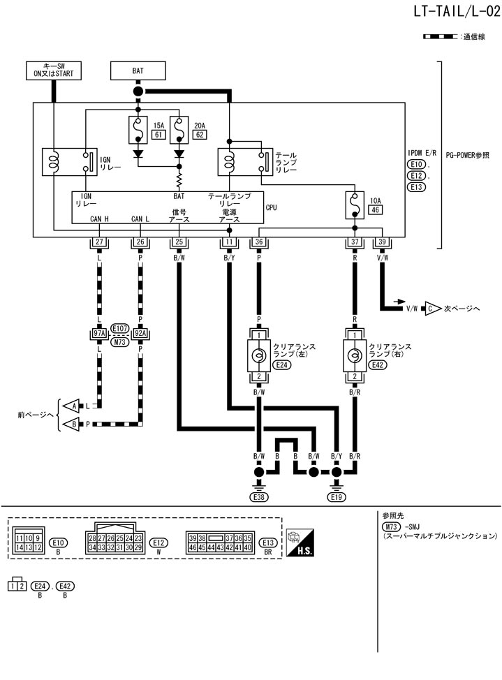
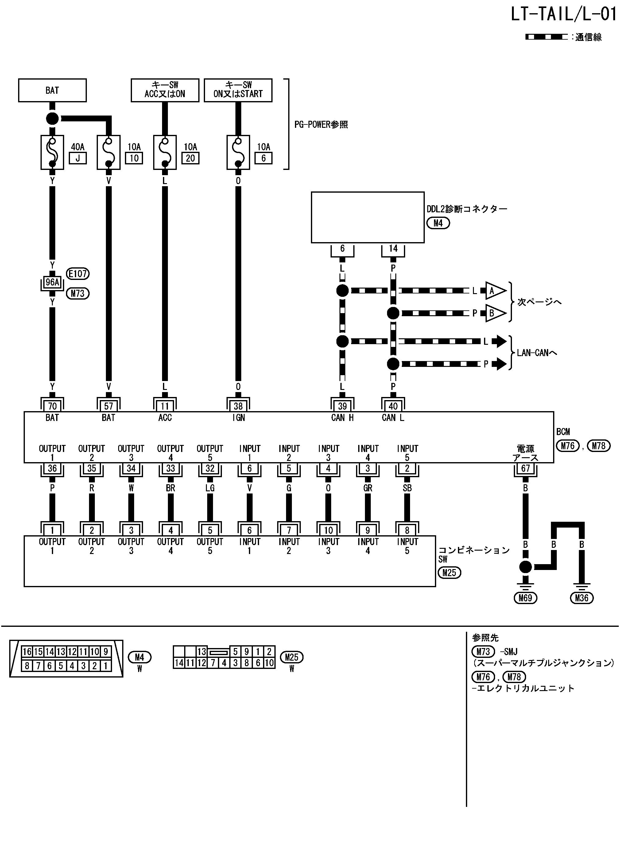
Схема подключения — задний/л — габаритный фонарь/задний фонарь
Схема подключения — задний/л — габаритный фонарь/задний фонарь
配線図 - TAIL/L -
📄
Открыть схему TKWB4370J.PDF
📄
Открыть схему TKWB4371J.PDF
📄
Открыть схему TKWB4372J.PDF
Предыдущий: Схема габаритного фонаря/заднего фонаря
Назад
Следующий: Опорное значение входного/выходного сигнала bcm габаритный фонарь/задний фонарь
Вперед
Необходимо поставить все оценки
'Поставьте галочку "Я не робот"'
Оцените статью
Отлично
Хорошо
Нормально
Плохо
Ужасно
Ваше имя *
Ваш E-mail *
Текст комментария *
Добавить комментарий
Закрыть