ВИЗАТОР
Японские автомобильные аукционы с акцентом на Nissan NV150 AD VY12
Главная
Новости
FAQ
Аукционы
Руководства по ремонту
Nissan Wingroad Y12: полное руководство по ремонту и обслуживанию на русском языке
Поиск
Вы здесь:
Главная
Руководства по ремонту
Nissan Wingroad Y12: полное руководство по ремонту и обслуживанию на русском языке
Электрооборудование
Система освещения
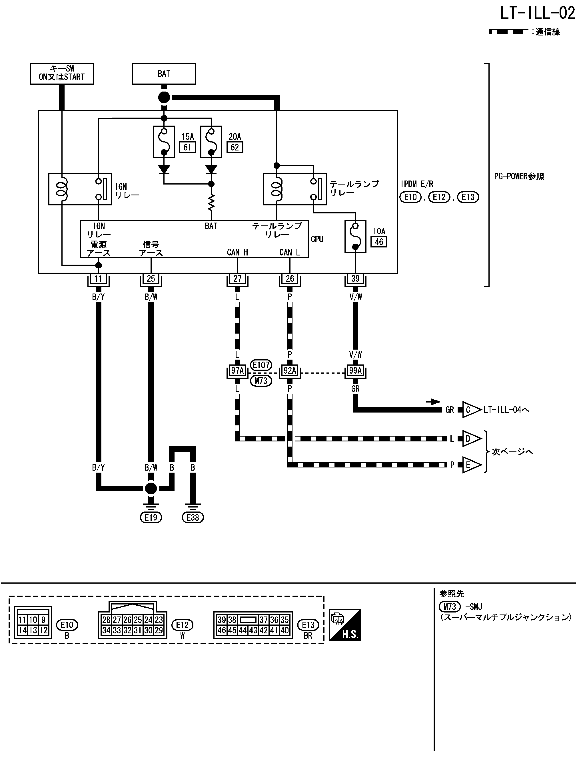
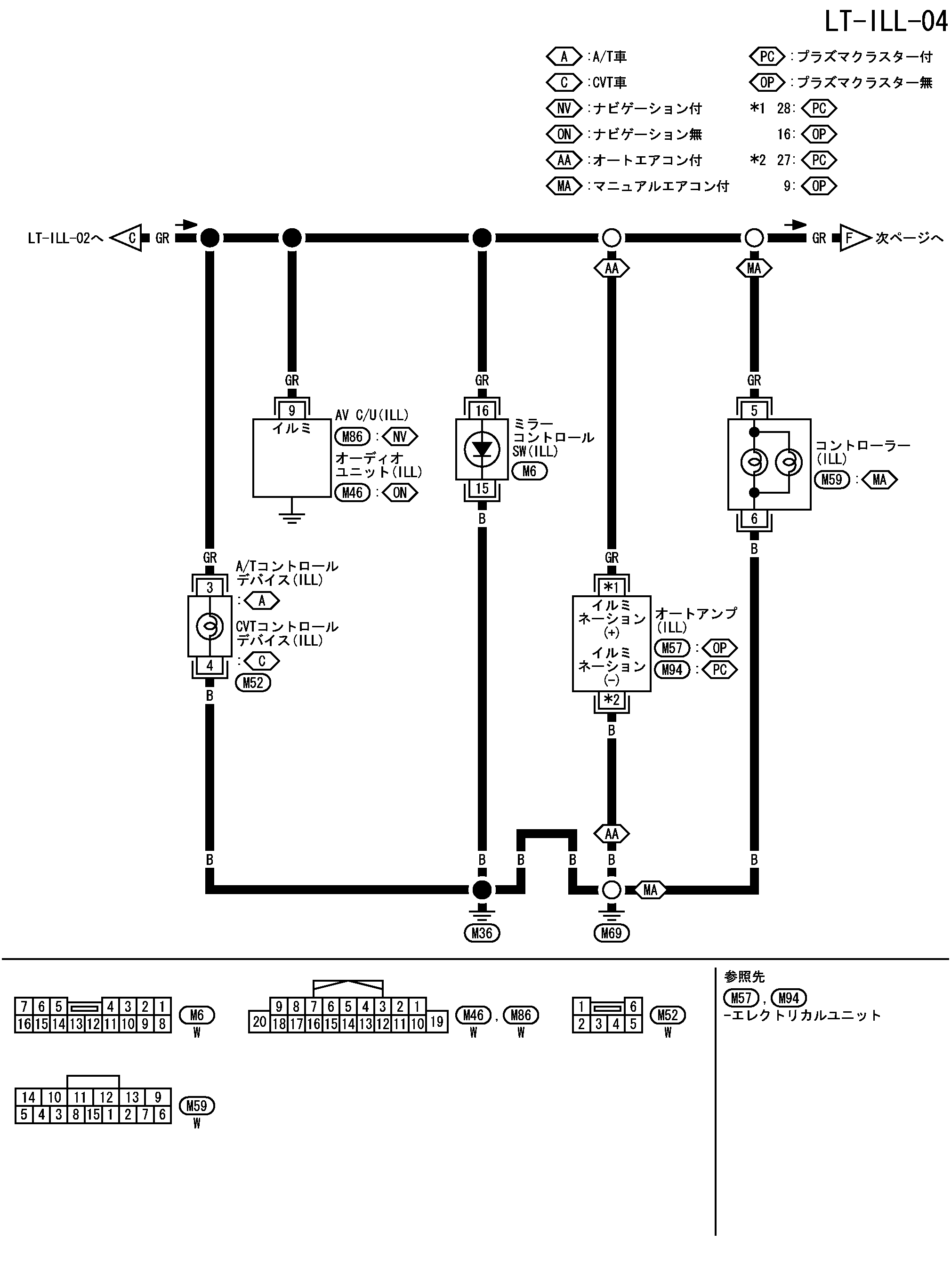
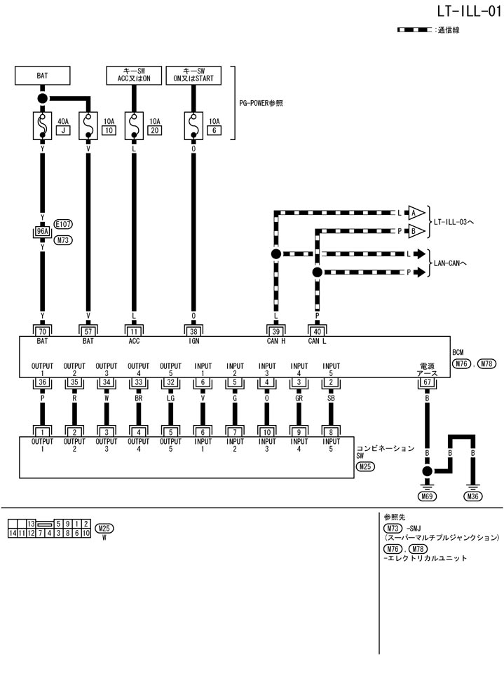
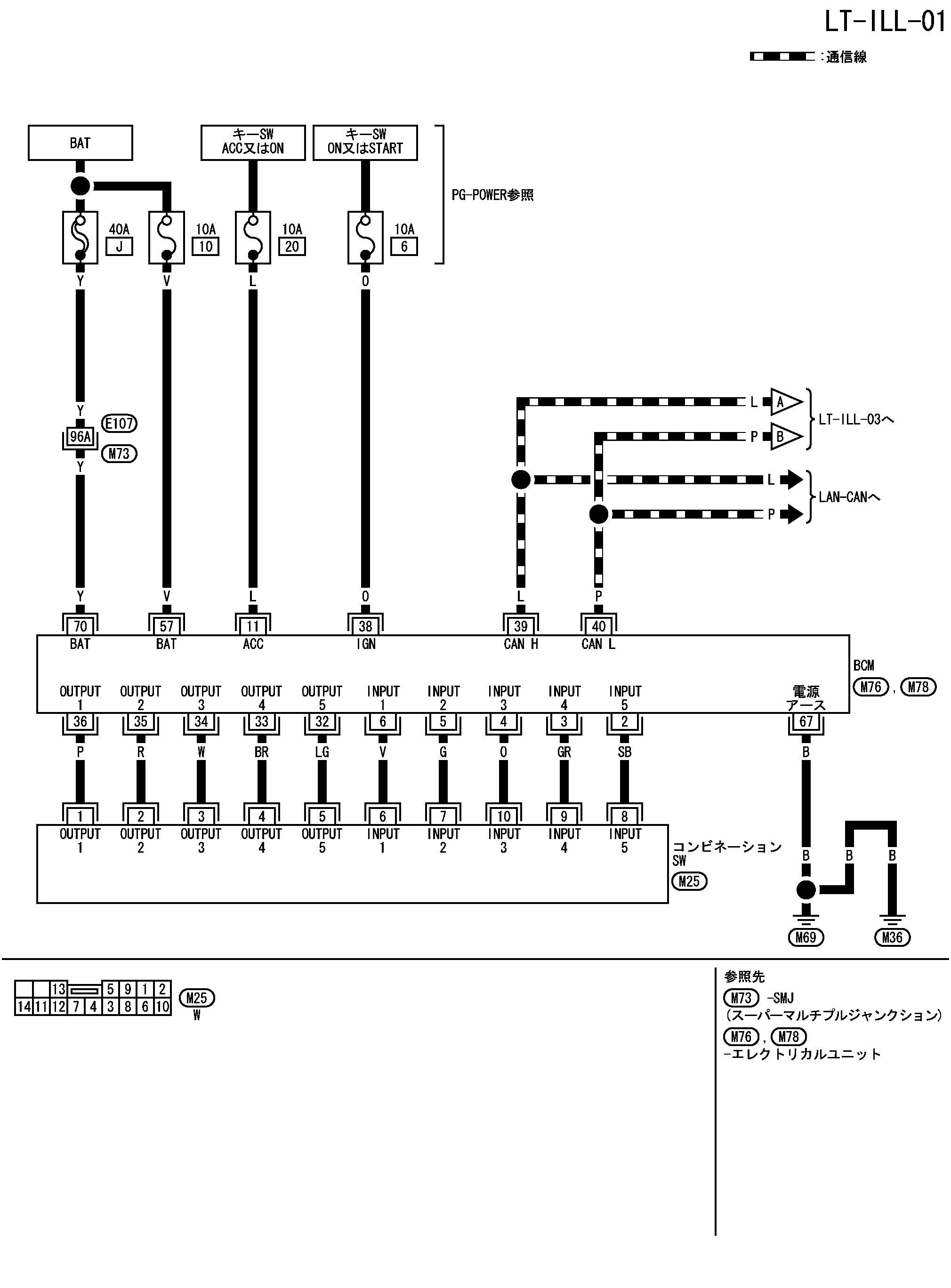
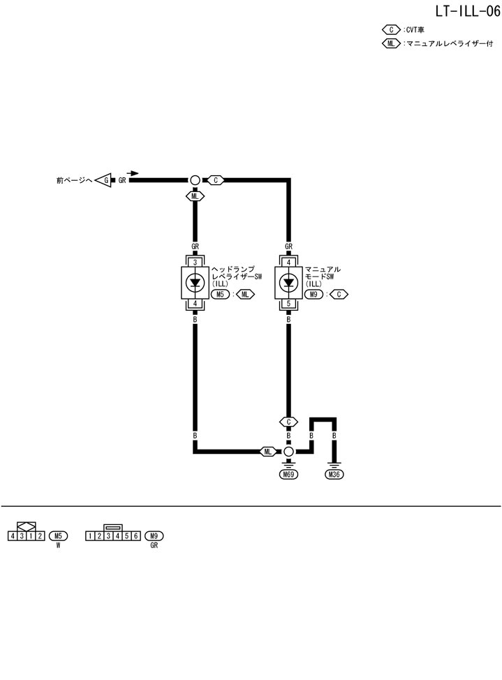
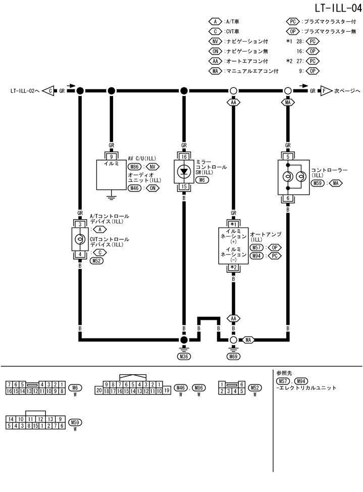
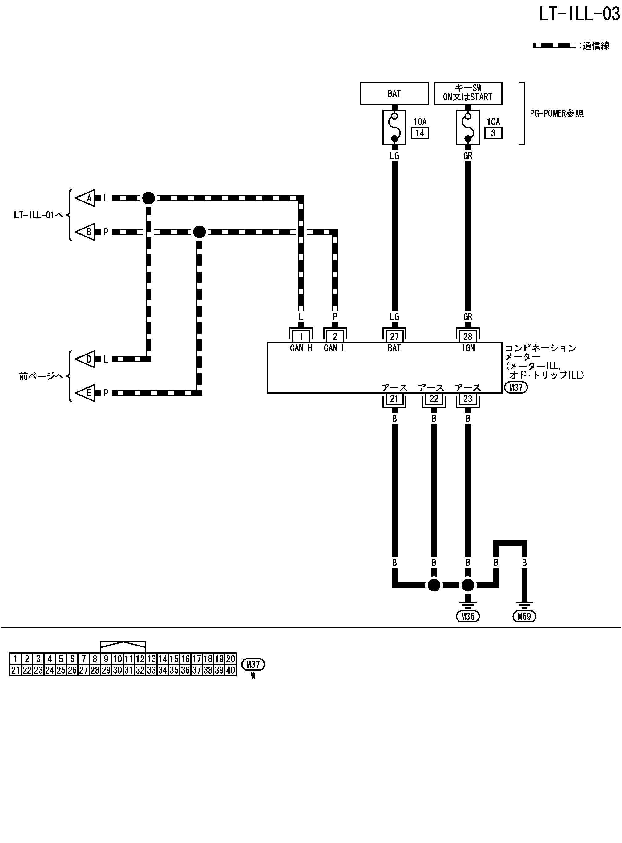
Схема подключения - иллюстрация - освещение
Схема подключения - иллюстрация - освещение
配線図 - ILL -
📄
Открыть схему TKWB4392J.PDF
📄
Открыть схему TKWB4393J.PDF
📄
Открыть схему TKWB4394J.PDF
📄
Открыть схему TKWB4395J.PDF
📄
Открыть схему TKWB4396J.PDF
📄
Открыть схему TKWB4397J.PDF
Предыдущий: Схематическое освещение
Назад
Следующий: Технические характеристики клапана, сервисные данные
Вперед
Необходимо поставить все оценки
'Поставьте галочку "Я не робот"'
Оцените статью
Отлично
Хорошо
Нормально
Плохо
Ужасно
Ваше имя *
Ваш E-mail *
Текст комментария *
Добавить комментарий
Закрыть