ВИЗАТОР
Японские автомобильные аукционы с акцентом на Nissan NV150 AD VY12
Главная
Новости
FAQ
Аукционы
Руководства по ремонту
Nissan Wingroad Y12: полное руководство по ремонту и обслуживанию на русском языке
Поиск
Вы здесь:
Главная
Руководства по ремонту
Nissan Wingroad Y12: полное руководство по ремонту и обслуживанию на русском языке
Электрооборудование
Система освещения
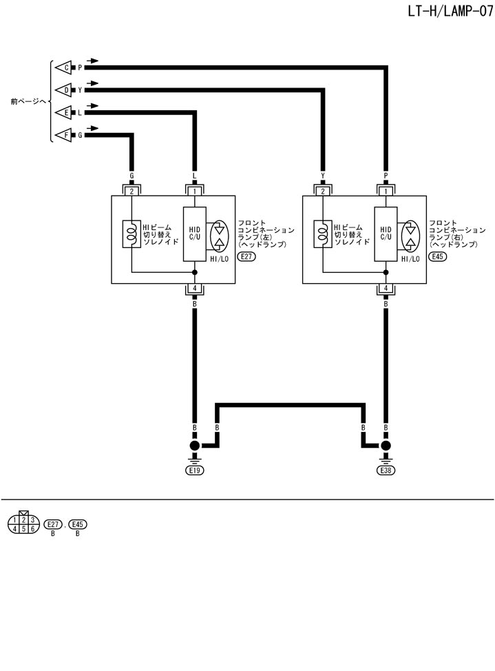
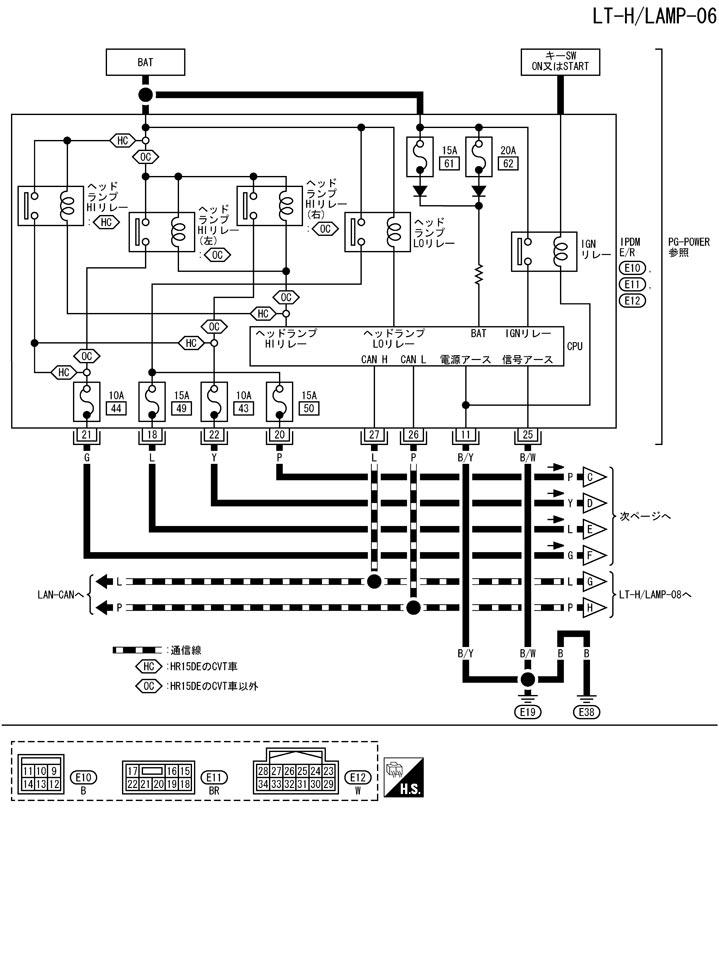
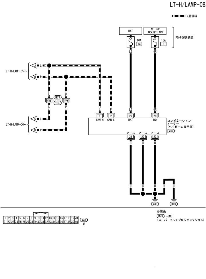
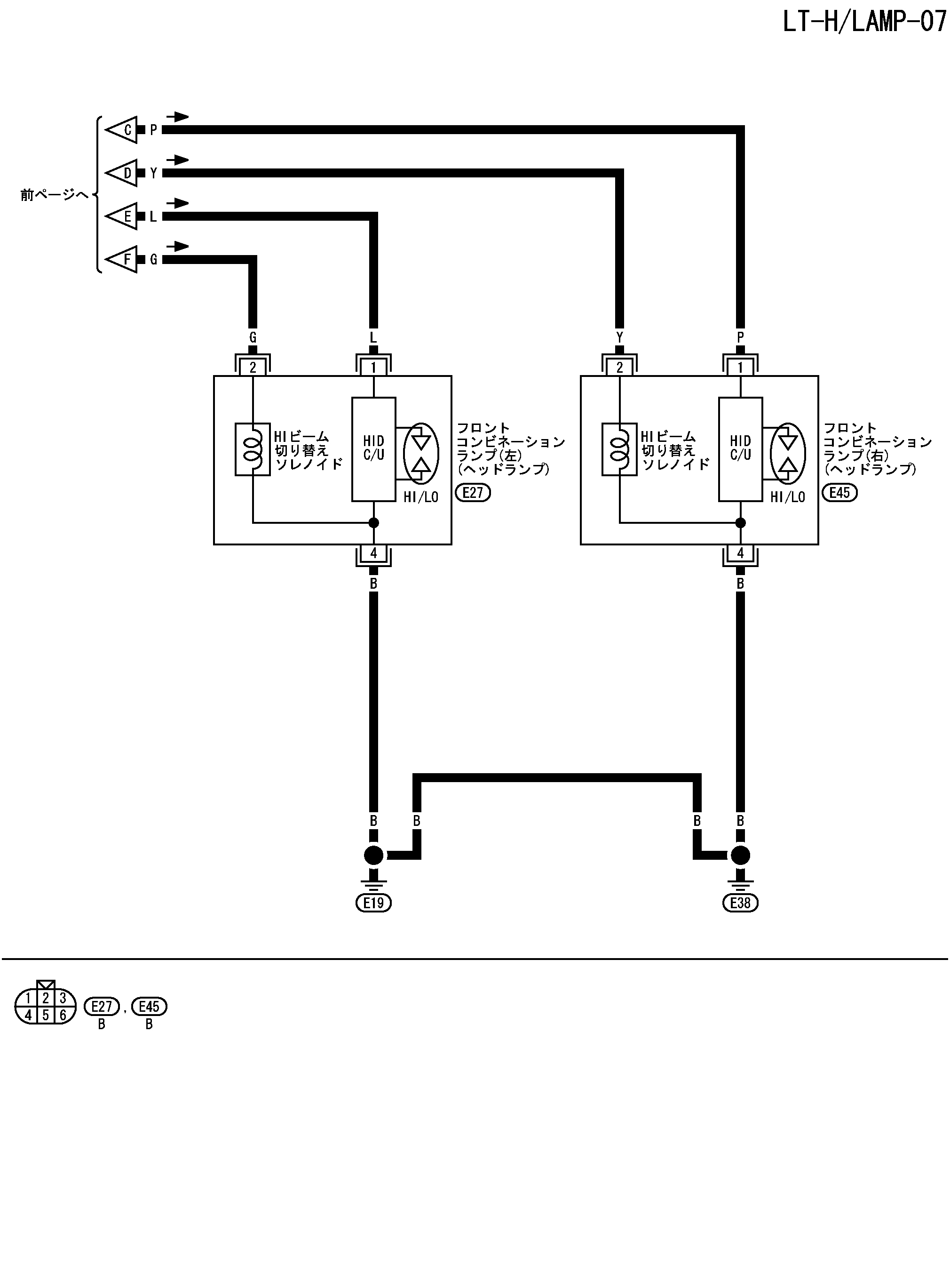
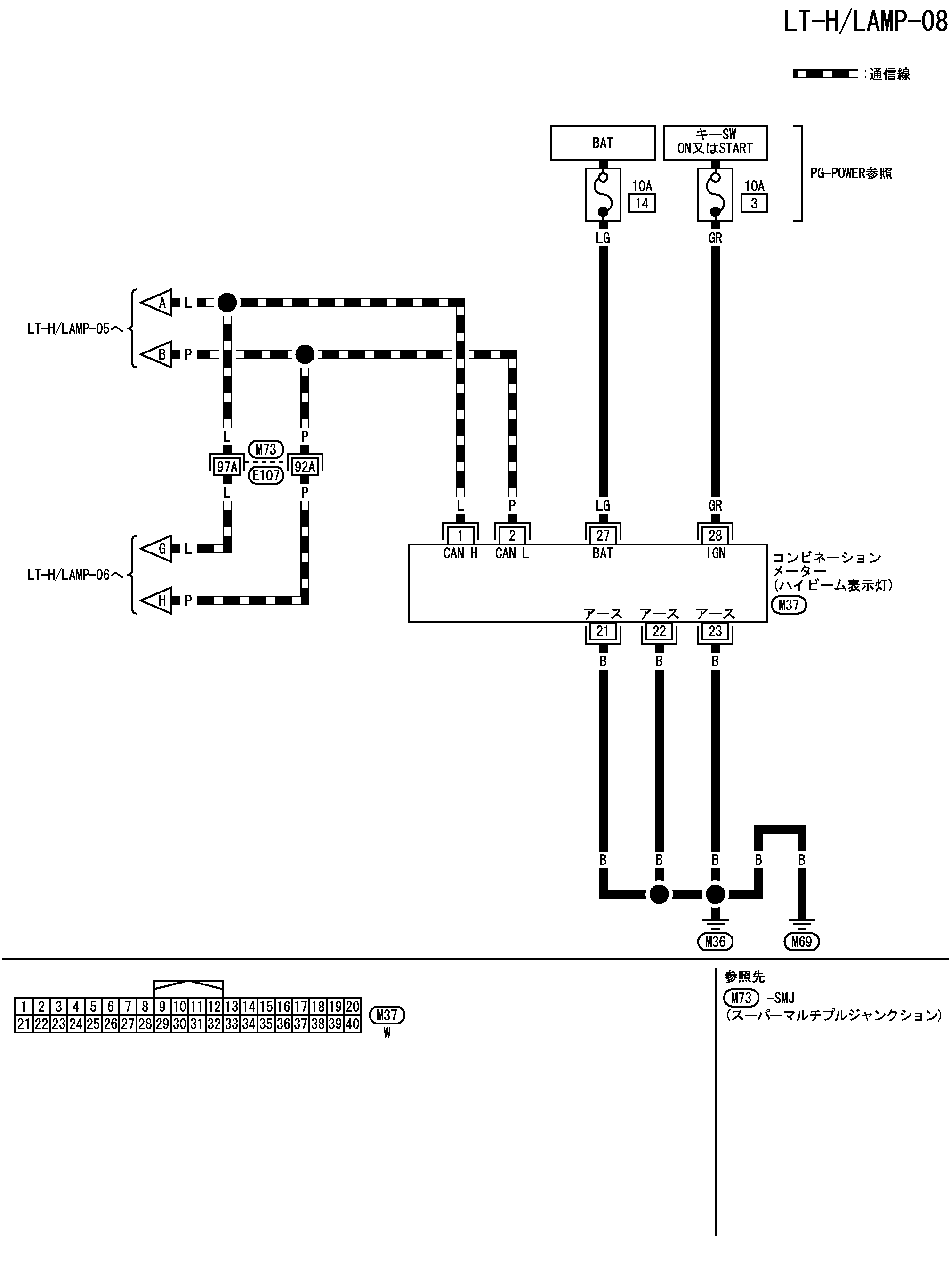
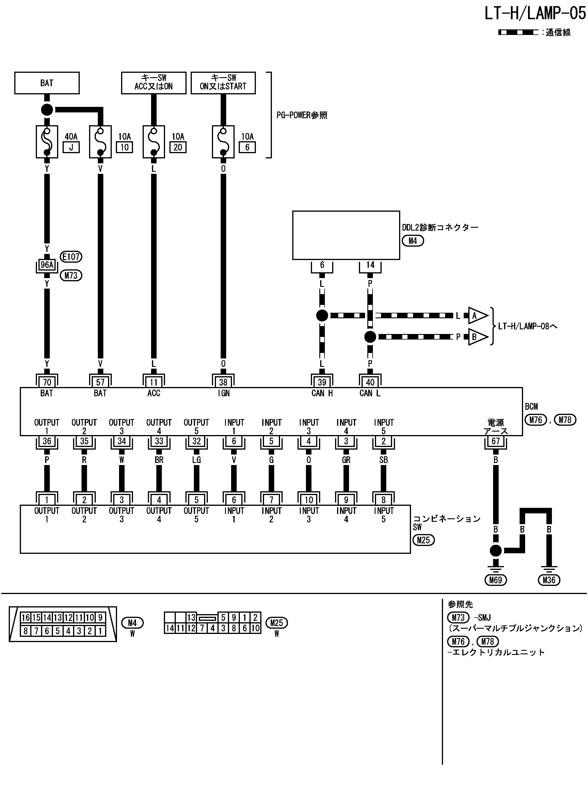
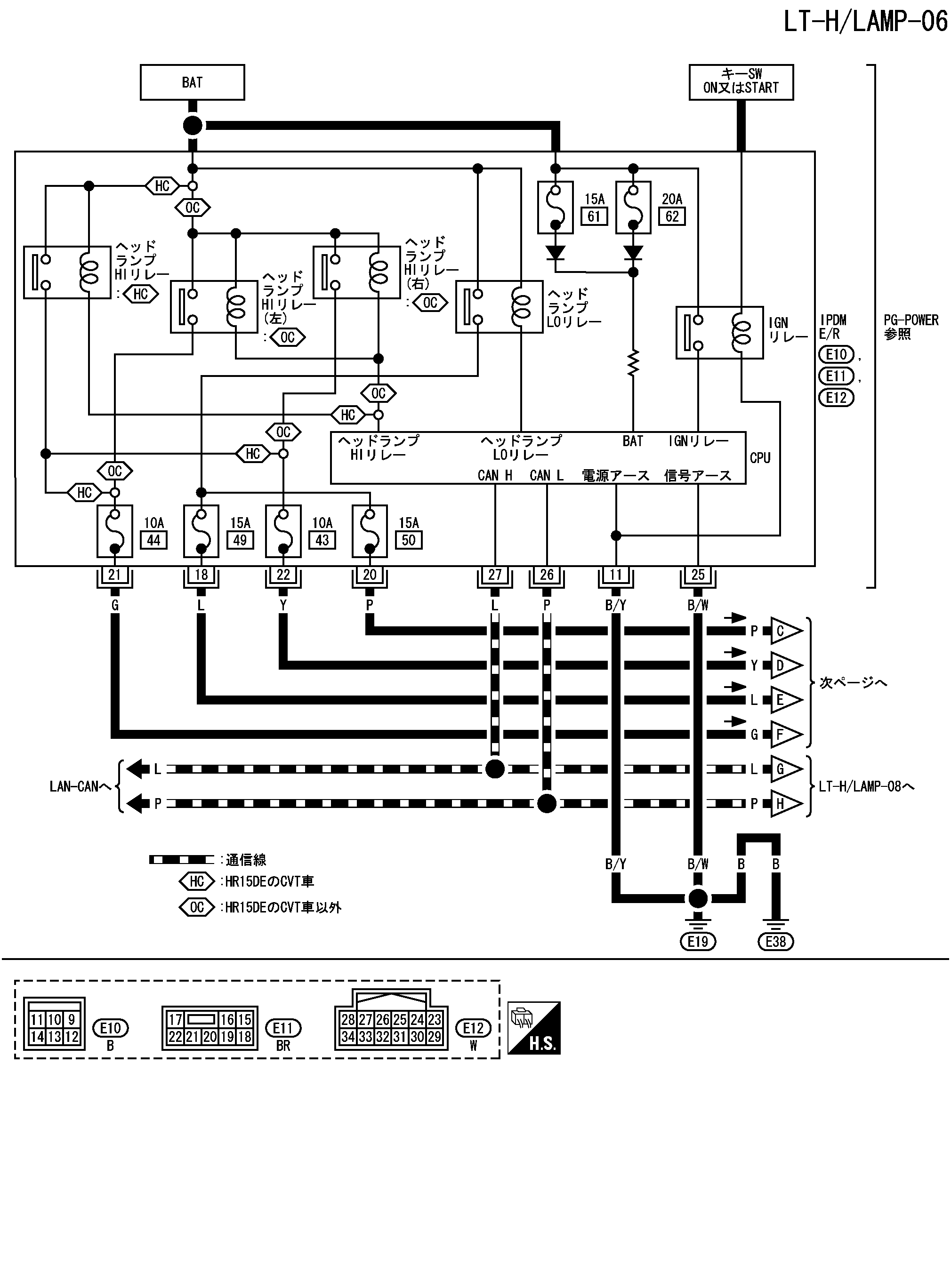
Схема подключения — фара фара — ксеноновая фара
Схема подключения — фара фара — ксеноновая фара
配線図 - H/LAMP -
📄
Открыть схему TKWB4356J.PDF
📄
Открыть схему TKWB4357J.PDF
📄
Открыть схему TKWB2866J.PDF
📄
Открыть схему TKWB4358J.PDF
Предыдущий: Схема ксеноновой фары
Назад
Следующий: Эталонное значение входного/выходного сигнала bcm ксеноновые фары
Вперед
Необходимо поставить все оценки
'Поставьте галочку "Я не робот"'
Оцените статью
Отлично
Хорошо
Нормально
Плохо
Ужасно
Ваше имя *
Ваш E-mail *
Текст комментария *
Добавить комментарий
Закрыть